trailer wire harness install need diagram

1990 DODGE DAKOTA
135,000 MILES • 2.5L • 4 CYL • 2WD • MANUAL
Avatar
THATGUYBENNETT
  • MEMBER
  • 1 POST
i am installing a wire harness on my vehicle and have not found wiring diagram. I need diagram for reference. thanks.
Feb 8, 2018 at 4:53 PM
Advertisement
Avatar
CJ MEDEVAC
  • CERTIFIED EXPERT
  • 11,004 POSTS
Thought I would pipe this in.

No real thinking/no splicing/no corrosion where wires might be cut/removable as if were never there.

Check out my picture below.

The Medic
Feb 8, 2018 at 6:12 PM
Avatar
STEVE W.
  • CERTIFIED EXPERT
  • 15,113 POSTS
Those are great to add in the trailer harness. I have used at least fifty of them from different companies over the years. Simply plug and play. Dodge even sells a kit for your truck that plugs in that way.
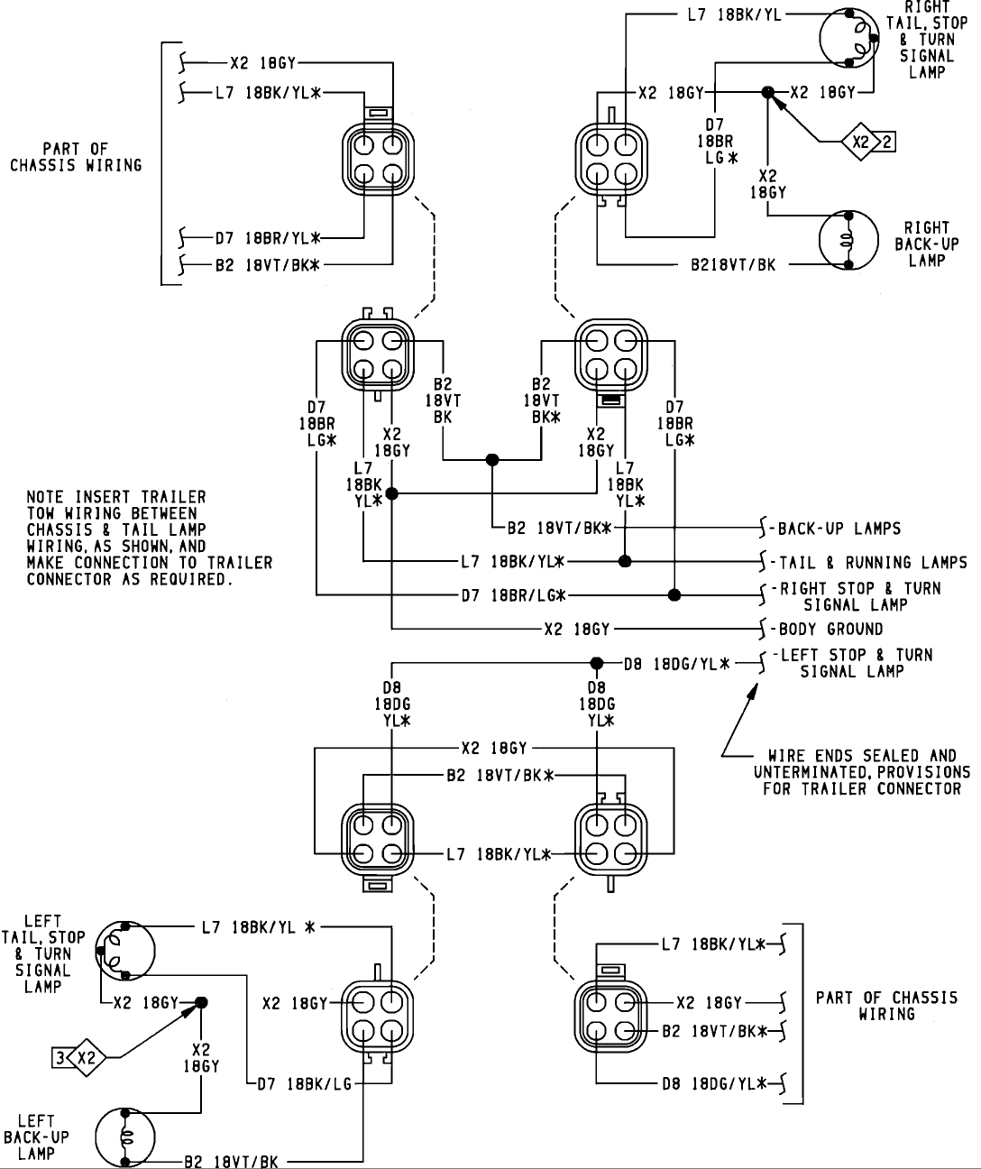
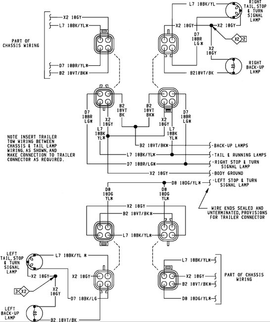
This is the way the kit wires in.
Feb 9, 2018 at 7:27 PM
Advertisement