Trailer taillights not working?

2015 JEEP CHEROKEE
50,000 MILES • 3.2L • 6 CYL • 4WD • AUTOMATIC
Avatar
RICH SCOTT
  • MEMBER
  • 1 POST
The left rear taillight has power but when i put the bulb in it turns off?
Apr 29, 2023 at 6:51 AM
Advertisement
Avatar
STRAILER
  • CERTIFIED EXPERT
  • 53,855 POSTS
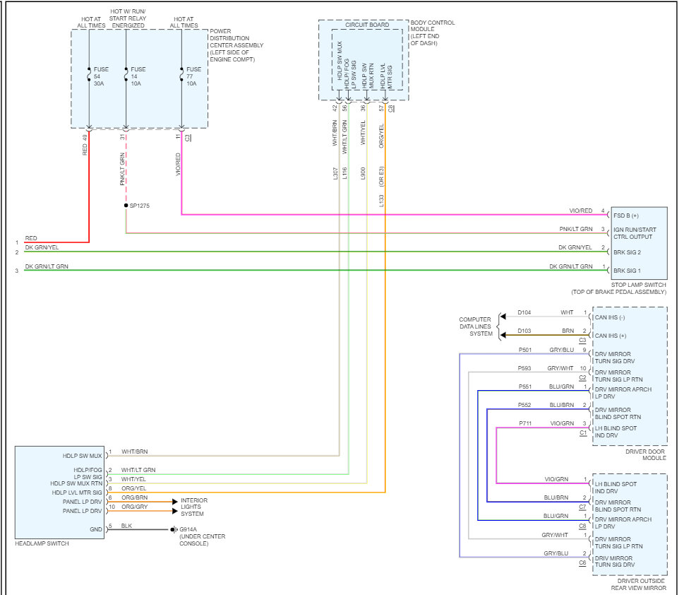
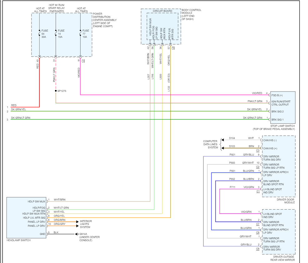
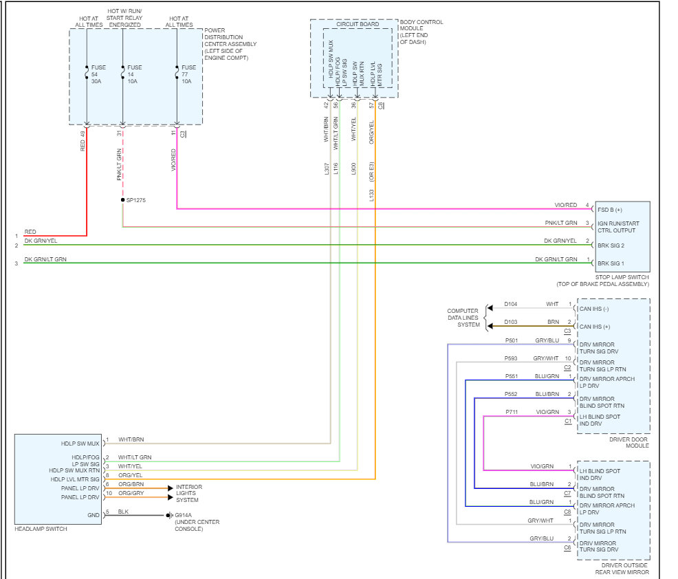
It sounds like the BCM is going out here are the taillight wiring diagrams so you can see how the system works and I have included how to change out the BCM in the images below. You can get a preprogrammed unit by searching Google or Ebay. Check out the images (below). Let us know what happens and please upload pictures or videos of the problem so we can see what's going on.

Apr 29, 2023 at 1:18 PM