The engine is idling low?

2002 LEXUS ES 300
207,000 MILES • 3.0L • 6 CYL • 2WD • AUTOMATIC
Avatar
MIKEMASON2526
  • MEMBER
  • 2 POSTS
car is idling at 300 RPMs and almost shuts off when I put it in gear.
Feb 25, 2025 at 6:30 PM
Advertisement
Avatar
STRAILER
  • CERTIFIED EXPERT
  • 53,854 POSTS
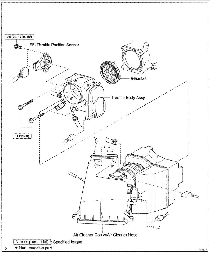
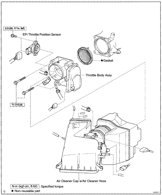
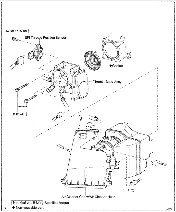
This is common when the throttle bore needs to be serviced, here are guides to help us fix the problem with instructions for your car in the images below.

https://www.2carpros.com/articles/throttle-actuator-service

and

https://www.2carpros.com/articles/low-engine-idle

Also, is the check engine light on? Check out the images (below). Please let us know what happens.


Feb 27, 2025 at 11:36 AM
Avatar
MIKEMASON2526
  • MEMBER
  • 2 POSTS
The check engine light flashed off and on at first then stopped, but your answer was right on. thank you, you guys are good.
Mar 3, 2025 at 4:20 AM
Advertisement
Avatar
STRAILER
  • CERTIFIED EXPERT
  • 53,854 POSTS
Thanks for letting us know, we are here to help, please use 2CarPros anytime.
Mar 3, 2025 at 10:36 AM