I must check the fuses

2008 GMC YUKON
103,000 MILES • 1.3L • V8 • FWD • AUTOMATIC
Avatar
TYRELLE CHEEVES
  • MEMBER
  • 1 POST
In addition, I have no brake lamps, both bulbs have been changed and still not working. I need to check the fuses.
Jun 2, 2016 at 12:44 PM
Advertisement
Avatar
KASEKENNY
  • CERTIFIED EXPERT
  • 18,907 POSTS
If you have no brake lights at all, then this could be a brake lamp switch as well, so that is something we need to check.

However, here are a couple guides that will help with testing and replacing fuses:

https://www.2carpros.com/articles/how-to-check-a-car-fuse

https://www.2carpros.com/articles/how-a-car-fuse-works

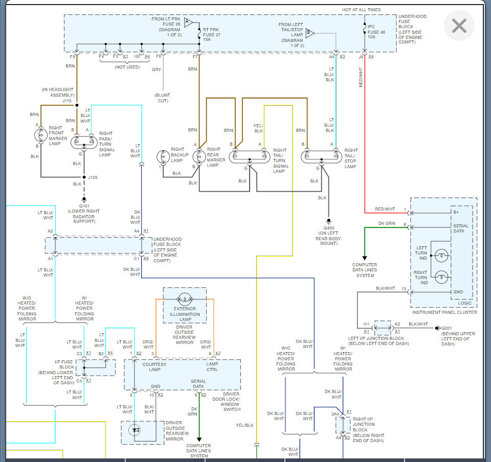
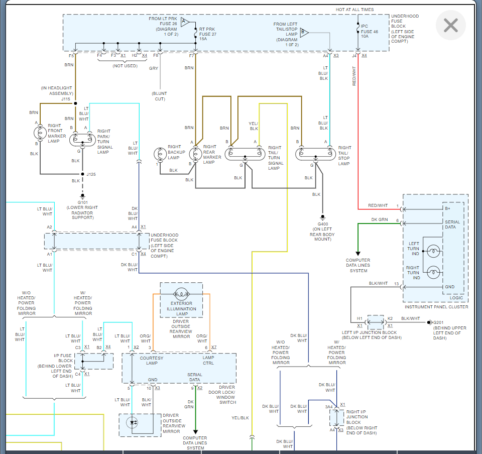
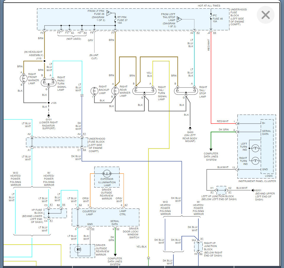
Below you will find the info about the fuses from the manual and the wiring diagram for the brake lights that will help as well.

Please run through this info and we can go from there. Thanks
Jul 2, 2021 at 7:00 AM