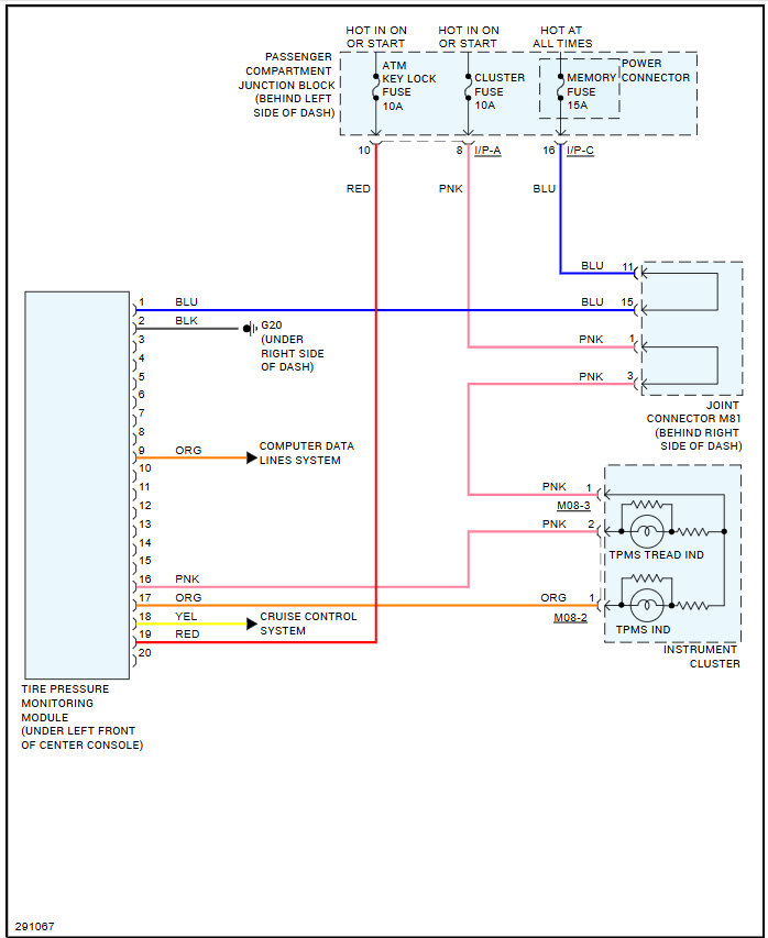
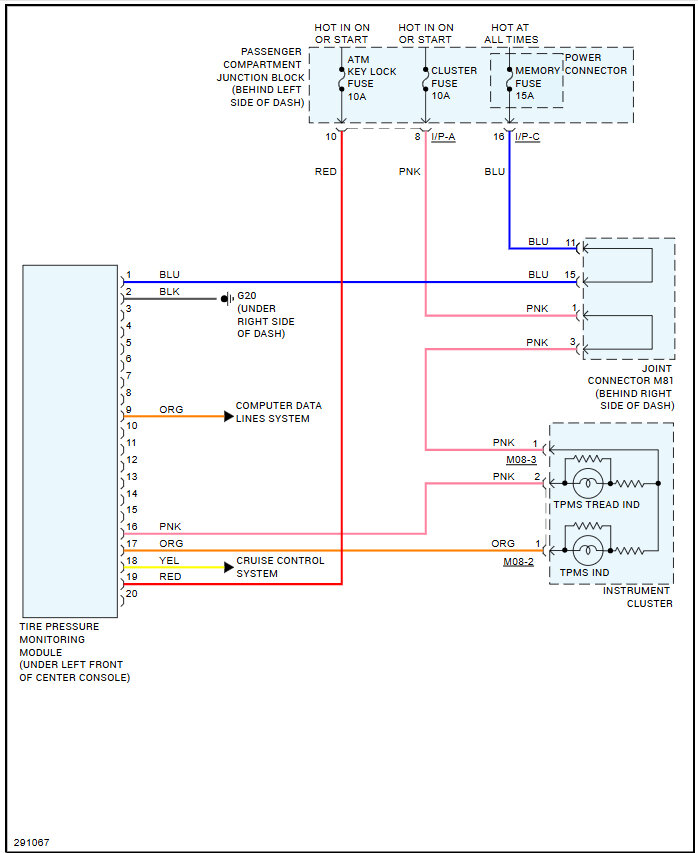
My TPMS light is on and will not go off. i had the sensors in the tires checked and they fine but the shop said that the receiver may be bad. Can you tell me where it is located on my vehicle? I have checked several forums, but they are confusing.
Mar 16, 2025 at 11:02 AM














