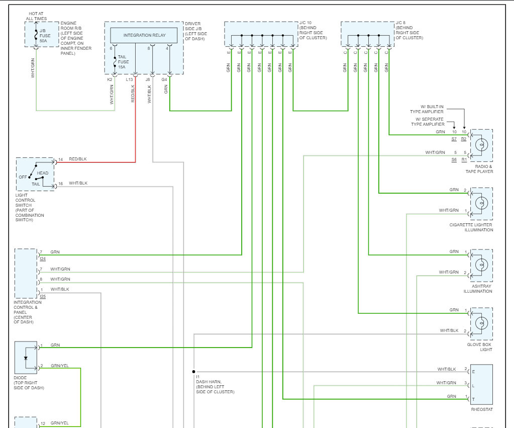
Driving home last night my dash lights suddenly turned off, additionally the ABS dash light came on after the lights turned off. The headlights and turn signals still work when the headlight switch is engaged, however there is no dash lights. My truck is equipped with a DEI remote start/alarm. When I engage the lock or the unlock button on my remote, the dash illumination lights flash. Thinking the light failure could be associated with the alarm system I unplugged the power supply to the brain of the alarm system and tried to switch the lights to the on position, but no luck. My reason for thinking this is when the remote start is engaged the lights of the exterior, dash lights flash until the key is placed in the ignition turned to the acc position and the brake is depressed. This morning the ABS light was not illuminated but the dash illumination lights still do not work. Is there a separate relay that I should check for the headlight switch? ABS controller? If so what are your thoughts on the lights flashing when I hit the lock or unlock button but not working when I turn the headlight/exterior lights on?
Feb 25, 2010 at 10:42 AM

