Crankshaft position sensor location

1991 TOYOTA TERCEL
140,000 MILES • 4 CYL • 2WD • AUTOMATIC
Avatar
DENNY12
  • MEMBER
  • 8 POSTS
Car turns over but will not start. I would like to know location of the crankshaft sensor.
Aug 9, 2010 at 12:00 PM
Advertisement
Avatar
BLUELIGHTNIN6
  • CERTIFIED EXPERT
  • 16,542 POSTS
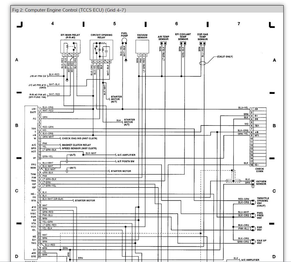
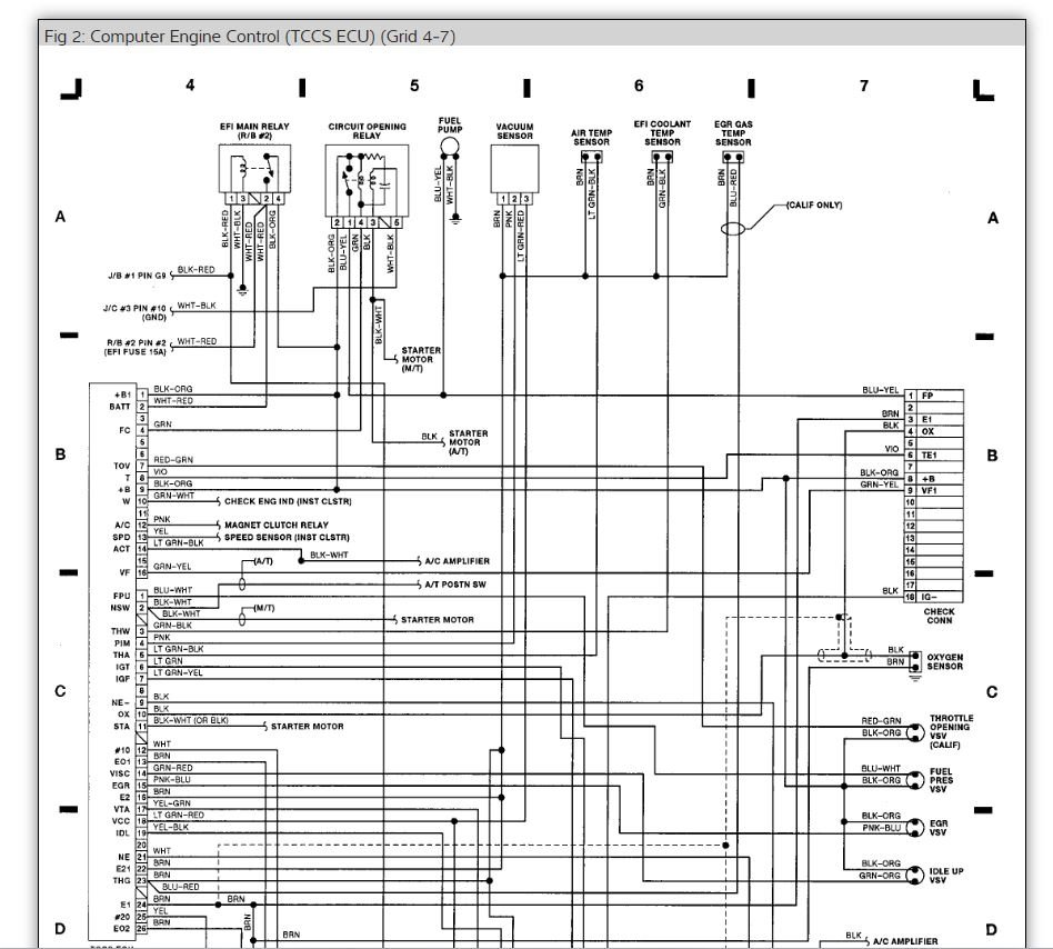
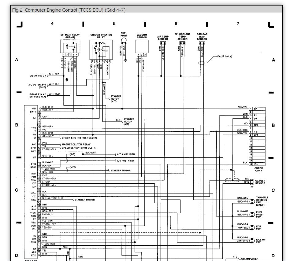
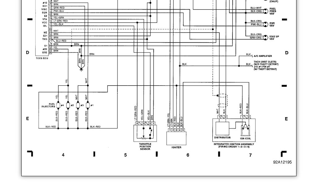
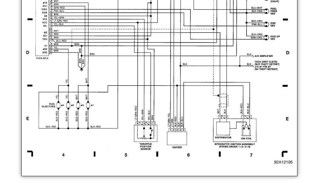
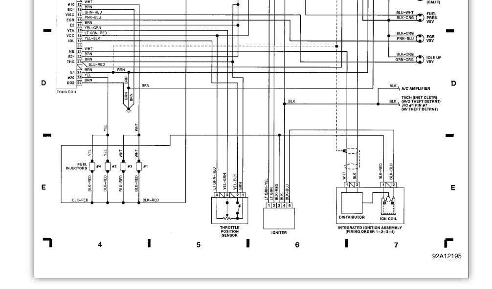
In 1991 Tercel's did not have actual crankshaft position sensors. Engine speed is sensed via pick-up coils in the distributor. This information is sent to the ECU and used to determine crankshaft position and engine rpm. Crankshaft position is input through terminal G and engine rpm is input through terminal NE of the ECU.
Check the guide below on how to test wiring as well as the guide on how to use a volt meter. Also attached is the wiring diagram for the ignition system to help you figure it out.
Let us know what you find.

https://www.2carpros.com/articles/how-to-check-wiring

https://www.2carpros.com/articles/how-to-use-a-voltmeter
Aug 9, 2010 at 3:58 PM
Avatar
DENNY12
  • MEMBER
  • 8 POSTS
Need location of crankshaft position sensor.
Sep 12, 2018 at 6:28 PM (Merged)
Advertisement
Avatar
RASMATAZ
  • CERTIFIED EXPERT
  • 75,992 POSTS
It does not come with one. What no spark?
Sep 12, 2018 at 6:28 PM (Merged)
Avatar
BMRFIXIT
  • CERTIFIED EXPERT
  • 19,053 POSTS
To my knowledge Toyota did not use a crank sensor in 1991 Tercel.
Sep 12, 2018 at 6:28 PM (Merged)