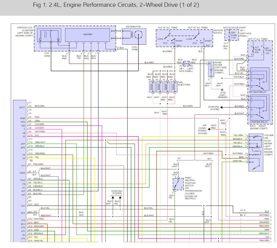
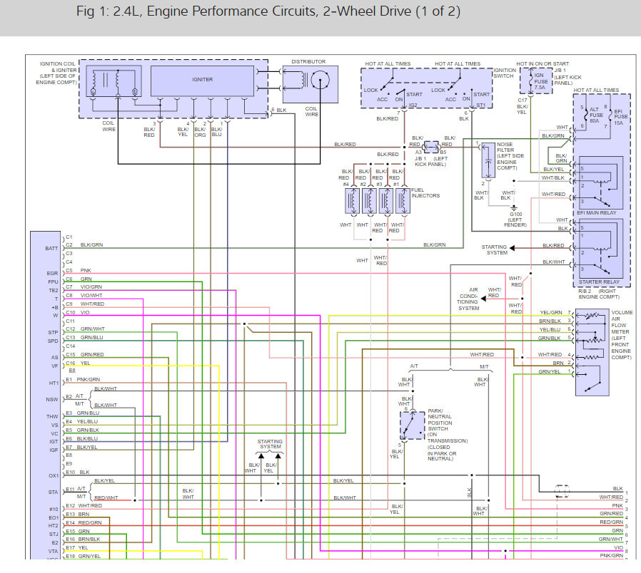
I am not getting any power to the fuel pump. I have checked the pump and it is working and I have also checked the relay and it is also working. What else could this be?
May 31, 2010 at 10:00 AM








