☰
Login
Join
×
Home
Answered Questions
Repair Topics
Repair & Service Guides
Popular Questions
Warning Lights
Trouble Codes
How It Works
Testing / Diagnostics
Symptoms
Videos
Login
Become a Member
Home
Toyota
Pickup
Engine
Vacuum Hose Diagram
where are the vacuum hose route diagram?
1990 TOYOTA PICKUP
20,000 MILES • 4 CYL • 2WD • AUTOMATIC
AJWILLIAMS
MEMBER
2 POSTS
FOLLOW
all the vacuum hoses are not on the engine and i need a hose route diagram.
Jun 17, 2010 at 5:21 PM
Advertisement
RASMATAZ
CERTIFIED EXPERT
75,992 POSTS
Hello,
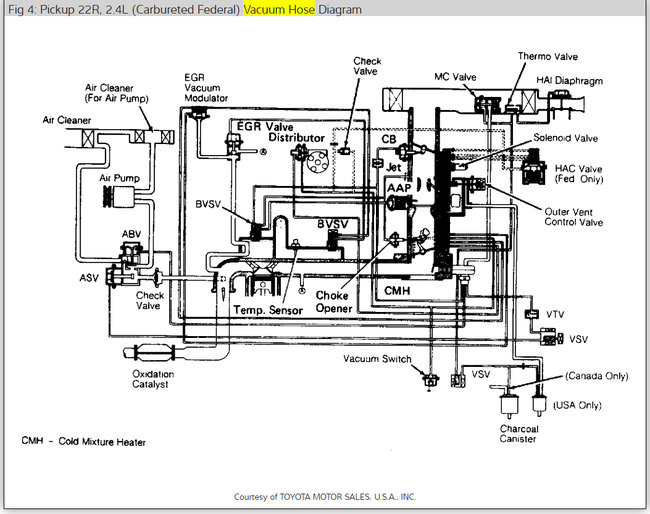
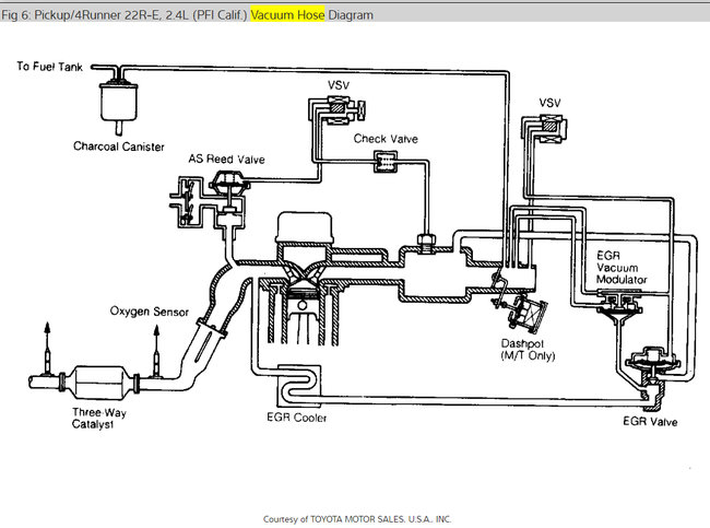
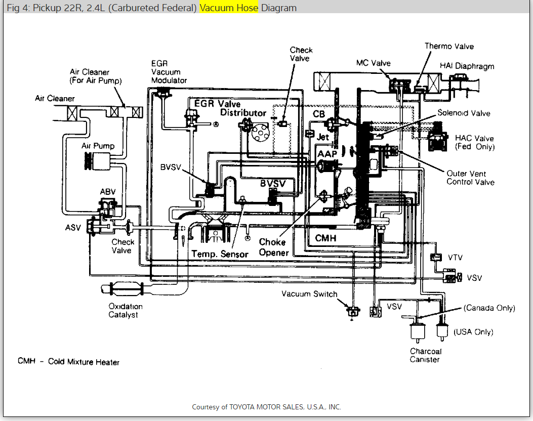
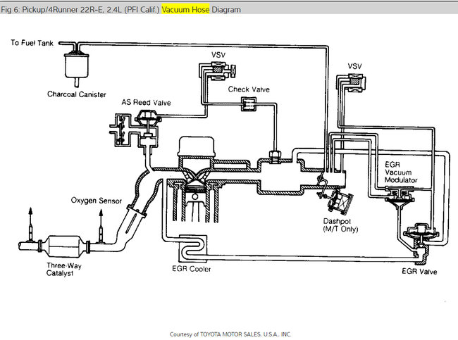
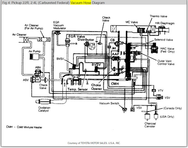
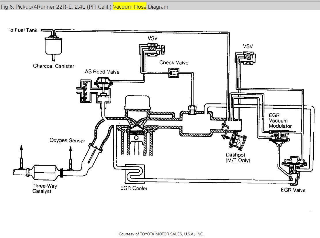
There are many different combinations of all the engine they put in the truck so here are all the engine vacuum line diagrams BELOW
Check out the diagrams (Below). Please let us know if you need anything else to get the problem fixed.
Cheers
Images (Click to enlarge)
Jun 17, 2010 at 6:11 PM