I changed the clutch in my 2004 Toyota Matrix this weekend, and low and behold the AC clutch will not engage now. I am not a complete noob so here is what all I know.
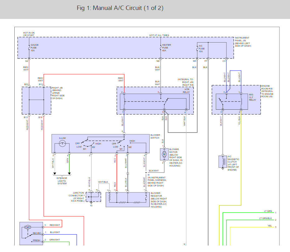
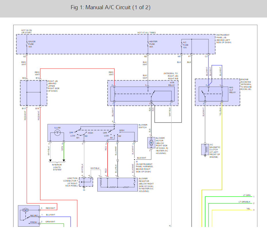
The 10 amp fuse under the dash is not blown.. We actually tested all of the fuses under the dash and under the hood.
When you have the AC button pushed with the car running and fan on, the AC light comes on, the engine revs slightly to compensate for the AC clutch engaging, but the AC clutch does not engage.
If you jumper the 4 post relay right under the hood the clutch will engage and build pressure until there is about 40 PSI on the low side. Also if you jumper + and - to opposite sides of the small little connectors on the relay you get continuity across the fat post on the relay and that good old relay functioning snap, so it seems ok.
The fans spin when the engine is running.
If you jumper the thing that is mounted in the high pressure line I can only assume is a pressure switch the cooling fan under the hood will come on, if you jumper it differently it will come on higher speed.
It really looks to me like it ought to work, there seems to be enough coolant in the AC system to trigger the low pressure switch. The clutch is connected otherwise jumpering it at the relay would not fire it. The switch in the cabin works otherwise the engine would not rev slightly when it is engaged and rev lower when it is not engaged.
The fan works. Is there any other sensor I am missing? maybe it is somehow connected to a sensor to tell it when the engine is running?
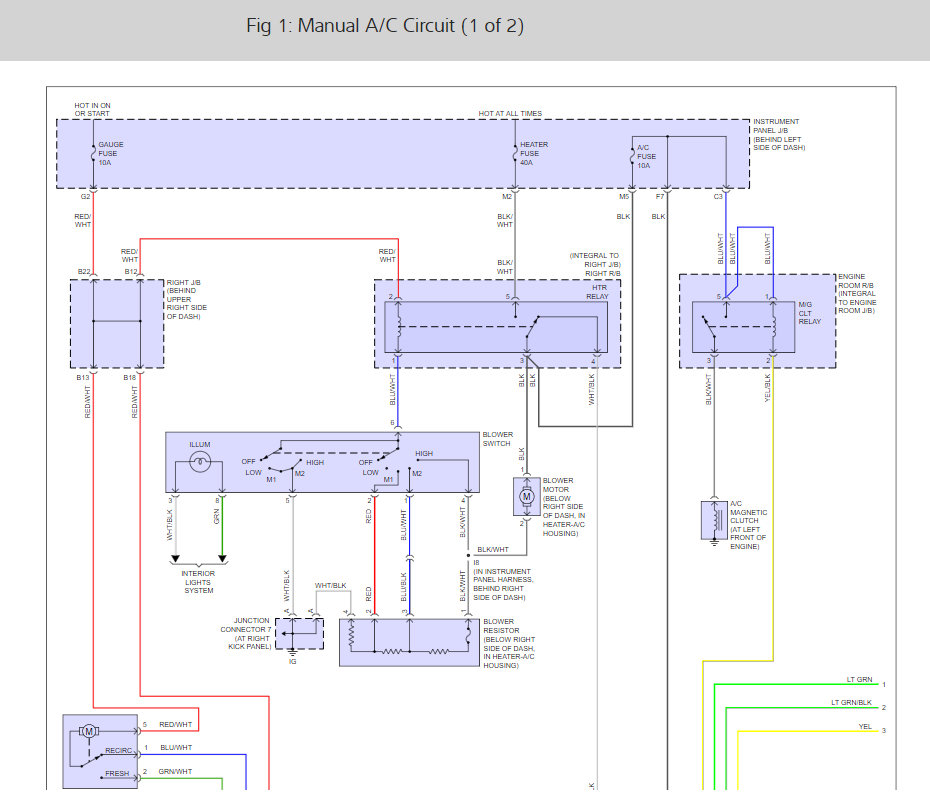
The 10 amp fuse under the dash is not blown.. We actually tested all of the fuses under the dash and under the hood.
When you have the AC button pushed with the car running and fan on, the AC light comes on, the engine revs slightly to compensate for the AC clutch engaging, but the AC clutch does not engage.
If you jumper the 4 post relay right under the hood the clutch will engage and build pressure until there is about 40 PSI on the low side. Also if you jumper + and - to opposite sides of the small little connectors on the relay you get continuity across the fat post on the relay and that good old relay functioning snap, so it seems ok.
The fans spin when the engine is running.
If you jumper the thing that is mounted in the high pressure line I can only assume is a pressure switch the cooling fan under the hood will come on, if you jumper it differently it will come on higher speed.
It really looks to me like it ought to work, there seems to be enough coolant in the AC system to trigger the low pressure switch. The clutch is connected otherwise jumpering it at the relay would not fire it. The switch in the cabin works otherwise the engine would not rev slightly when it is engaged and rev lower when it is not engaged.
The fan works. Is there any other sensor I am missing? maybe it is somehow connected to a sensor to tell it when the engine is running?
Apr 16, 2009 at 9:51 PM





