stereo wiring please?

2003 TOYOTA ECHO
21,000 MILES • 4 CYL • 2WD • MANUAL
Avatar
MORGANSDAD0919
  • MEMBER
  • 1 POST
Looking for the wiring diagram for a 2003 echo
Jun 11, 2010 at 2:54 AM
Advertisement
Avatar
RASMATAZ
  • CERTIFIED EXPERT
  • 75,992 POSTS
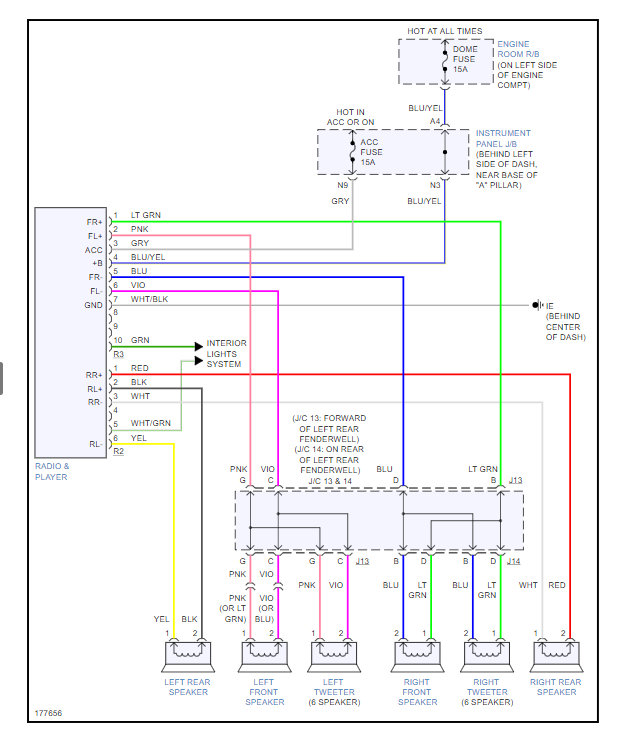
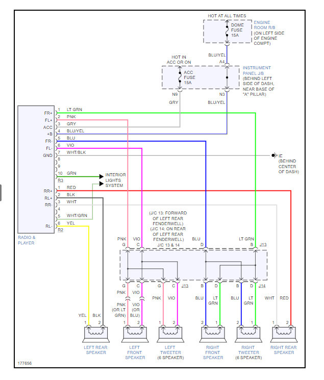
This guide will help you check the connections with the radio wiring diagrams below.

https://www.2carpros.com/articles/how-to-check-wiring

Check out the diagrams (Below). Please let us know if you need anything else to get the problem fixed.
Jun 11, 2010 at 4:00 AM
Avatar
2CP-ARCHIVES
  • MEMBER
  • 4,540 POSTS
I just installed a radio in my echo but it won't power up I have power going to the plugs and out to the radio but will not turn on when I turn the lights on they illuminate the radio I got the wire info online so I have all the wires going to the right places ACC , constant , ground left , and right speaders and etc. but it just won't power up any thing would help
Jul 16, 2020 at 1:30 PM (Merged)
Advertisement
Avatar
CARADIODOC
  • CERTIFIED EXPERT
  • 34,306 POSTS
First you need to repost that huge sentence with some punctuation, otherwise I can read it at least three different ways that don't make sense. What do you mean by "ground left"? What do you have the vehicle ground wire hooked to? Just so I'm clear, this radio has the gray and black seven-pin plugs, right?
Jul 16, 2020 at 1:30 PM (Merged)