Four cylinder front wheel drive automatic 91,000 miles.
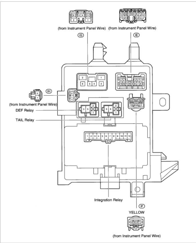
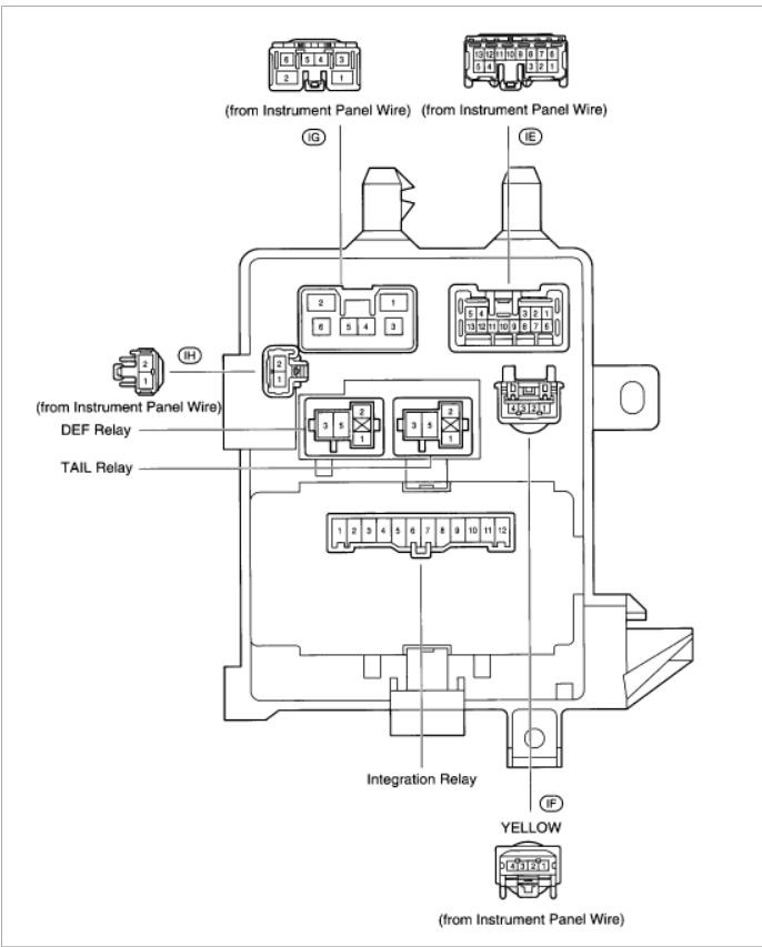
The radio and clock went off at the same while driving. The emergency flashers, cigarette lighter and cell phone outlet now do not work either. The air circulation fan, the switch is just below the radio, continues to work. I have checked the fuses under the hood according to the owners manual; they all appear continuous. My Haynes Repair Manual says there is another fuse box located at the left end of the instrument cluster, but the only thing I find is a flip out storage box there. What am I missing?
Also, could a cheap cell phone charger have caused this problem? This occurred after my daughter's eBay purchased charger was used in the cigarette lighter. She says the same thing happened to her Subaru after she used the charger.
I have problem finding the fuse box on same car 2002 Corolla. I took out the storage compartment beside steering wheel and it looks like it was removed because I cannot see it. Any ideas please?
Thanks for a reply.
The radio and clock went off at the same while driving. The emergency flashers, cigarette lighter and cell phone outlet now do not work either. The air circulation fan, the switch is just below the radio, continues to work. I have checked the fuses under the hood according to the owners manual; they all appear continuous. My Haynes Repair Manual says there is another fuse box located at the left end of the instrument cluster, but the only thing I find is a flip out storage box there. What am I missing?
Also, could a cheap cell phone charger have caused this problem? This occurred after my daughter's eBay purchased charger was used in the cigarette lighter. She says the same thing happened to her Subaru after she used the charger.
I have problem finding the fuse box on same car 2002 Corolla. I took out the storage compartment beside steering wheel and it looks like it was removed because I cannot see it. Any ideas please?
Thanks for a reply.
Dec 30, 2008 at 5:49 PM




























