both brake lights still out

2001 TOYOTA COROLLA
97,000 MILES • 4 CYL • FWD • AUTOMATIC
Avatar
STICKBALL
  • MEMBER
  • 1 POST
All three rear lights were out.I checked all fuses are ok. I than found third light bulb burnt.I replaced bulb and it is working but both brake lights still out.All wiring seems to be ok. Whats the problem?
May 26, 2010 at 7:55 AM
Advertisement
Avatar
SQM
  • CERTIFIED EXPERT
  • 6,383 POSTS
Hello,

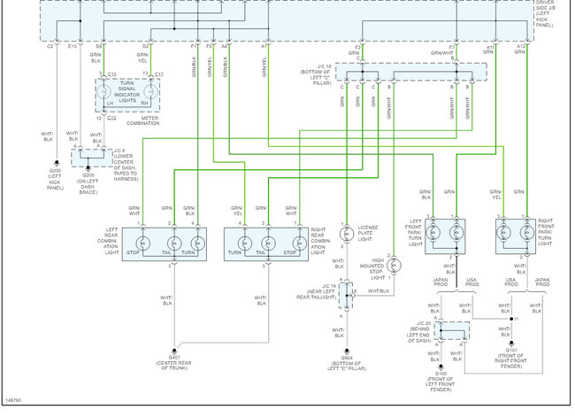
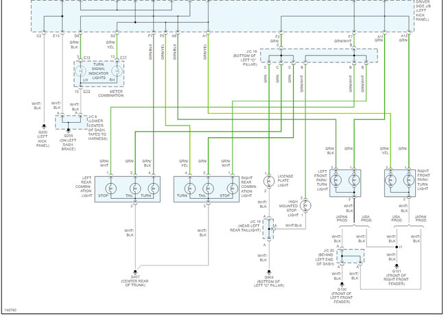
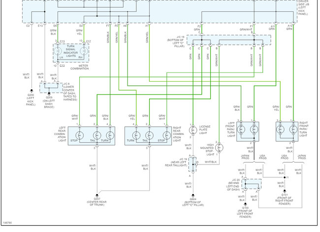
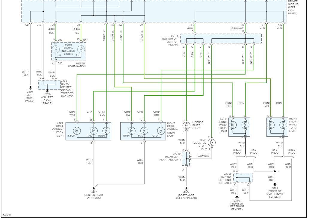
Since the third brake light is functional it means that the brake light switch is working.
So, the issue is likely a bad wiring.
The third brake light is on a different harness, so it works independently than the two main brake lights.
Good chance of a bad ground as both of them uses the same ground.

Here is a helpful guide of how to check wiring:

https://www.2carpros.com/articles/how-to-check-wiring

I have attached the wiring schematics below for your reference.

Please let me know of any questions.
Thank you.
Oct 14, 2021 at 8:51 AM