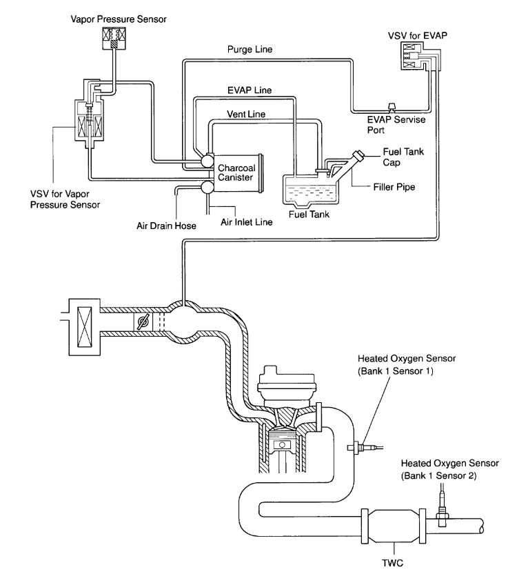
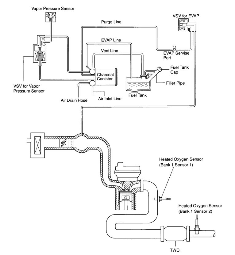
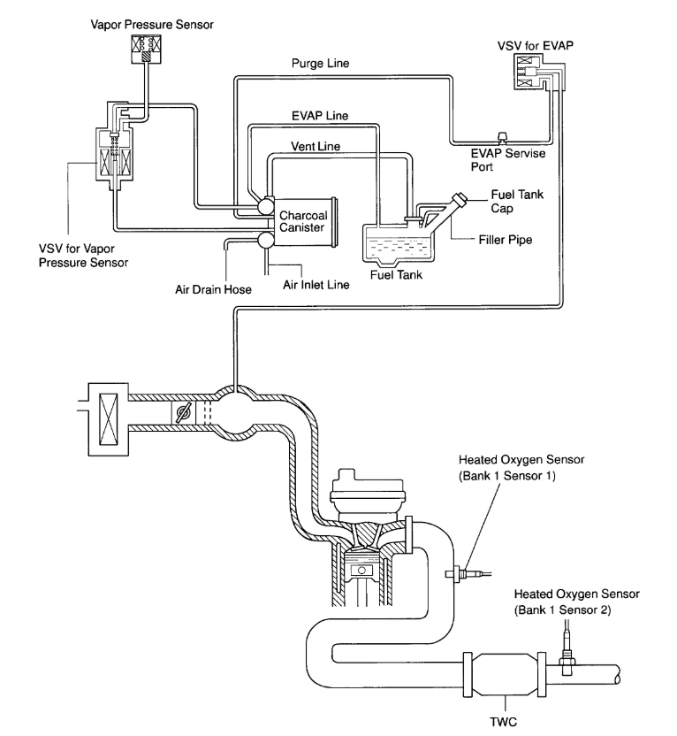
I have replace brand new vacuum hoses and have secured them tight with hose clamps. Also replaced brand new spark plugs. And have replaced brand new fuel injectors. Saying all that my engine is ideling very rough when i sit in the driveway. Saying all that a multiple Cylinder Misfire is detected shoes up on my Autoxray EZ scan 4000. Can you give me some advice as to what it could be?
Thanks,
Tim
Thanks,
Tim
Dec 23, 2007 at 5:06 PM

