Brake Light Fuse

2001 TOYOTA COROLLA
Avatar
NYLATINSOUL
  • MEMBER
  • 1 POST

Please tell me where is the brake light located in my car? Thank you.
Feb 20, 2010 at 2:40 AM
Advertisement
Avatar
RASMATAZ
  • CERTIFIED EXPERT
  • 75,992 POSTS
The brake light fuse is the stop fuse 15amp in the instrument panel junction block behind left side of dash at lower finish panel-If the fuse is okay -check and test the brake switch

Heres a guide on using a test light , it will help

https://www.2carpros.com/articles/how-to-use-a-test-light-circuit-tester


Attached below you will find the fuse block location and fuse ID
Feb 20, 2010 at 6:18 AM
Avatar
JUN841NC
  • MEMBER
  • 28 POSTS
Hi, I've noticed my stop lights are not working.. I need help finding the fuse location and number. Thank it's a 1995 Toyota Corolla ae92 shape have added a pick of the fuse box.
Mar 17, 2021 at 6:16 PM (Merged)
Advertisement
Avatar
JACOBANDNICKOLAS
  • CERTIFIED EXPERT
  • 110,175 POSTS
Welcome to 2CarPros.

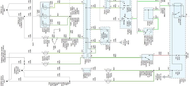
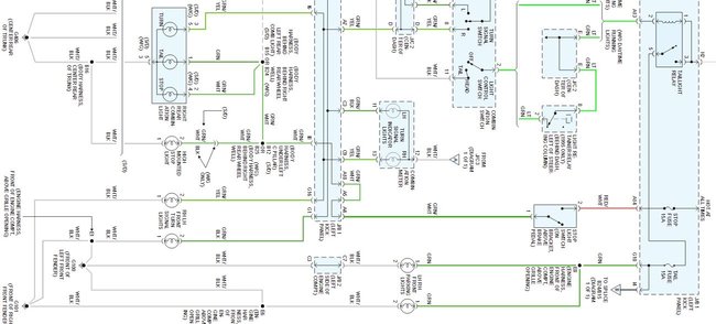
The brake light fuse is in the fuse panel above the left kick panel. I attached two pictures. First shows the fuse in a schematic and the second I included a picture of the fuse box and fuse location.

Here are a few links you may find helpful:

https://www.2carpros.com/articles/how-to-check-a-car-fuse

Let me know if this helps or if you have other questions. If you find the fuse isn't the issue, I'll explain what to check next. Check out the diagrams (Below). Let us know what happens and please upload pictures or videos of the problem.
Mar 17, 2021 at 6:16 PM (Merged)
Avatar
STEVE W.
  • CERTIFIED EXPERT
  • 15,113 POSTS
Welcome back to 2CarPros. The fuse will be in the box in the left kick panel. It will be marked as the Stop Fuse. From the fuse it goes to the stop light switch on the red wire. Then out of the switch on the green wire with white stripe. It feeds power to the rear brake lights and the upper brake light. You can test for power at the switch with just a test light. Also check the brake pedal at the switch, some of these use a plastic insert that goes into a hole that activates the switch, the plastic breaks and you get no brake lights.
Mar 17, 2021 at 6:16 PM (Merged)
Avatar
CHEVYMAN75
  • MEMBER
  • 1 POST
I have no brake lights replaced the fuse worked for a few than blew after I applied the brakes a couple of timed why replaced the fuse like four times and every time the fuse blew checked all other fuses and they r fine why does it keep blowing
Mar 17, 2021 at 6:16 PM (Merged)
Avatar
CARADIODOC
  • CERTIFIED EXPERT
  • 34,306 POSTS
A simple trick to finding a short is to replace the blown fuse with a pair of spade terminals, then use small jumper wires to connect them to a 12 volt light bulb. A brake light bulb works well. When the circuit is live and the short is present, the bulb will be full brightness and hot so be sure it's not laying on the carpet or against a plastic door panel. Now you can unplug electrical connectors and move things around to see what makes the short go away. When it does, the bulb will get dim or go out.

In this case you can place a stick between the seat and brake pedal to hold the pedal down. The brake light circuit will be turned on. If the test bulb is only lit up dimly, move the wiring harnesses around in the trunk, wiggle the signal switch, and / or bang around the back of the car with a rubber mallet. If you see the test bulb get bright or flicker, you're in the area of the short.

It sounds like the bulbs in the back are melted here is a guide that can help you fix the problem.

https://www.2carpros.com/articles/brake-lights-not-working

Please let us know what you find.

Cheers
Mar 17, 2021 at 6:16 PM (Merged)
Avatar
CHEVYMAN75
  • MEMBER
  • 1 POST
Yep you nailed it, the bulb socket in the back was melted.
Mar 17, 2021 at 6:16 PM (Merged)