headlights turn on during day instead of night

1998 TOYOTA COROLLA
Avatar
SONQN
  • MEMBER
  • 2 POSTS
Running headlights turn on during day instead of night. Manual headlight switch will turn on but turn of after running. Fuses fine.
Dec 20, 2007 at 10:37 PM
Advertisement
Avatar
MHPAUTOS
  • CERTIFIED EXPERT
  • 31,937 POSTS
Hi there,

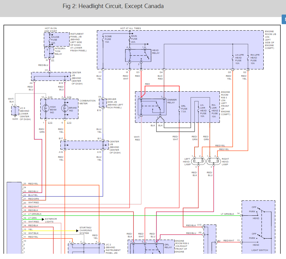
It sounds like the DRL module is out which is located behind the glove box but to be sure here is a wiring diagram and a guide to help you test to confirm the failure.

https://www.2carpros.com/articles/how-to-use-a-test-light-circuit-tester

Check out the diagrams (Below)

Mark (mhpautos)
Dec 21, 2007 at 4:45 AM
Avatar
SONQN
  • MEMBER
  • 2 POSTS
Hi,

I checked the relays under the hoods ( 2 of them ) and they were good.
When I flick the hi beam I can only see the light in the dash board.

So I replaced the DRl module used for 35.00 and that fixed it! I love this site

Thanks a lot.

Son
Dec 21, 2007 at 10:53 AM
Advertisement
Avatar
MHPAUTOS
  • CERTIFIED EXPERT
  • 31,937 POSTS
Hi there,

Glad you could get it fixed, that kind of problem can be tough. Please use 2CarPros anytime we are here to help

Cheers

Mark (mhpautos)
Dec 21, 2007 at 4:15 PM
Avatar
RASMATAZ
  • CERTIFIED EXPERT
  • 75,992 POSTS
This can be the two affecting your problem. Inspect and test the head light relay located at engine room junction block and the DRL Daytime Running Lights relay behind the dash above the glove box. See below


https://www.2carpros.com/forum/automotive_pictures/12900_drl_1.jpg


https://www.2carpros.com/forum/automotive_pictures/12900_exterior_lights_circuit_1.jpg

Sorry I didn't see the reply.
Dec 22, 2007 at 3:32 AM