blower fan for heat and AC

1995 TOYOTA COROLLA
24,500 MILES • 4 CYL • FWD • AUTOMATIC
Avatar
EMTTIM
  • MEMBER
  • 1 POST
My fan (internal/inside dashboard) stopped working. I do get air moving when the car is moving. What could be the problem? and how difficult to replace the fan.
Oct 18, 2008 at 4:00 PM
Advertisement
Avatar
RASMATAZ
  • CERTIFIED EXPERT
  • 75,992 POSTS
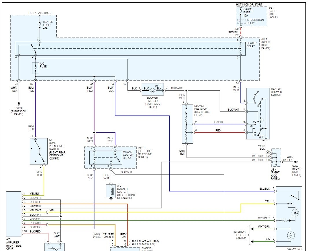
Check heater fuse 40amp and Gauge fuse 10amp, Heater relay, heater blower switch, blower motor resistor and blower motor

Read the guides below on testing wiring and using a test light, they will help you figure this out

https://www.2carpros.com/articles/how-to-check-wiring

https://www.2carpros.com/articles/how-to-use-a-test-light-circuit-tester

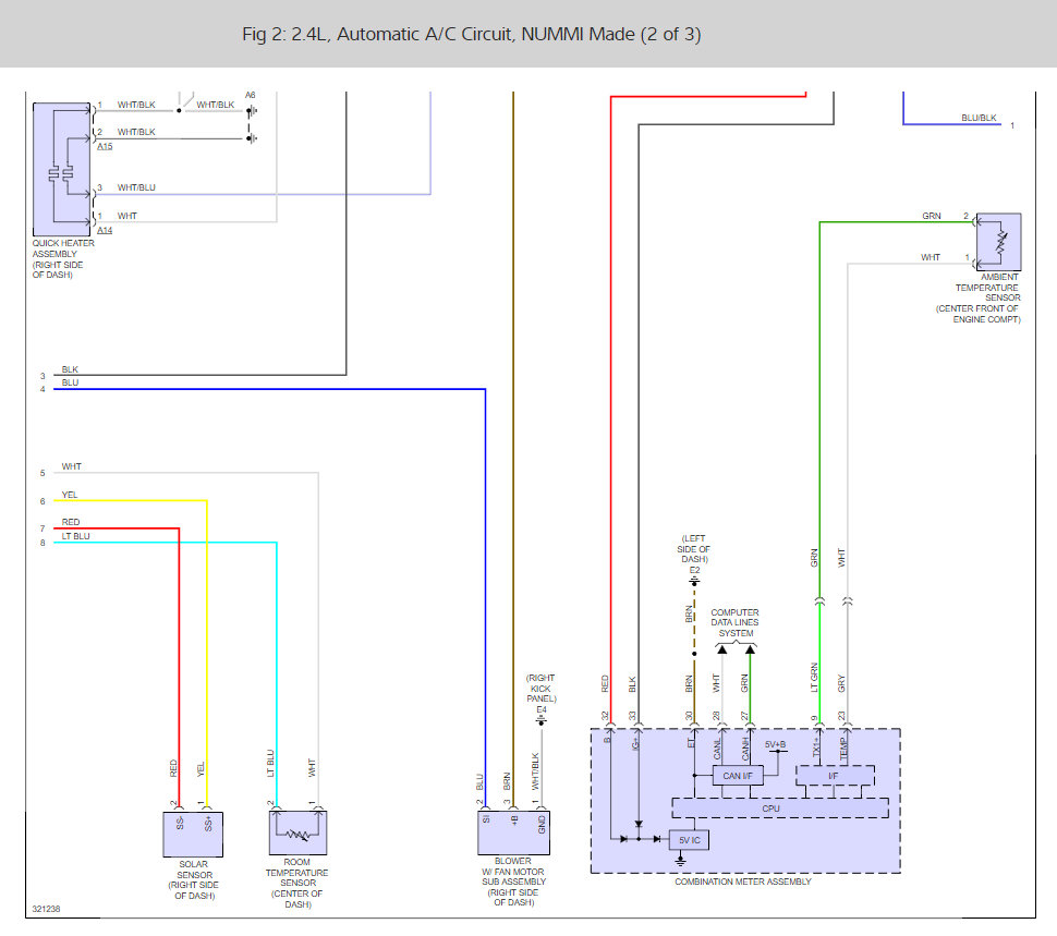
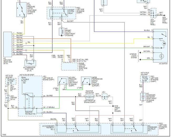
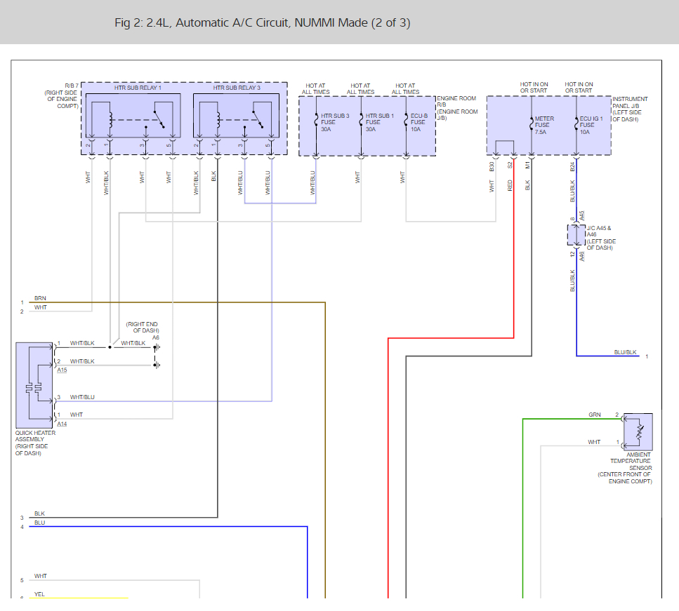
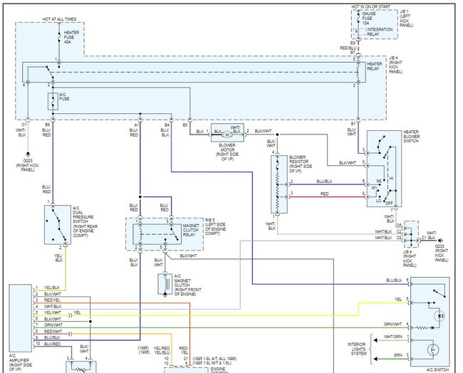
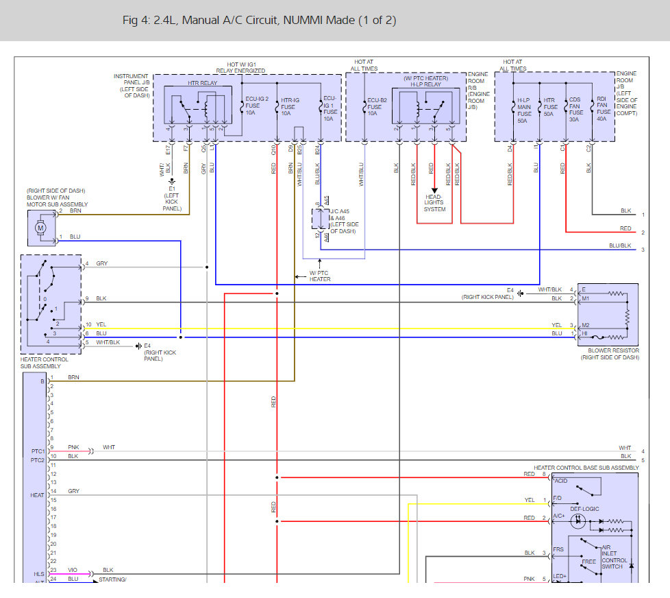
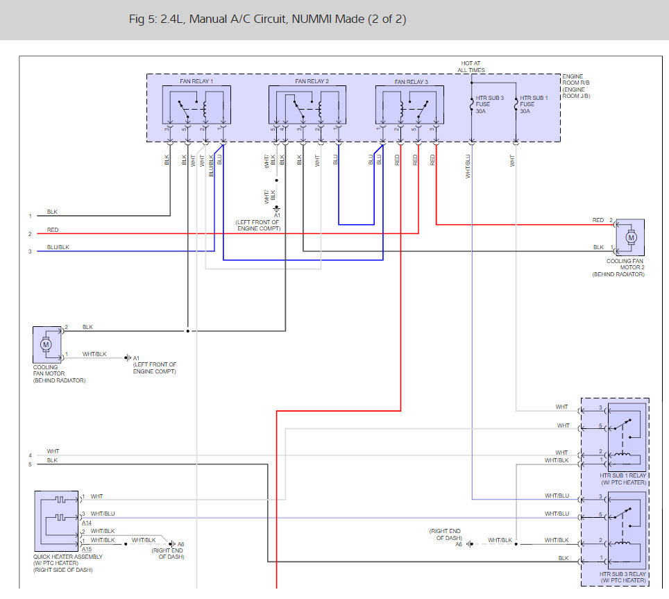
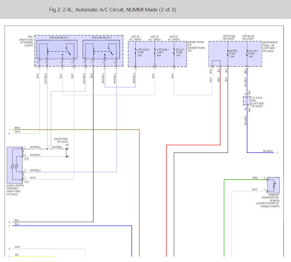
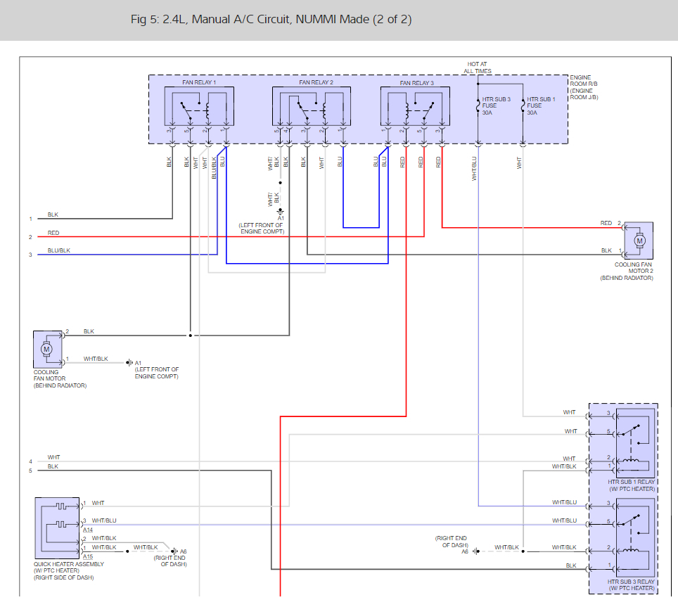
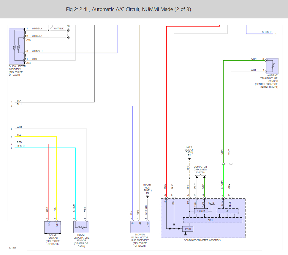
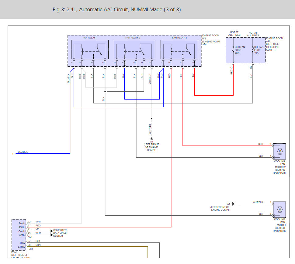
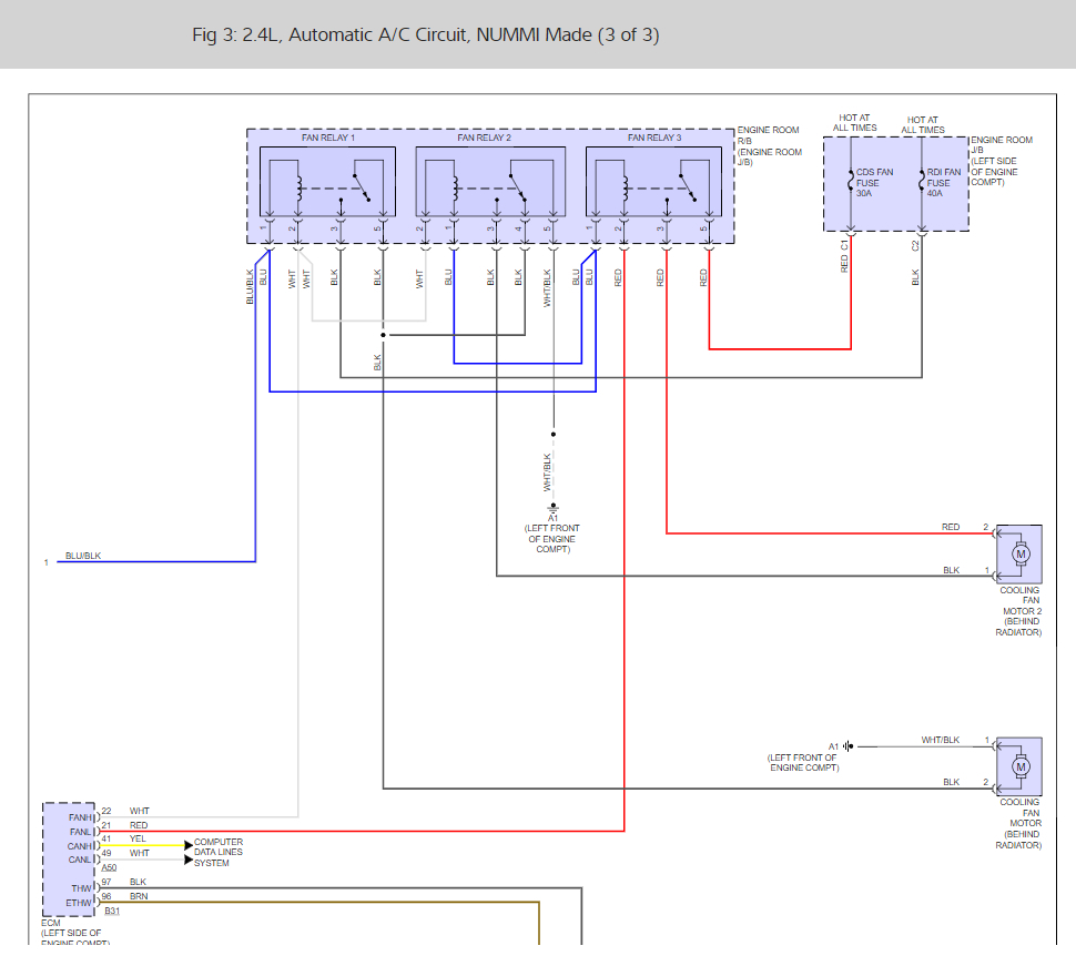
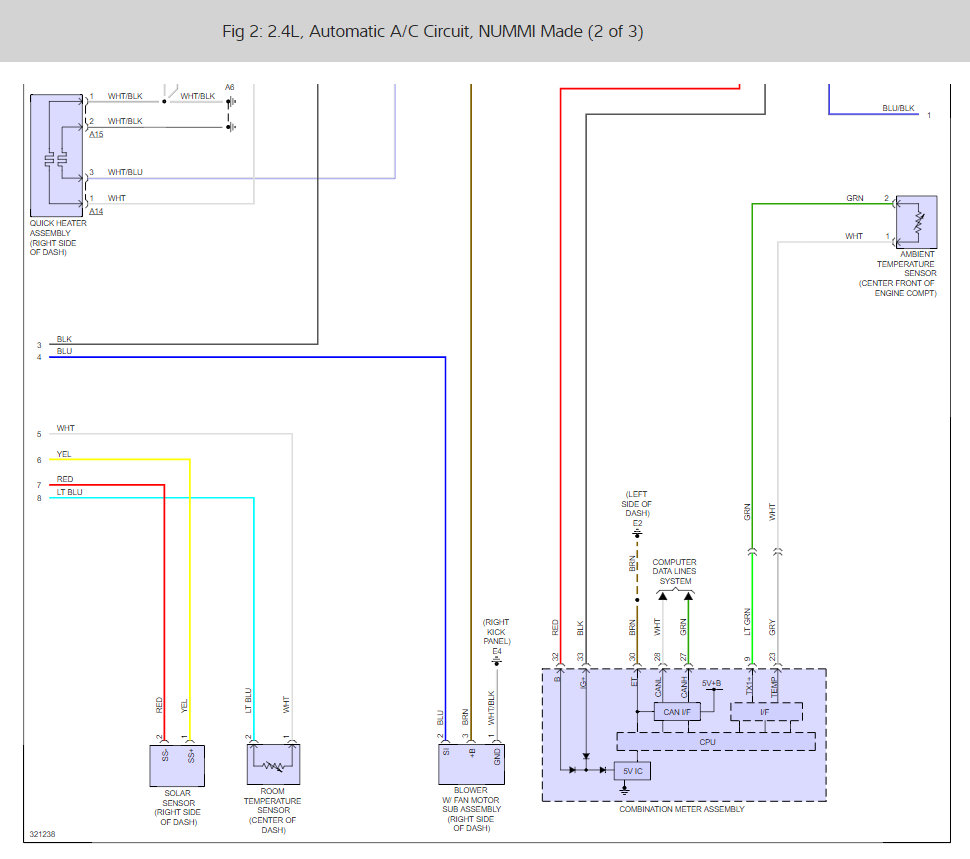
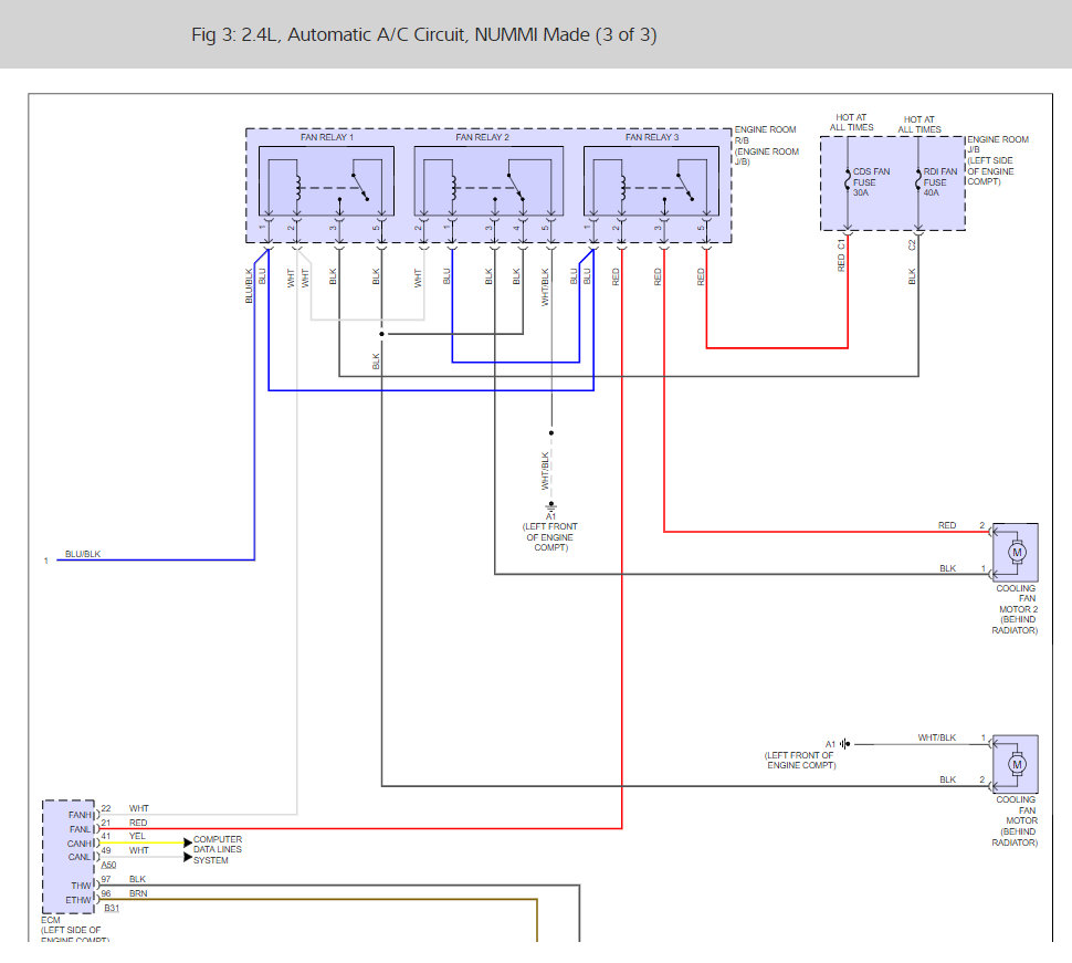
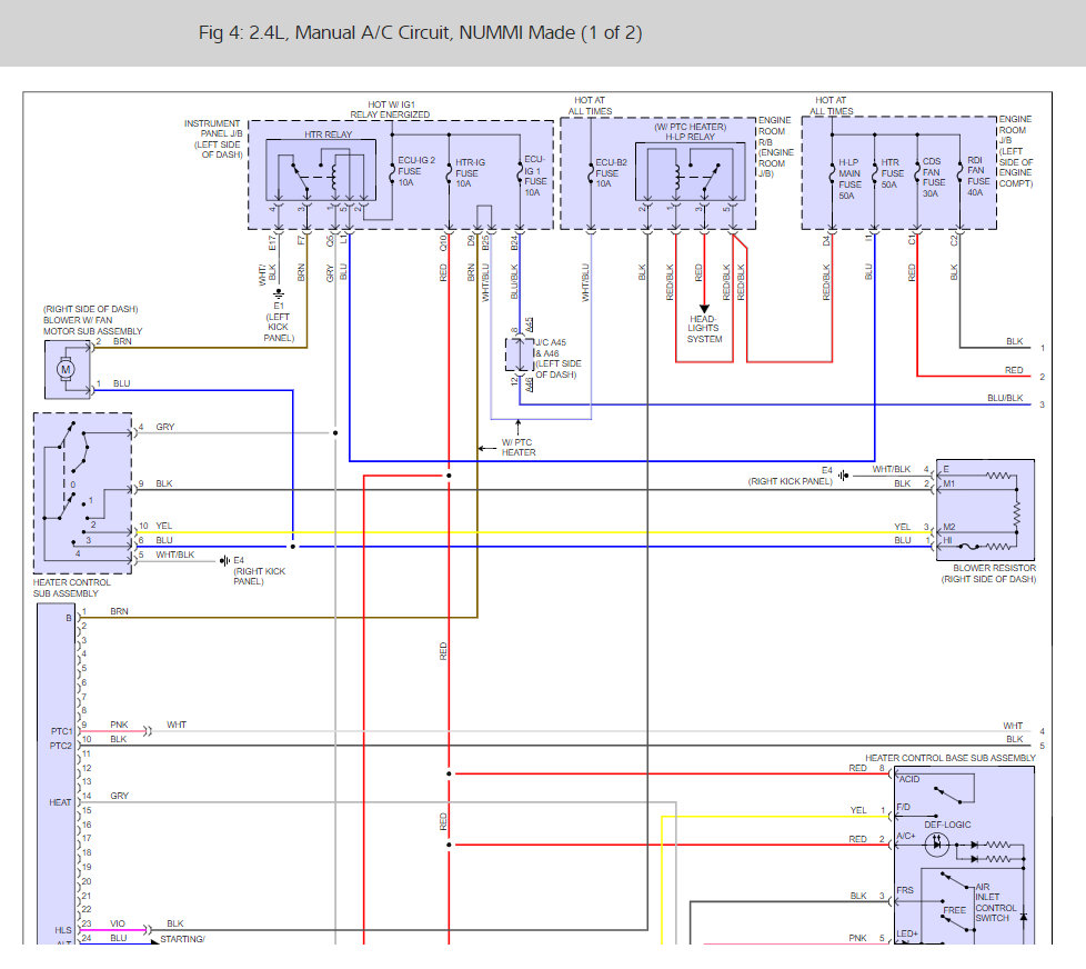
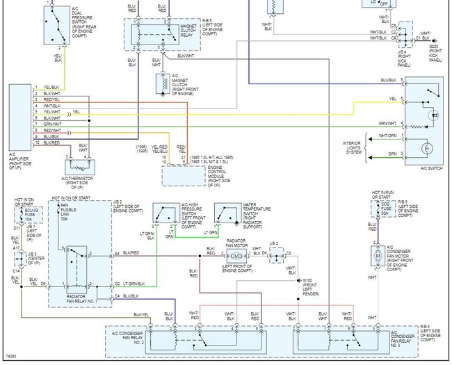
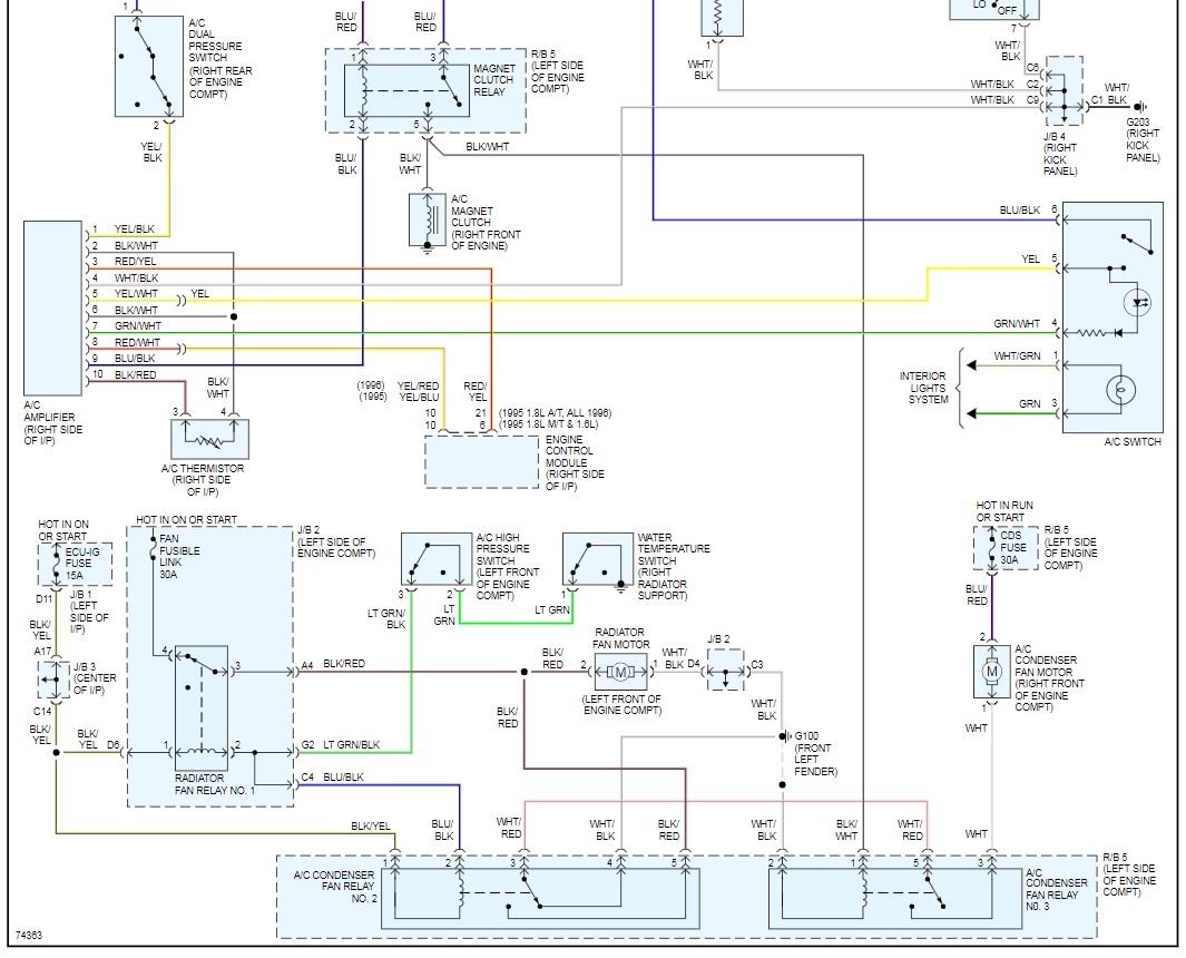
Attached below are the wiring diagrams for your blower motor
Oct 18, 2008 at 4:11 PM
Avatar
TOYOTA42
  • MEMBER
  • 1 POST
The heater blower stopped working. I checked and replaced the resistor as wa bad. I checked the fuse, circuit breaker, switch and relay and continuity was all ok. I tested the motor by connecting the two leads to the battery and it spun. I put it all back together and the blower still does not work. Do you think its actually the motor? I did pull the power plug from the motor and there is power at the plug. tested with a multireader.
help!
Nov 27, 2018 at 5:29 PM (Merged)
Advertisement
Avatar
SATURNTECH9
  • CERTIFIED EXPERT
  • 30,869 POSTS
So are you sure you have both a power ad ground to the blower plug?if so you have a loose connection at the connector.You said the motor works when hot wiring it so the motor is good.
Nov 27, 2018 at 5:29 PM (Merged)
Avatar
GIBBY56
  • MEMBER
  • 1 POST
My blower for the air conditioner and heater is not working. How do I trouble shoot it? What are the various components that may be bad?
Nov 27, 2018 at 5:29 PM (Merged)
Avatar
MMPRINCE4000
  • CERTIFIED EXPERT
  • 8,548 POSTS
Start by removing connector to motor and check for 12V, if none then fuse or control head in dash.

If 12V then motor is bad.

One thing that you can do is go to local "pick and pull", find a 90-92 Corolla or Geo Prizm and use it as a test car. Pull blower motor and control head, it will help with parts as well as a "how to" disassemble without tearing up your car.

If you find one, scavange all interior parts that are in good shape, as well as the two fuse boxes in engine compartment (they simply unplug). Some of those relays and fuseable links are very expensive to purchase from Toyota. Also remove distributor, the ignitor alone for the 4AFE engine costs over $300 from autoparts stores.
Nov 27, 2018 at 5:29 PM (Merged)
Avatar
BRODD5
  • MEMBER
  • 1 POST
blower motor always worked fine. Now it will work then not work. checked fuse, fuse is ok, replaced blower motor relay. with key on if you move switch to on, you can hear fhe relay click but no fan will come on in any speed position. This has happened before, then it will start working again at some point. And then nothing. ??? note" already donated but it was placed on the wrong question, that i picked that was close to my situation.
Nov 27, 2018 at 5:29 PM (Merged)
Avatar
RASMATAZ
  • CERTIFIED EXPERT
  • 75,992 POSTS
What liter engine is this?

Find the blower motor connector and disconnect it and power it direct from the battery and see if it comes on immediately-let me know
Nov 27, 2018 at 5:29 PM (Merged)
Avatar
GEORGIATIMMY
  • MEMBER
  • 4 POSTS
I have the same problem with my 95 corolla I found that if you reach under the glove box and shake the bundle of wires the blower will come back on. Mine also comes on and goes off as I am driving down the road after hitting a bump. I am guessing there is a lose wire or harness connector under there someplace. I just cant seem to figure out how to get it open enough to be able to look.
Nov 27, 2018 at 5:29 PM (Merged)
Avatar
STEVE4538
  • MEMBER
  • 1 POST
Interior problem
1995 Toyota Corolla 4 cyl Front Wheel Drive Manual

How do you remove the heater blower motor - the brushes are warn out
Nov 27, 2018 at 5:29 PM (Merged)
Avatar
MHPAUTOS
  • CERTIFIED EXPERT
  • 31,937 POSTS
Hi there,

Remove the glove box and the blower is there, 3 screws and its out.

Mark (mhpautos)
Nov 27, 2018 at 5:29 PM (Merged)
Avatar
NASCAR FAN 2000
  • MEMBER
  • 1 POST
1995 Toyota Corolla 4 cyl

How do I get to the haeter fan to replace it
Nov 27, 2018 at 5:29 PM (Merged)
Avatar
2CARPRO JACK
  • CERTIFIED EXPERT
  • 11,533 POSTS
You have to remove the glove box to get to it.Then you just unscrew and replace it
Nov 27, 2018 at 5:29 PM (Merged)
Avatar
JETTRIGGS
  • MEMBER
  • 1 POST
My ac speed knob, whether on off or full blast, consistently blows on the highest setting. I just replaced the resistor motor and It did not change anything. Could it be the actual ac knob inside the cabin, on the dash?

Also just to be clear, the blower is always on. And The heat works and the AC works, like my thermostat is fine. The blower will not turn off until I turn off my car
And the fuses are all fine too
Nov 27, 2018 at 5:29 PM (Merged)
Avatar
STRAILER
  • CERTIFIED EXPERT
  • 53,854 POSTS
Hey Jettriggs,

If you remove the panel and disconnect the switch does the fan still run?

Best, Ken

Nov 27, 2018 at 5:29 PM (Merged)
Avatar
PHREDSIEGEL
  • MEMBER
  • 1 POST
I have the same issue. Changed the resisistor and nothing changed. Dealer said it may be the motor control or switch bank both costing over $0. Think he is full of cr**. Thought on next thing to try?? Please ??
Nov 27, 2018 at 5:29 PM (Merged)
Avatar
STRAILER
  • CERTIFIED EXPERT
  • 53,854 POSTS
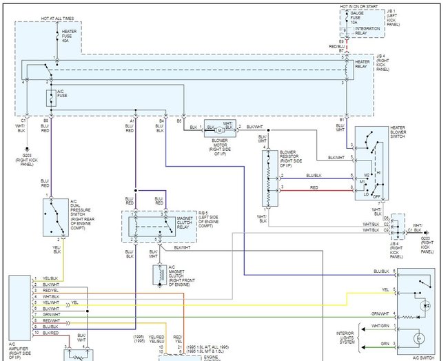
This sounds more like the air conditioner amplifier has gone out which controls the blower but to be sure lets do some simple tests. Here are some wiring diagrams and a guide to run the tests to make sure the unit is getting power and ground. If so I would think the amp has gone out. Im not sure if it is a plug and play or if you need to have it programmed.

https://www.2carpros.com/articles/how-to-use-a-test-light-circuit-tester

I would also check the fuses

https://www.2carpros.com/articles/how-to-check-a-car-fuse

Please let us know what happens so it will help others.

Cheers, Ken
Nov 27, 2018 at 5:29 PM (Merged)
Avatar
DONALD LINEBAUGH
  • MEMBER
  • 1 POST
i get heat but the blower does not work
Nov 27, 2018 at 5:29 PM (Merged)
Avatar
RASMATAZ
  • CERTIFIED EXPERT
  • 75,992 POSTS
BLOWER MOTOR
Removal & Installation
Disconnect negative battery cable. Remove glove box, if necessary. Unplug blower motor and resistor connectors. Remove blower motor. To install, reverse removal procedure.
Nov 27, 2018 at 5:29 PM (Merged)
Avatar
SUYOG_11
  • MEMBER
  • 4 POSTS
Toyota Corolla, 1998, 140K. My car's AC blower fan makes noise if I try to run it at slower speed. If I put the blower to run fast I do there is no noise. Please advise.
Nov 27, 2018 at 5:29 PM (Merged)
Avatar
KHLOW2008
  • CERTIFIED EXPERT
  • 41,814 POSTS
Hi suyog_11,

3 possible causes that I can think of.

1. Blower armature uneven.

2. Foreign materials lodged, eg leaves

3. Fan blades chipped or out of balance.
Nov 27, 2018 at 5:29 PM (Merged)
Avatar
SUYOG_11
  • MEMBER
  • 4 POSTS
Thanks for reply on this. How can I clean the leaves etc. so I can reduce the noise.
Nov 27, 2018 at 5:29 PM (Merged)
Avatar
CHRIS240966
  • MEMBER
  • 1 POST
How do I actually take apart the dash to check and replace the blower motor resistor in this year corolla. Would you happen to have instructions & or a schematic on this removal process? Thanks
Nov 27, 2018 at 5:30 PM (Merged)
Avatar
ASEMASTER6371
  • CERTIFIED EXPERT
  • 52,796 POSTS
BLOWER RESISTOR REMOVAL

Remove Glove Compartment Parts

2. Remove Blower Resistor

Disconnect the connector from the blower resistor.
Remove the 2 screws and the blower resistor.

BLOWER RESISTOR INSTALLATION
Installation is in the reverse order of removal
Nov 27, 2018 at 5:30 PM (Merged)
Avatar
BIEDRZYCKIJOSEPH
  • MEMBER
  • 3 POSTS
Fan blower/air doesn't run at "high" only at the two lowest fan speeds on '93 corolla. Please help...hottest day of the year. Thanks!
Nov 27, 2018 at 5:30 PM (Merged)
Avatar
KHLOW2008
  • CERTIFIED EXPERT
  • 41,814 POSTS
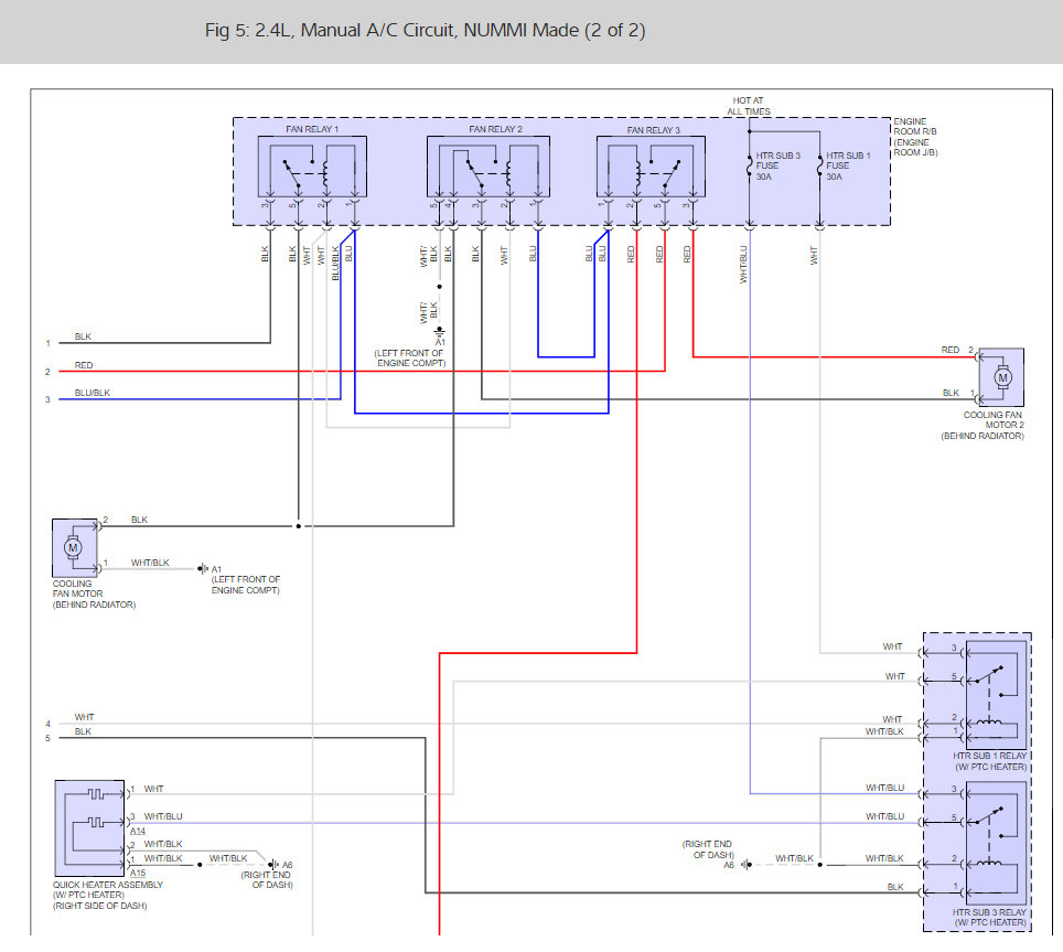
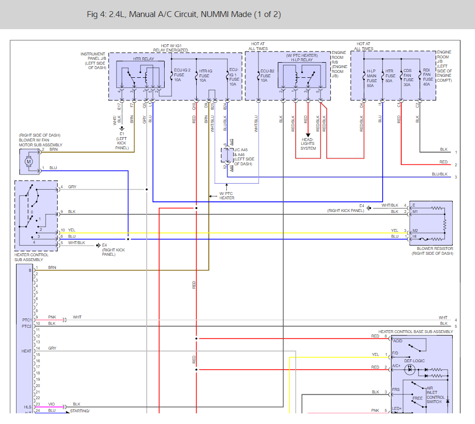
Attached is a diagram of the wiring circuit. I believe the blower motor switch is faulty.
Nov 27, 2018 at 5:30 PM (Merged)