door locks not working (with windows)?

1999 TOYOTA CAMRY
Avatar
ELMACHIN
  • MEMBER
  • 2 POSTS
When I push either the driver or passenger door lock switch or key fob all doors will lock or unlock.

However, if I keep pushing lock/unlock/lock the drivers door will stop responding, but the other three doors will operate properly. Then, if I push lock/unlock repeatedly 4-5 times then the passenger door will stop responding. The back doors will always work properly.

The main problem is that sometimes in the afternoon (it seems to be correlated to heat because the problem is always worse in the afternoons) the drivers side door will not work at all. When I use the key fob I will think I'm locking all the doors and the drivers side door will remain unlocked. Or when I try to unlock the vehicle with the fob all the doors will unlock except the drivers side.
Mar 22, 2007 at 7:55 AM
Advertisement
Avatar
2CARPRO JACK
  • CERTIFIED EXPERT
  • 11,533 POSTS
It could be the main switch but to be sure lets start by checking the fuses here is a guide to help with the door locks wiring diagrams and fuse panels in the diagrams below.

https://www.2carpros.com/articles/how-to-check-a-car-fuse

Check out the diagrams (Below). Please let us know what happens.
Aug 12, 2019 at 5:45 PM
Avatar
ELMACHIN
  • MEMBER
  • 2 POSTS
thank you it was the door lock fuse #25 in the fuse panel.
Aug 12, 2019 at 5:45 PM
Advertisement
Avatar
JIMMY 2019
  • MEMBER
  • 1 POST
Remote mirror works and speaker in door works. So I am thinking it is not a broken wire or could it still be that?

I have tried to find the pink 30A fuse. I have looked and looked. Driver side panel, driver side kick panel, passenger side kick panel and all three fuse and relay compartments under the hood. I do not find a fuse for the power doors and windows. The manual has a diagram but it is not correct for my car (Canada).

Help. Where do I find that damn hidden fuse?
Dec 17, 2020 at 12:18 PM (Merged)
Avatar
STRAILER
  • CERTIFIED EXPERT
  • 53,854 POSTS
Hello,

There is a main power relay and a 30 amp fuse in the interior fuse panel that need to be checked. here is the fuse and relay location with how to check the fuse and relay:

https://www.2carpros.com/articles/how-to-check-a-car-fuse

and

https://www.2carpros.com/articles/how-to-check-an-electrical-relay-and-wiring-control-circuit

Check out the diagrams (below). Please let us know what you find.
Dec 17, 2020 at 12:18 PM (Merged)
Avatar
RALPH61
  • MEMBER
  • 2 POSTS
thanks guys! the widows and door locks quit working on my daughters camry all of a sudden i have checked all known fuses under the hood and inside can not find the problem!

where are the fuses for the door locks and windows or do you think that is the problem thanks Ralph
Dec 17, 2020 at 12:19 PM (Merged)
Avatar
TOYOTECH
  • MEMBER
  • 33 POSTS
to the left of the steering wheel there is an access panel- behind it is a fuse block that contains a 20 or 30A fuse for the windows and door locks. It has a clear plastic top about half the size of a postage stamp.You should be able to see the fuse link in it and whether or not it is intact or burned. If the fuse is good, you may have broken wires in the d/s door harness-open the door and you will see the rubber sleeved harness leave the door and go into the body by the left kick panel- the wires typically break there. If the fuse is blown you may have a motor or actuator that is either shorted or drawing too much current and/or a problem in the wire harness.
Dec 17, 2020 at 12:19 PM (Merged)
Avatar
RALPH61
  • MEMBER
  • 2 POSTS
thanks a bunch for the info i'll check it out! Ralph
Dec 17, 2020 at 12:19 PM (Merged)
Avatar
TONYA HUDSON2
  • MEMBER
  • 15 POSTS
My car windows and door locks are not working. How do I find out exactly what the problem is?
Dec 17, 2020 at 12:19 PM (Merged)
Avatar
STRAILER
  • CERTIFIED EXPERT
  • 53,854 POSTS
Hello,

It sounds like the main power relay is not working. Here is a guide to help you test the relay and the relay location along with the wiring diagrams so you can see how the system works:

https://www.2carpros.com/articles/how-to-check-an-electrical-relay-and-wiring-control-circuit

#29 is the power relay. Check out the diagrams (below). Please let us know what happens.

Cheers, Ken
Dec 17, 2020 at 12:19 PM (Merged)
Avatar
CHRIS MAJ
  • MEMBER
  • 3 POSTS
Windows and power locks quit working. Replaced fuses and master switch on driver door, still not working.
Dec 17, 2020 at 12:19 PM (Merged)
Avatar
CARADIODOC
  • CERTIFIED EXPERT
  • 34,306 POSTS
Best suspect is broken or frayed wires between the door hinges.
Dec 17, 2020 at 12:19 PM (Merged)
Avatar
CHRIS MAJ
  • MEMBER
  • 3 POSTS
Wires look fine.
Dec 17, 2020 at 12:19 PM (Merged)
Avatar
CHRIS MAJ
  • MEMBER
  • 3 POSTS
Test light lights up at power on master switch, but still nothing happens.
Dec 17, 2020 at 12:19 PM (Merged)
Avatar
CARADIODOC
  • CERTIFIED EXPERT
  • 34,306 POSTS
What about the ground wire? Check the voltage on the power window motor's connector, but that has to be done with it plugged in. If the ground circuit is open, you will find twelve volts on both motor wires regardless which way the switch is pressed.

Those two motor wires can be found at the switch too, but without digging up a wiring diagram, I do not know what the wire colors are. The clue is you should have twelve volts on one wire only, then, when the switch is pressed, you should have twelve volts on a second wire. If the ground circuit is open, you will find twelve volts on all of the wires at the switch.
Dec 17, 2020 at 12:19 PM (Merged)
Avatar
JO56
  • MEMBER
  • 3 POSTS
i have taken apart the master control panel for the window lock and door lock and a spring fell out im not sure where that goes. the doors unlock/lock but there is no power in the locks or windows im not sure what to do did i burn a fuse?
Dec 17, 2020 at 12:20 PM (Merged)
Avatar
ASEMASTER6371
  • CERTIFIED EXPERT
  • 52,796 POSTS
you most likely will need to replace the master switch assembly.

Roy
Dec 17, 2020 at 12:20 PM (Merged)
Avatar
JO56
  • MEMBER
  • 3 POSTS
the passenger side doesnt work either i push the lock/unlock switch and window switch nothing happens. by replacing the master switch assembly will both sides work and power return to the door locks and stuff?
Dec 17, 2020 at 12:20 PM (Merged)
Avatar
ASEMASTER6371
  • CERTIFIED EXPERT
  • 52,796 POSTS
from your description and if it is accurate, yes. besides, the switch came apart and needs to be replaced.

Roy
Dec 17, 2020 at 12:20 PM (Merged)
Avatar
JO56
  • MEMBER
  • 3 POSTS
i replaced the switch and both sides still do not work. i checked all the fuses and every fuse under the hood and below the steering wheel all ok perfect condition. still the Door locks wont lock or unlcok and windows wont move. any other ideas? the lights on the bottom of the doors both work.
Dec 17, 2020 at 12:20 PM (Merged)
Avatar
SPRAVECEK
  • MEMBER
  • 2 POSTS
Hi my power windows and locks are not working..i cannot find the fuse that is causing this problem. i have checked every fuse twice. Would it be under the hood or in the drives panel? i also checked the kicker panel on the floor. Please help
Dec 17, 2020 at 12:20 PM (Merged)
Avatar
RASMATAZ
  • CERTIFIED EXPERT
  • 75,992 POSTS
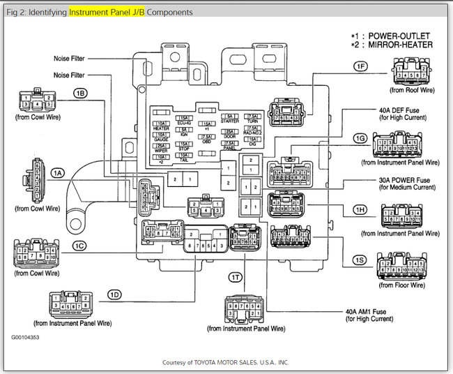
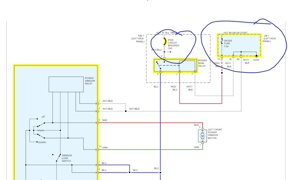
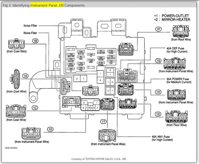
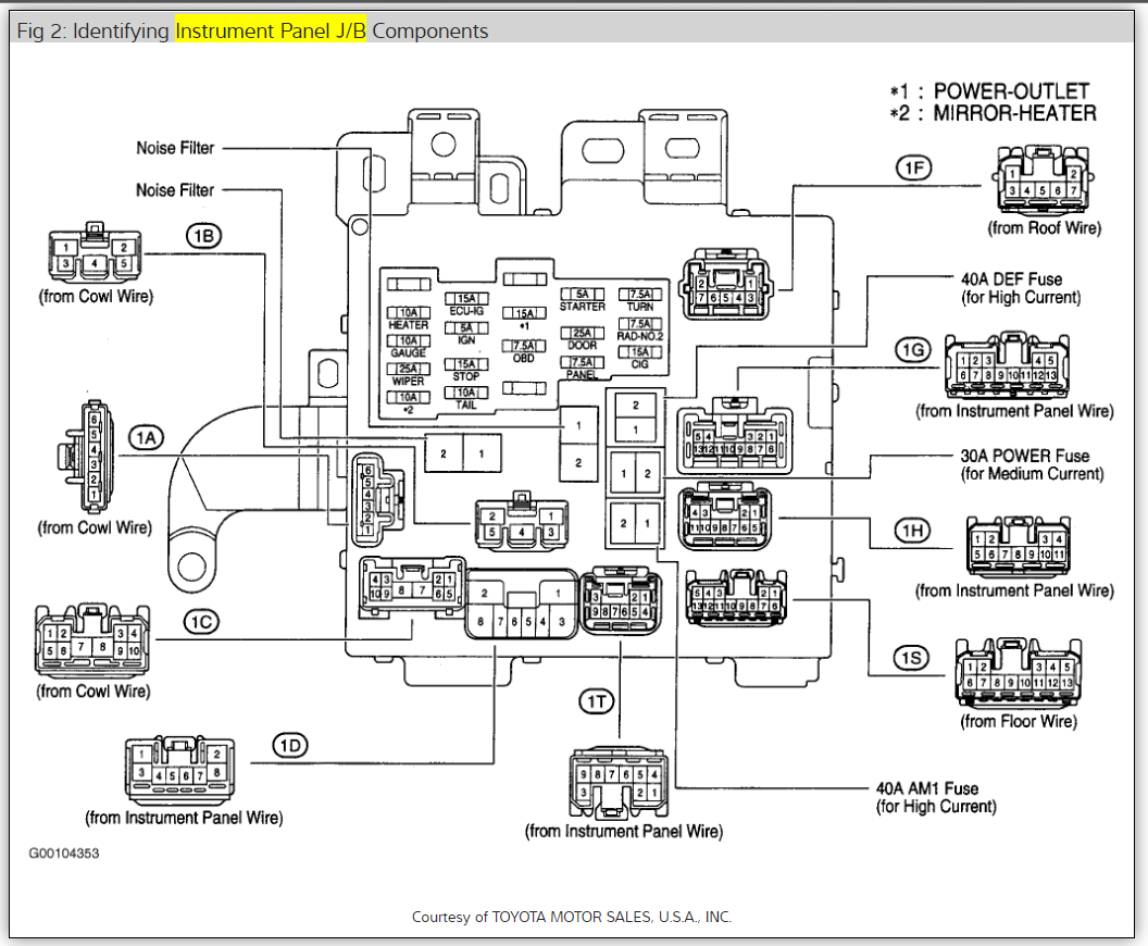
For door locks/windows -check power fuse 30qmp and gauge fuse 10amp in the J/B #1 left side of instrument panel. If okay check the main relay same location
Dec 17, 2020 at 12:20 PM (Merged)
Avatar
SPRAVECEK
  • MEMBER
  • 2 POSTS
i will donate if we can find the problem..all of my fuses are fine. Unless its a relay that im not sure how to check
Dec 17, 2020 at 12:20 PM (Merged)
Avatar
RASMATAZ
  • CERTIFIED EXPERT
  • 75,992 POSTS
Are both fuse as mentioned earlier are okay if so do below

Find the main relay on fuse/relay block no.2 on left inner fender panel. Swap it with a like relay or replace it. Did it work?? No do below

Now open the drivers door panel at the master switch check for power at the blue wire, turn key On. Do you have it-let me know
Dec 17, 2020 at 12:20 PM (Merged)
Avatar
TIMOTHY J RADA
  • MEMBER
  • 21 POSTS
Since I purchased the car the windows and the power locks have not done anything. I don't know where to begin to look. I don't know what to look for. any advice on this and diagrams whatever could help me. thank you
Dec 17, 2020 at 12:20 PM (Merged)
Avatar
ASEMASTER6371
  • CERTIFIED EXPERT
  • 52,796 POSTS
Good morning,

I attached the wiring diagrams for both areas. They are both powered off the same breaker in the fuse block. Verify power on both sides of the circuit breaker with the key in the on position.

https://www.2carpros.com/articles/how-to-check-a-car-fuse

https://www.2carpros.com/articles/how-to-check-wiring

Roy
Dec 17, 2020 at 12:20 PM (Merged)
Avatar
JACOBANDNICKOLAS
  • CERTIFIED EXPERT
  • 110,175 POSTS
Hi,

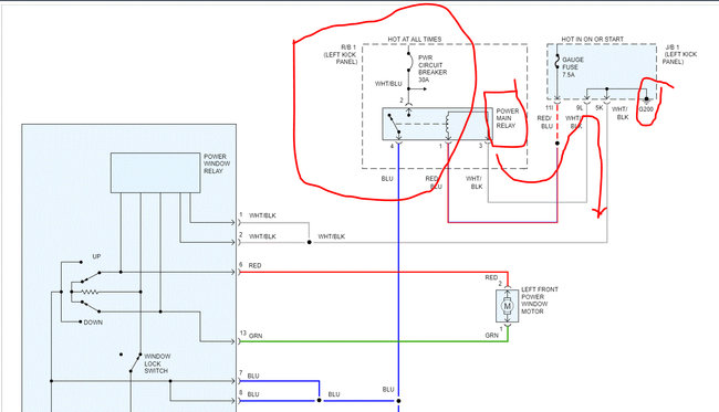
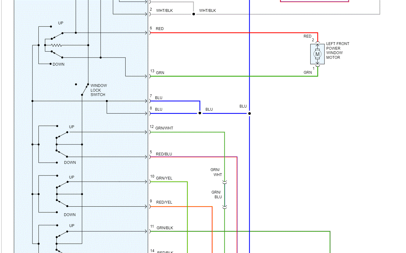
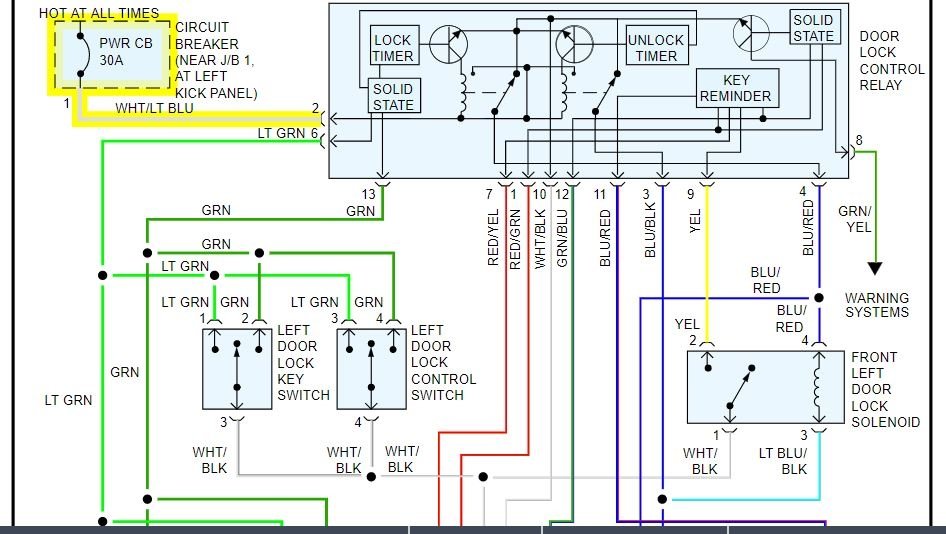
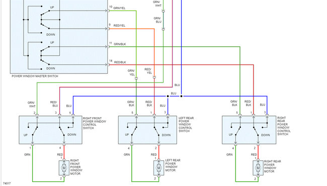
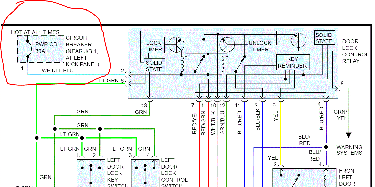
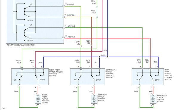
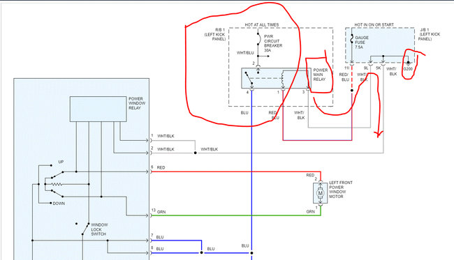
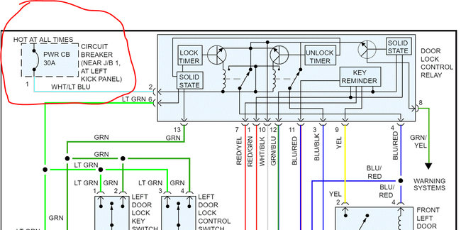
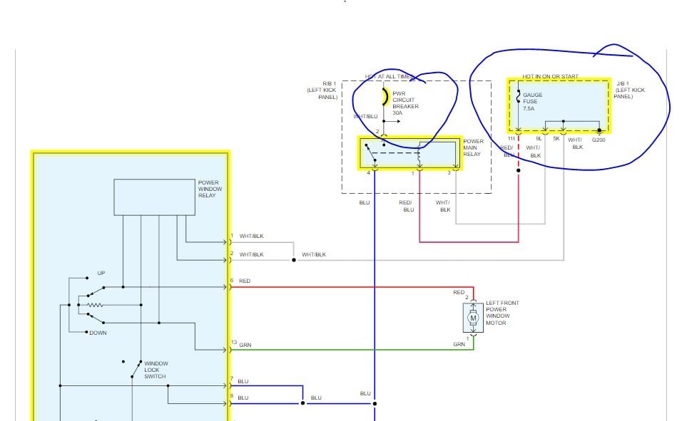
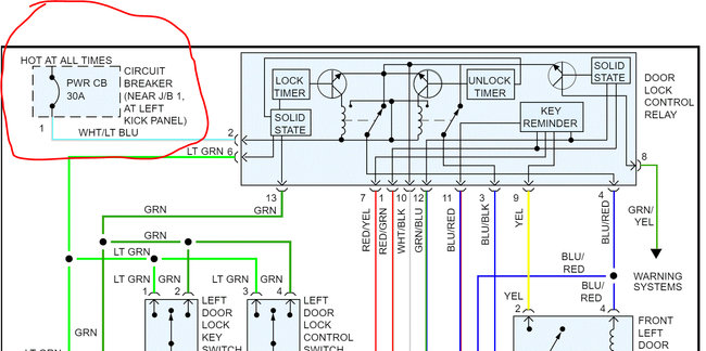
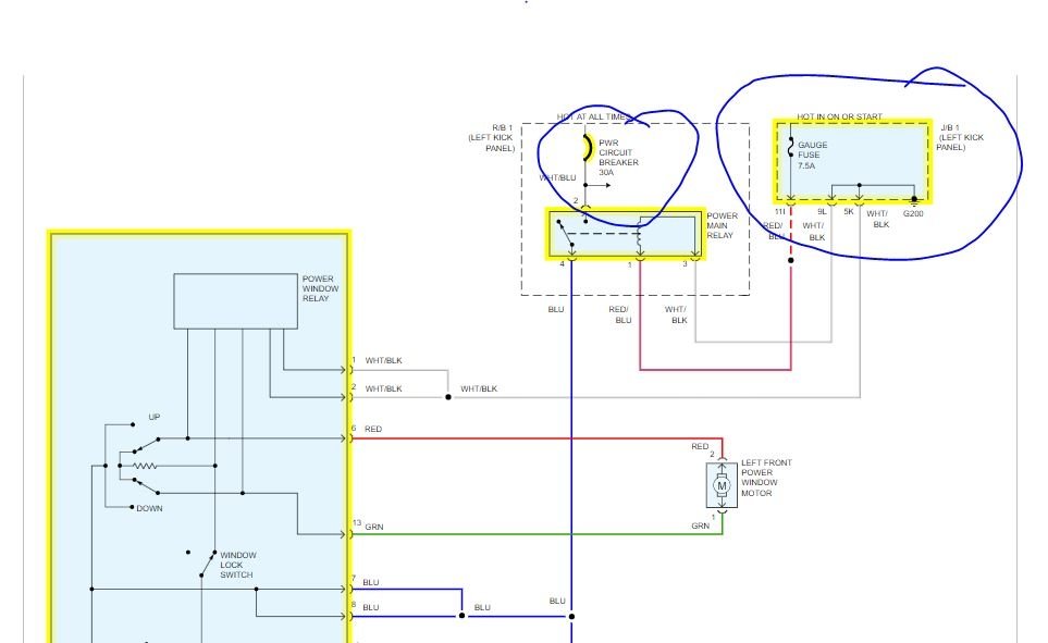
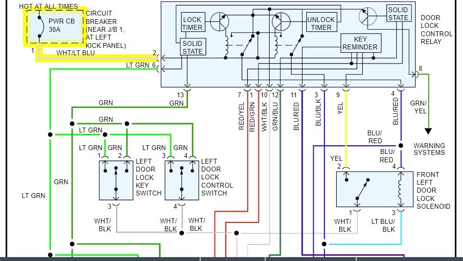
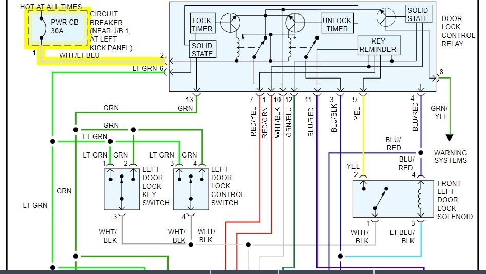
I have attached a few pics below of the wiring schematics. The first three pertain to the windows. Picture 4 shows power for the locks. Since none of them are working, the first thing you need to confirm is there is power from the circuit breakers. For the windows, you need to check for power to the blue wire and the white/black wire. As far as the locks, the white/light blue wire should always have power.

Here are a few links you may find helpful:

https://www.2carpros.com/articles/how-to-use-a-test-light-circuit-tester

https://www.2carpros.com/articles/how-to-use-a-voltmeter

https://www.2carpros.com/articles/how-to-check-wiring

If there is power, check to make sure the grounds indicated are good.

Take care,
Joe
Dec 17, 2020 at 12:20 PM (Merged)