☰
Login
Join
×
Home
Answered Questions
Repair Topics
Repair & Service Guides
Popular Questions
Warning Lights
Trouble Codes
How It Works
Testing / Diagnostics
Symptoms
Videos
Login
Become a Member
Home
Toyota
Camry
Electrical
Fuse Panel
Location
What tools do I need to check the fuses
2007 TOYOTA CAMRY
GARYAJA
MEMBER
1 POST
FOLLOW
What tools do I need to check the fuses and where are the panels located?
Feb 16, 2010 at 11:15 AM
Advertisement
DANNY L
CERTIFIED EXPERT
5,648 POSTS
Hello, I'm Danny.
Here is the information you requested. Here are a few tutorials for you to view on how to check and replace fuses:
https://www.2carpros.com/articles/how-a-car-fuse-works
https://www.2carpros.com/articles/how-to-check-a-car-fuse
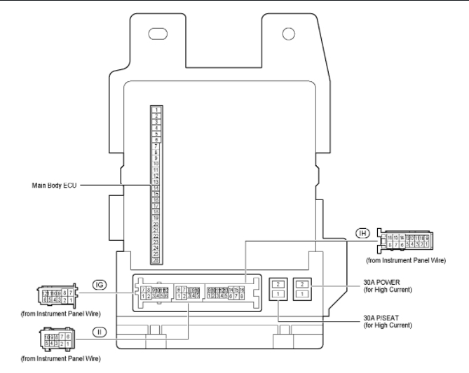
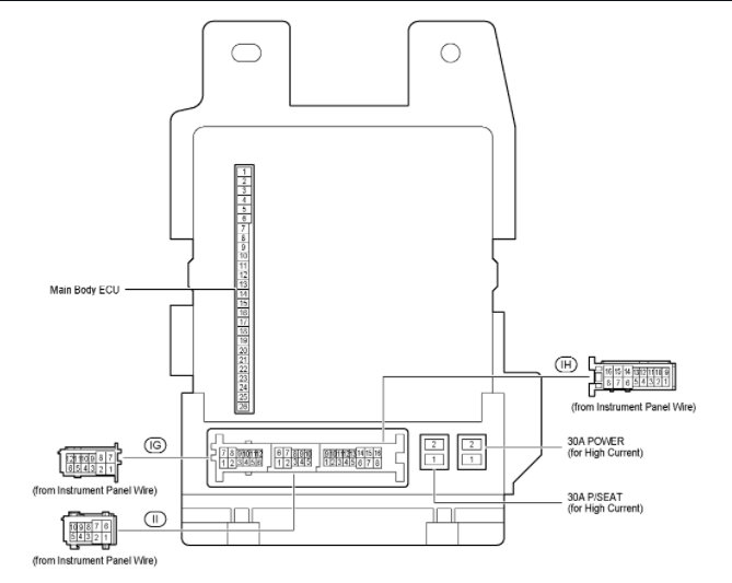
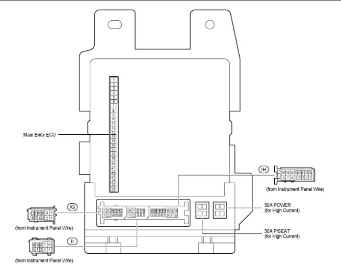
I've attached pictures below showing the fuse and relay locations on your car. Hope this helps and thanks for using 2CarPros.
Images (Click to enlarge)
Jun 15, 2021 at 10:57 PM