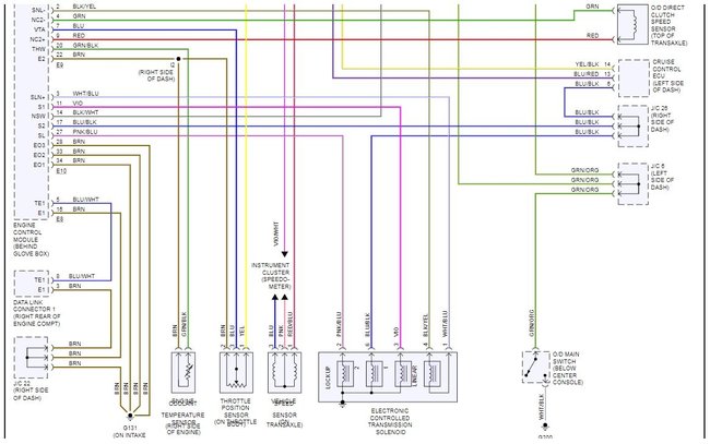
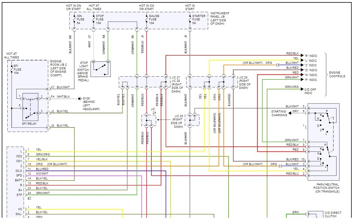
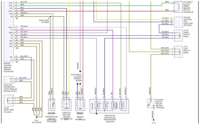
My car listed above has suddenly thrown a shift solenoid code.
This occurred the other day when I was parked at a red light.
When I began to proceed, the vehicle would hardly moved when accelerating, as if the first gear was slipping.
The check engine light illuminated instantly at that time.
However, after pulling to the side of the road, I was actually able to drive normally again for the rest of the day.
It is an intermittent issue I suppose.
The transmission fluid and filter has been changed, not flushed, about 3 months ago.
Light pink color, but with a little dark.
I have looked into it an it seems it’s an electrical issue.
This makes sense because the car shifted great the rest of the day.
Any help would be appreciated as the winter is approaching here in Minnesota.
I have attached my code description from Blue Driver for reference.
Sep 27, 2020 at 10:57 AM
(Merged)