Dome Light

2000 TOYOTA CAMRY
Avatar
FATBOYPIZZAEATER
  • MEMBER
  • 1 POST
I have a 2000 v6 LE camry with 65K milegage on it. My car's dome light is not glowing and I checked the bulb and it is good. I was trying to check the fuse (one under the change holder and one under the hood) and could not find any fuse labeled by "dome". How could I find and replace it. All other interiors (Radio, dashboard) are working fine.
Thanks and I appreciate your time.
May 21, 2007 at 12:06 PM
Advertisement
Avatar
STRAILER
  • CERTIFIED EXPERT
  • 53,854 POSTS
Hello,

That fuse is in the under hood fuse box,fuse #14 = 7.5AMP here is a guide to help you test the fuse.

https://www.2carpros.com/articles/how-to-check-a-car-fuse

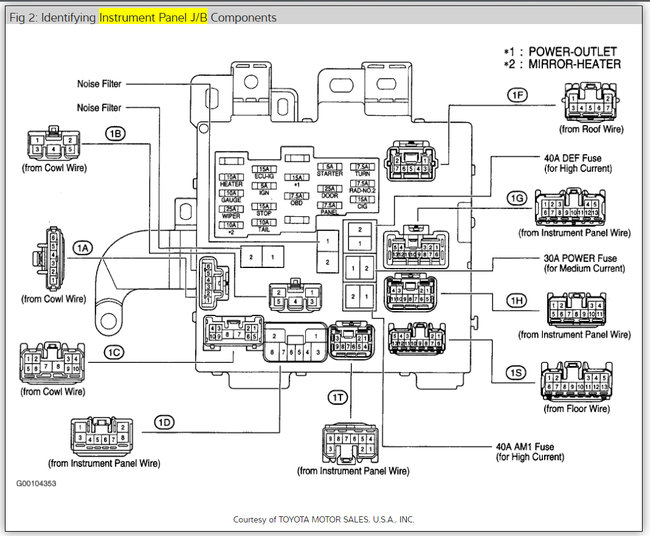
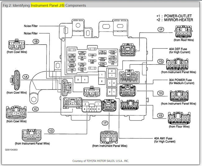
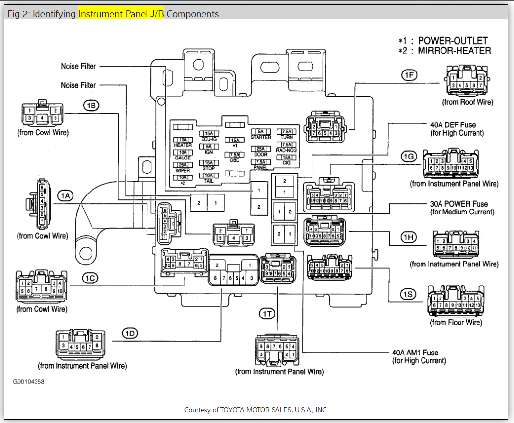
Here are the fuse panel locations and identification (below) you should keep this page in your favorites for future reference. It shows the relays as well

Check out the diagrams (Below)

Please let us know if you need anything else to get the problem fixed.

Cheers, Ken
Feb 13, 2018 at 12:30 PM
Avatar
MICHAEL SAPP
  • MEMBER
  • 1 POST
Thank you!
Feb 13, 2018 at 12:30 PM
Advertisement