location fuel pump relay

1999 TOYOTA CAMRY
177,000 MILES • 4 CYL • FWD • AUTOMATIC
Avatar
GARY14
  • MEMBER
  • 1 POST
looking for location of fuel pump relay?
Jan 7, 2010 at 3:57 PM
Advertisement
Avatar
RASMATAZ
  • CERTIFIED EXPERT
  • 75,992 POSTS
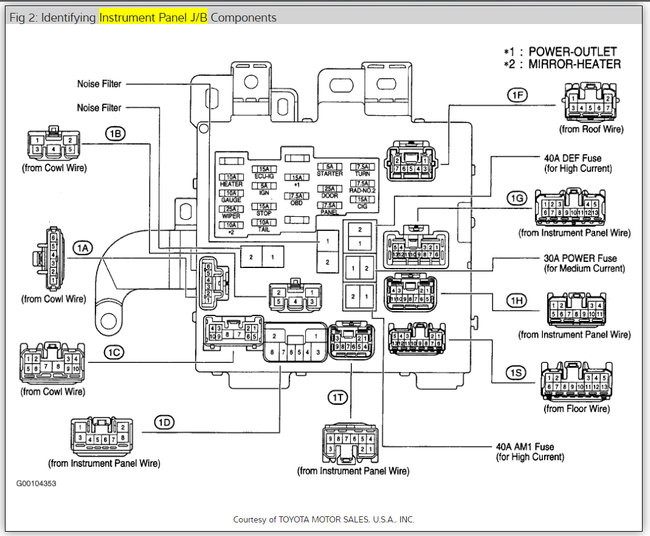
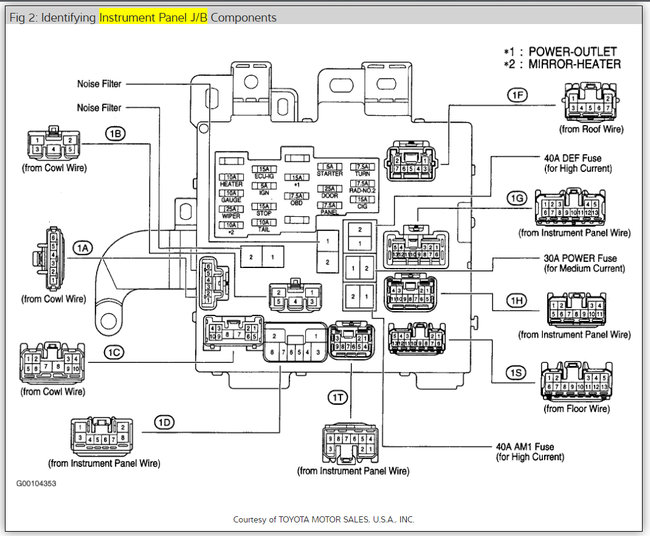
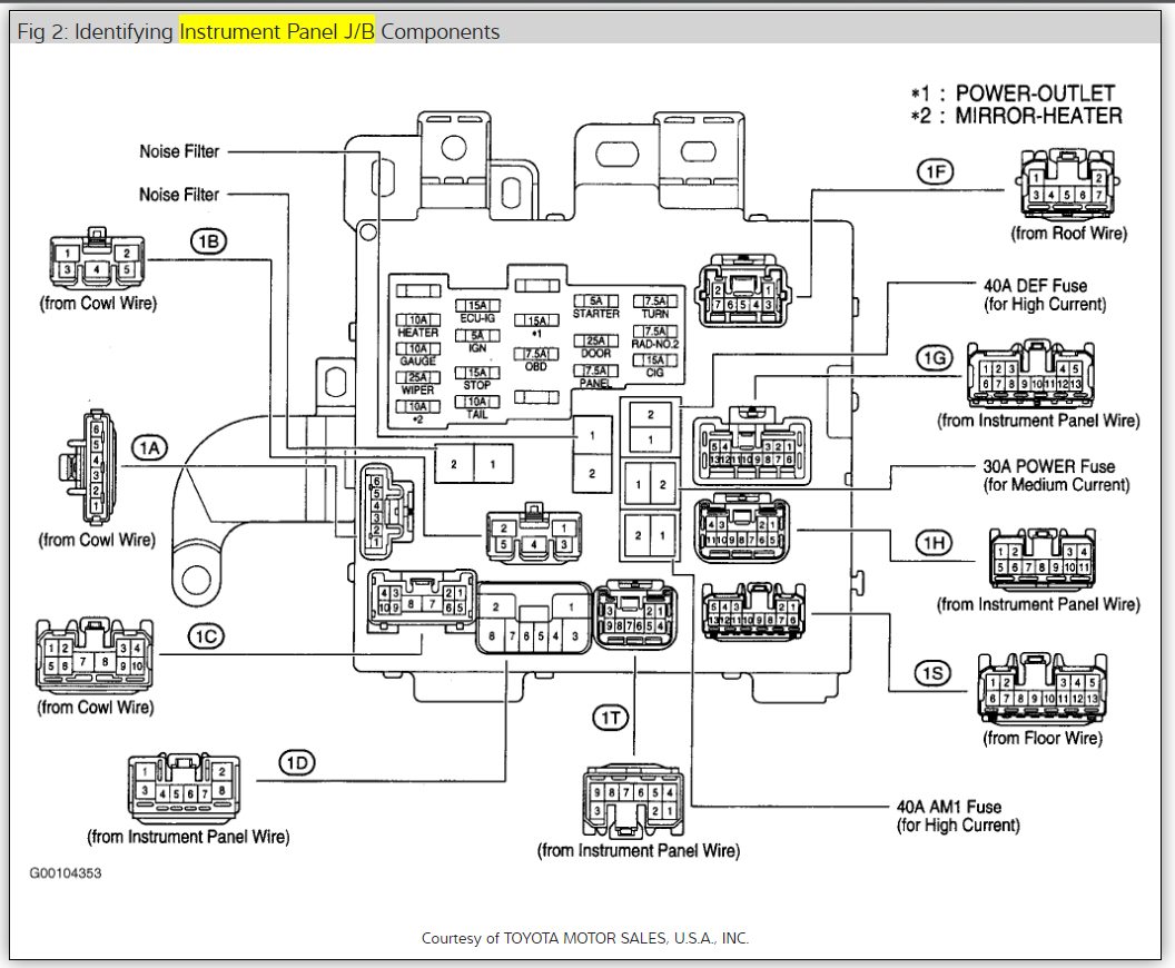
The relay you're looking for is the circuit opening relay which is located in the engine compartment in relay box no.1 Here is a guide to help check it with the diagrams of the location below.

https://www.2carpros.com/articles/how-to-check-an-electrical-relay-and-wiring-control-circuit

Check out the diagrams (Below). Please let us know if you need anything else to get the problem fixed.
Jan 7, 2010 at 7:32 PM
Avatar
TEXACA
  • MEMBER
  • 34 POSTS
where is the fuel pump relay on a 1998 toyota camry located.
Apr 17, 2019 at 11:40 AM (Merged)
Advertisement
Avatar
HMAC300
  • CERTIFIED EXPERT
  • 48,601 POSTS
The fuel pump relay is called a EFI relay and its located under the hood.

Here is a guide to help you test the relay

https://www.2carpros.com/articles/how-to-check-an-electrical-relay-and-wiring-control-circuit

Here are the fuse and relay locations

Check out the diagrams (Below)

Please let us know if you need anything else to get the problem fixed.

Cheers
Apr 17, 2019 at 11:40 AM (Merged)
Avatar
TEXACA
  • MEMBER
  • 34 POSTS
wow.. thanx that was a fast response.. Thank you very much for your assistance. I was asking for a friend of mind. I'm not working on the car, a friend of his is. And, they were not sure where the relay was located. I had an general idea of where it should be. I'll forward your diagram to him. Thanx again, HMAC300
Apr 17, 2019 at 11:40 AM (Merged)