Hello,
I was writing this up at the same time you where submitting your response LOL. Glad you got it fixed I hope this information I have gather will help someone else.
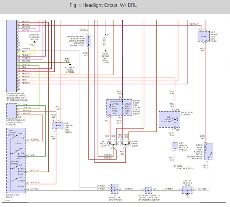
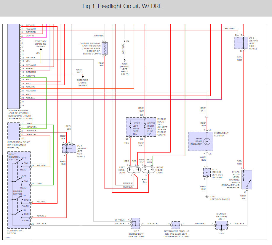
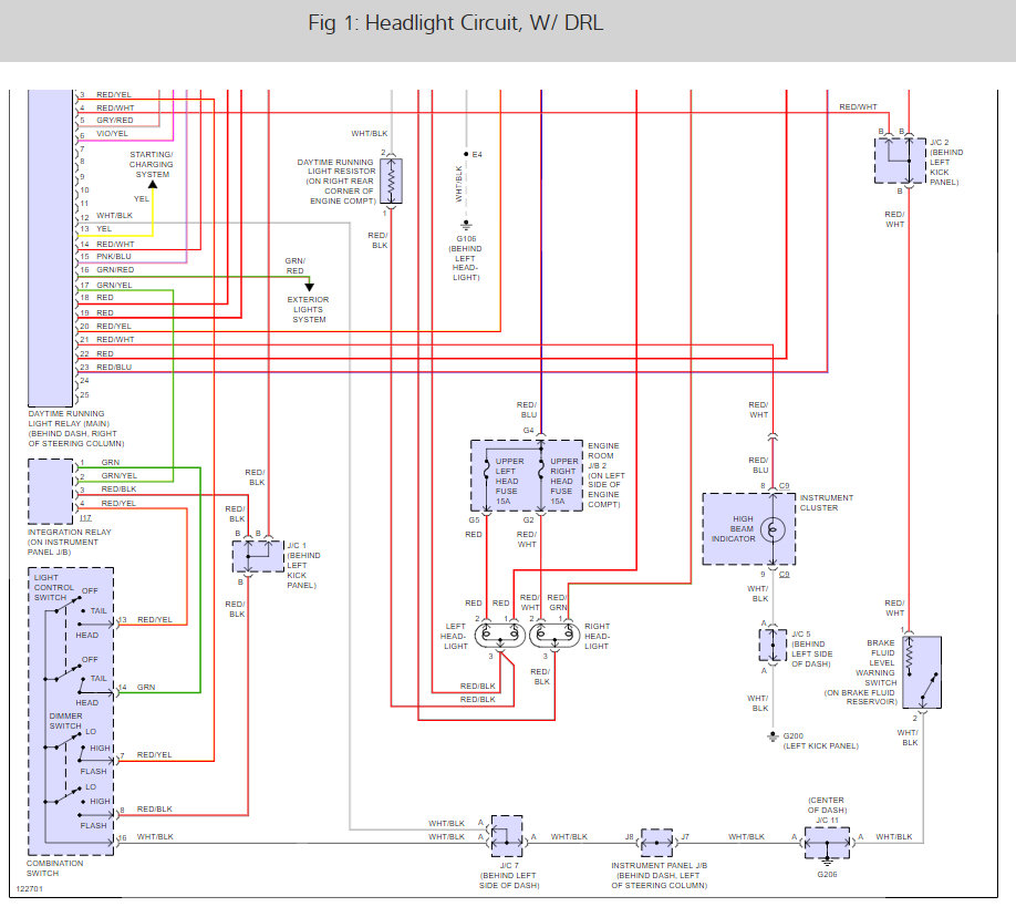
Next, I have attached the troubleshooting chart for your problem. Based off of the headlights work, just the hi-beams don't work, the first thing they say you changed......the Dimmer Switch. Next is the light control switch. I have attached that for your review and check out.
Last you may have some recalls on your vehicle - so if you would like those please provide me with the correct mode.


Okay, so we get on the same page here.......I think the manual is a little confusing and we are saying different things but thinking we are saying the same thing.........see what you think....gee, even my explanation is confusing.......
When you said the hi beams only do not work - as you see by the troubleshooting chart below, there are several things - even head lamps work tail lights no. You might check your tail lights though.....do all of these checks to make sure it is really "just" the high beams.

When you look at the red arrow - that is hi beams only do not work. I understand that to mean low does. So your low beams do work if I understand you.
Okay, as you see the first thing it says is probably the Headlight Dimmer Switch. This is where it gets going.....so hold on. You said you replaced the dimmer switch. Below is the pic of the "dimmer switch" in the manual. Probably not what you replaced I am sure.

Now it says to go to the Light Control Switch, which I gave you.....but this is actually what you replaced....right?

Okay, this is a two part switch....I have attached these. They have different checks as you see. The headlight dimmer switch is part of the light control switch.....the light control switch has different check.


I know - well I think I know you replaced this entire switch which should be both of them. But would you please do the separate checks to see how if it works and let me know.
Next, I have provided the test for the Head lamp relay

The test for the dimmer relay

The test for the daylight relay

The location of all to include the two fuses for Rt and Lt headlamps.




We love this site too!
Nov 19, 2008 at 11:16 PM