Disconnect the negative battery cable.
If equipped with an air bag, wait at least 90 seconds before working on the vehicle.
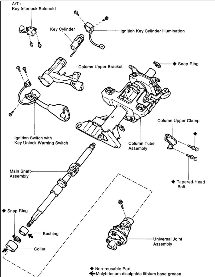
Remove the lower steering column cover. Unfasten the ignition switch connector under the instrument panel.
Remove the screws which secure the upper and lower halves of the steering column cover.
Turn the lock cylinder to the ACC position with the ignition key.
Push the lock cylinder stop in with a small, round object (cotter pin, punch, etc.).
On some vehicles, it may be necessary to remove the steering wheel and combination switch first.
Withdraw the lock cylinder from the lock housing while depressing the stop tab.
To remove the ignition switch, unfasten its securing screws and withdraw the switch from the lock housing.
To install:
Align the locking cam with the hole in the ignition switch and insert the switch into the lock housing.
Secure the switch with its screw(s).
Make sure both the lock cylinder and column lock are in the ACC position. Slide the cylinder into the lock housing until the stop tab engages the hole in the lock.
Install the steering column covers.
Connect the ignition switch wiring.
Connect the negative battery cable.
Nov 20, 2017 at 9:50 AM
(Merged)