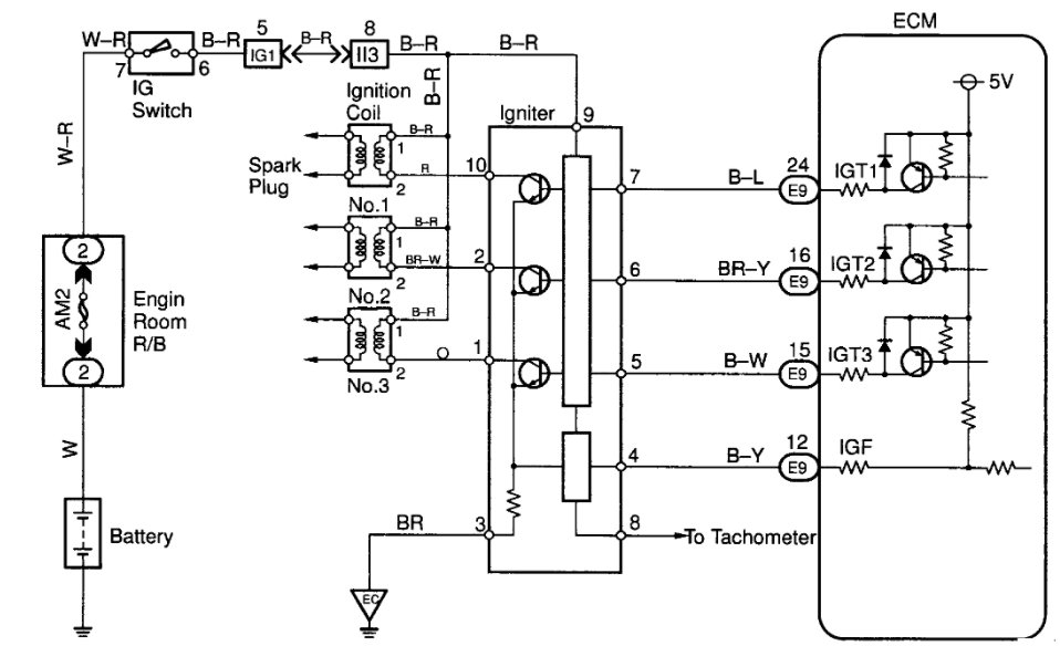
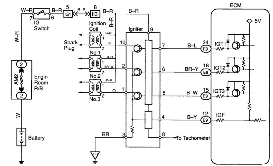
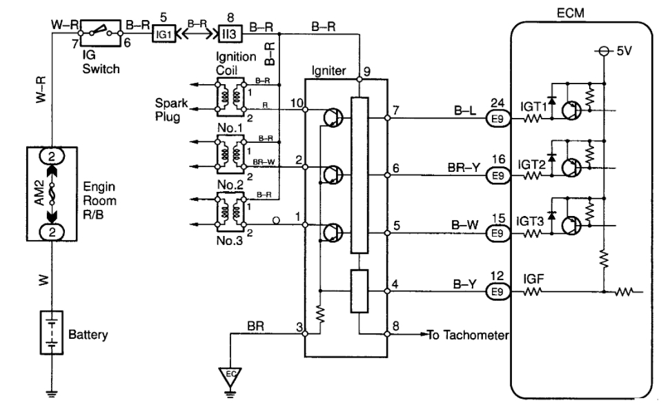
At first instance using SCANTOOL - OBD2 it displayed "RANDOM MISFIRE DETECTED" and all the 6(Six) plugs were replaced and firing was regular with optimum speed attained.
Thanks guys.
Thanks guys.
Dec 11, 2009 at 3:30 AM





