Torque for lower strut bolts

2002 CHEVROLET MALIBU
232,000 MILES • 4.3L • V6 • 2WD • AUTOMATIC
Avatar
MISSY ROGERS
  • MEMBER
  • 2 POSTS
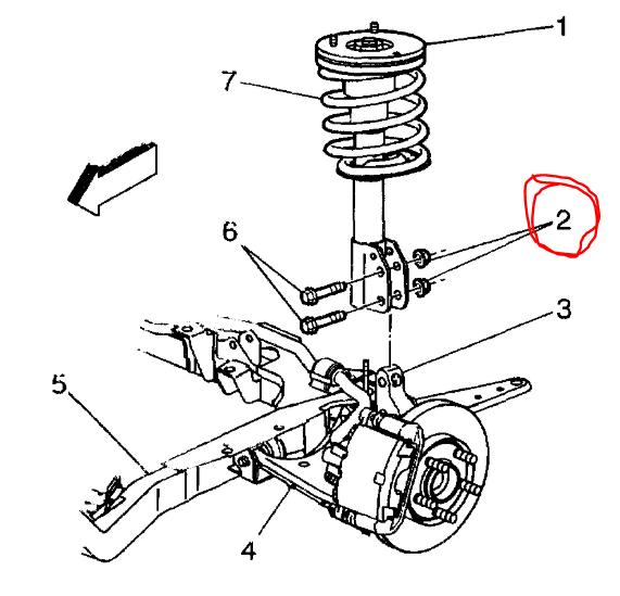
I need the torque for lower strut bolts.
May 23, 2020 at 4:59 PM
Advertisement
Avatar
DANNY L
  • CERTIFIED EXPERT
  • 5,648 POSTS
Hello, I'm Danny.

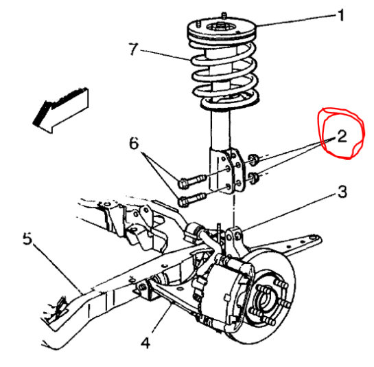
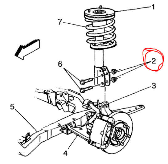
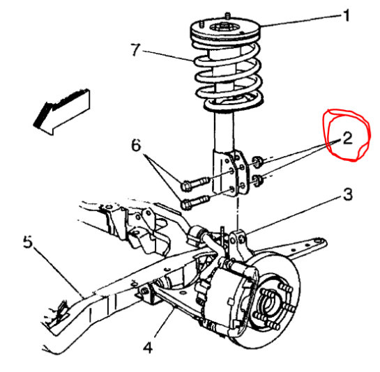
I've attached pictures below of the information you've requested. The top strut mounts require 20 ft lbs (#1 and 2) of torque and the lower strut mount bolts ( #2) require 133 ft lbs of torque. Hope this helps and thanks for using 2CarPros.
May 23, 2020 at 5:37 PM
Avatar
MISSY ROGERS
  • MEMBER
  • 2 POSTS
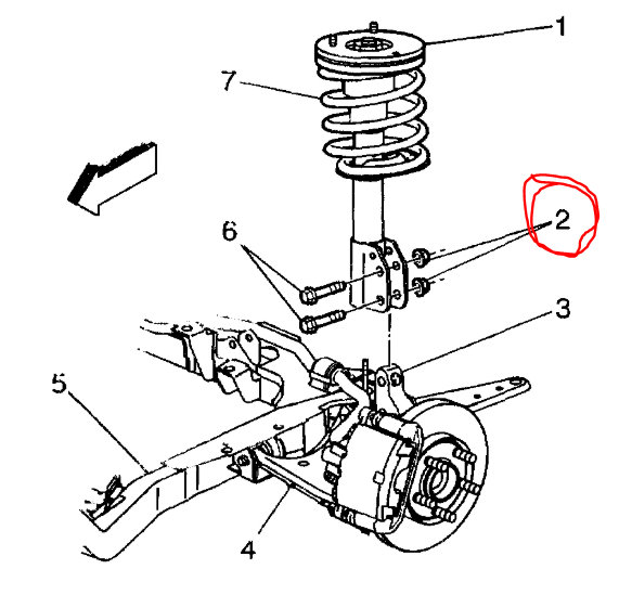
Are those bottom ones the ones on the knuckle that you need to tightened after changing the CV axle?
May 23, 2020 at 5:53 PM
Advertisement
Avatar
DANNY L
  • CERTIFIED EXPERT
  • 5,648 POSTS
Hello again.

Yes, the bottom 2 bolts are required to be torqued to 133 ft lbs. Picture included below again.Hope this helps and thanks again for using 2CarPros.

Danny-
May 23, 2020 at 11:44 PM