Brake shop claims they didn't do anything to my truck and cruise must have been broken to begin with.
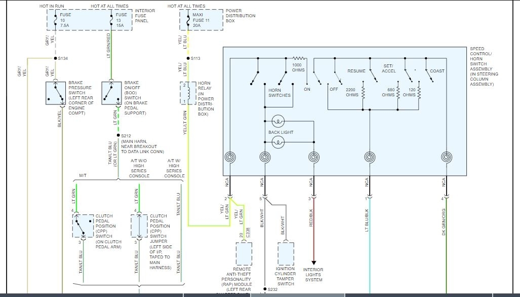
I checked the steering wheel control to turn cruise on, the switch works to arm cruise control. however I was not able to check whether "set" works...
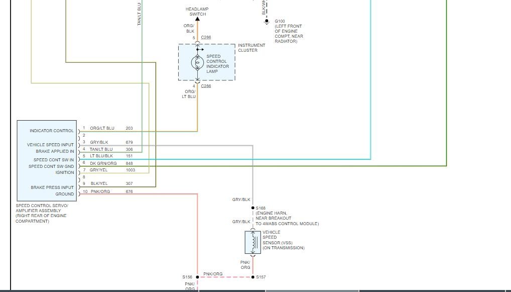
I checked the resistance of the VSS, 212 ohms so I think its good and I will soon be checking the VSS output tomorrow to see if it varies when the driveshaft spins.
I checked the sensor that disengages cruise when you hit the brakes on the master cylinder, its normally closed and opens when I hit brakes.
Only thing else I checked is I have a scan gauge which allows me to see what speed the computer sees, and its not seeing vehicle speed.
My SUV listed above has a cable to run the speedometer. so speedometer works, but computer is not seeing any MPH.
Any further suggestions?
I checked the steering wheel control to turn cruise on, the switch works to arm cruise control. however I was not able to check whether "set" works...
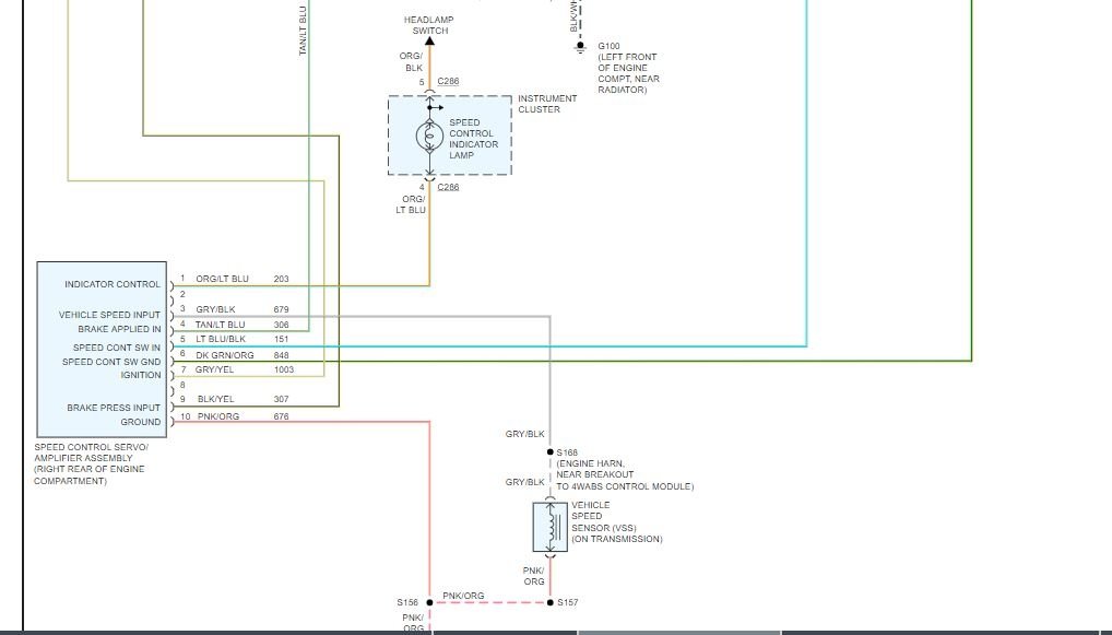
I checked the resistance of the VSS, 212 ohms so I think its good and I will soon be checking the VSS output tomorrow to see if it varies when the driveshaft spins.
I checked the sensor that disengages cruise when you hit the brakes on the master cylinder, its normally closed and opens when I hit brakes.
Only thing else I checked is I have a scan gauge which allows me to see what speed the computer sees, and its not seeing vehicle speed.
My SUV listed above has a cable to run the speedometer. so speedometer works, but computer is not seeing any MPH.
Any further suggestions?
Jun 10, 2020 at 7:35 PM







