Timing and P0345 code

2005 AUDI ALLROAD
133,567 MILES • 2.7L • 6 CYL • TURBO
Avatar
JOFOMO
  • MEMBER
  • 2 POSTS
Just completed timing belt and valve cover gaskets including cam tension-er gaskets. My mechanic did not mark the cam chain links prior to loosening. He was concerned he had the drivers side off a half to whole link. He checked it out and left it as it was, without turning the motor on to check that it was properly timed. Buttoned everything up, including bumper and all plugs and lines. It rattled for about three seconds and came to smooth idle. Used the code reader and got the p0345 code. I have restarted several times and the code reappears after erasing every time. The idle is beginning to get rougher. I drove about a mile to see if tension-er would correct it and it did not. Parked and not starting again until he gets here tomorrow to correct his work.
I need to know the exact process for setting the cam chain correctly. I have the crank locking pin (ECS kit) and the cam locking tool. It would be great to do this without the bumper removal.

Would this code have anything to do with the cam chain position or did we miss getting a sensor in place or a sensor is possibly bad? This code was not appearing prior to the job.

Can you help?
Apr 8, 2017 at 1:52 PM
Advertisement
Avatar
STRAILER
  • CERTIFIED EXPERT
  • 53,854 POSTS
Hello,

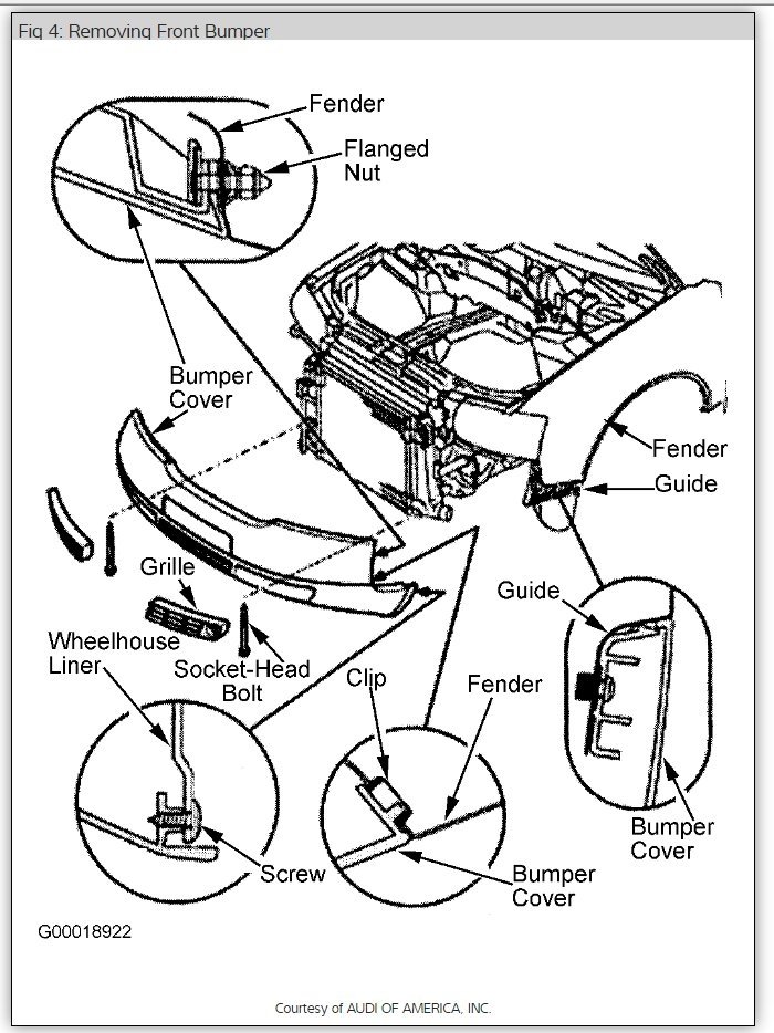
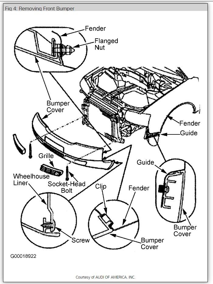
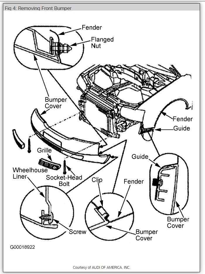
You will need to remove he front bumper to do this job. It sounds like you got the cam timing wrong which will cause that code.

Here are the instructions from the manual and some diagrams.

Insert Camshaft Locator Bar (3391) into securing plates of the two camshafts. See Fig 16. Loosen both camshaft bolts and unscrew approximately 5 turns.

NOTE: Camshaft sprockets should be just tight enough on the camshaft tapers so that they can still be rotated, but do not move axially (up and down).

Remove Camshaft Locator Bar (3391). Loosen, but do not remove, both camshaft sprockets with Gear Puller (T40001). See Fig 17.

Reinstall both camshaft sprockets with securing plates and tighten hand tight.
Position timing belt over camshaft sprockets. See Fig 18. Install Camshaft Locator Bar (3391) on camshafts. Using hex key, turn timing belt tensioner clockwise 8 mm until pin can be removed from tensioner. See Fig 15.

Pre-tension timing belt by turning tensioner pulley center bolt clockwise with a torque of 11 ft. lbs. (15 N.m). Tighten bolts on camshaft sprockets to specification. See TORQUE SPECIFICATIONS .
Remove camshaft locator bar. Remove crankshaft holding tool. Install plug in engine block. Install timing belt guards.

Remaining installation is reverse of removal procedure. For accessory drive belt routing, see Fig 19. Ensure lock carrier-to-fender Torx bolts are installed correctly. See Fig 7.

Please let us know what happens.

Best, Ken

Apr 11, 2017 at 10:11 AM
Avatar
JOFOMO
  • MEMBER
  • 2 POSTS
Hey. Thanks. We were done before your response and it was timed wrong and the process had to be repeated. All good now and running well without code.
Apr 12, 2017 at 9:16 AM
Advertisement
Avatar
STRAILER
  • CERTIFIED EXPERT
  • 53,854 POSTS
Good to hear, please use 2CarPros anytime we are here to help.

Best, Ken
Apr 12, 2017 at 12:21 PM