Timing marks for camshafts needed

2013 FORD F-150
234,526 MILES • 6.2L • V8 • 4WD • AUTOMATIC
Avatar
UBONNKE
  • MEMBER
  • 4 POSTS
How to get correct timing marks for both camshafts?
Jul 3, 2022 at 7:18 AM
Advertisement
Avatar
SQM
  • CERTIFIED EXPERT
  • 6,383 POSTS
Hello,

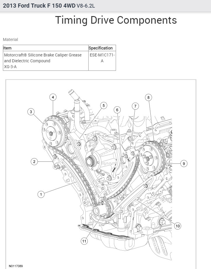
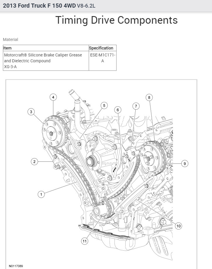
See attached for the timing chain replacement procedure including the timing marks.

Let me know of any questions.
Thank you.
Jul 3, 2022 at 10:13 AM
Avatar
STRAILER
  • CERTIFIED EXPERT
  • 53,854 POSTS
It is a process to get the timing chain marks correct, here are the timing chain replacement procedures and marks in the diagrams below. Check out the diagrams (below). Please let us know if you need anything else to get the problem fixed.
Jul 3, 2022 at 10:20 AM
Advertisement
Avatar
UBONNKE
  • MEMBER
  • 4 POSTS
Please is the type of engine I am working on, I love if more similar engine will be touch, yet still a timing diagram of coyote engine with twin camshaft, 5.0liter v8 f150 Ford truck. 2013 - 2014 f150 Ford.
Jul 3, 2022 at 12:01 PM
Avatar
UBONNKE
  • MEMBER
  • 4 POSTS
I mean 2012 Gen 1 coyote timing marks with diagrams.
Jul 3, 2022 at 12:06 PM