Timing chain cover removal

2005 LINCOLN LS
125,000 MILES • 3.9L • V8 • 2WD • AUTOMATIC
Avatar
MARKTCLARK1101
  • MEMBER
  • 1 POST
Does the power steering pump and A/C compressor have to be removed in order to get the timing cover off?
Mar 10, 2021 at 6:54 AM
Advertisement
Avatar
ASEMASTER6371
  • CERTIFIED EXPERT
  • 52,796 POSTS
Good afternoon,

I attached the procedure below for you for the repair.

Yes, the bracket must be removed for the repair.

Roy

Removal

CAUTION: During engine repair procedures, cleanliness is extremely important. Any foreign material, including any material created while cleaning gasket surfaces that enters the oil passages, coolant passages or the oil pan, can cause engine failure.

1. With the vehicle in neutral, position it on a hoist.
2. Disconnect the battery ground cable.

3. CAUTION: The cooling system filling and bleeding procedure must be followed exactly or damage to the engine can occur.

Drain the engine cooling system.
4. Drain the engine oil.
5. Remove the LH valve cover.
6. Remove the RH valve cover.
7. Remove the engine cooling fan assembly.
8. Remove the accessory drive belt idler pulley.
9. Remove the crankshaft front seal.
10. Remove the A/C compressor.


imageOpen In New TabZoom/Print


11. Remove the lower radiator hose bracket nut.


imageOpen In New TabZoom/Print


12. Disconnect the lower radiator, upper radiator and heater hose.


imageOpen In New TabZoom/Print


13. Disconnect the 2 oil cooler hoses, if equipped.
14. Disconnect the power steering reservoir hose.
15. Disconnect the Power steering pressure (PSP) switch.

16. NOTE: One bolt is blocked by the power steering pressure hose and must be removed with the power steering pump.

Remove the 4 bolts and position the power steering pump aside.
17. Remove the 5 bolts and the power steering pump bracket.


imageOpen In New TabZoom/Print


18. Detach the wiring harness clips.


imageOpen In New TabZoom/Print


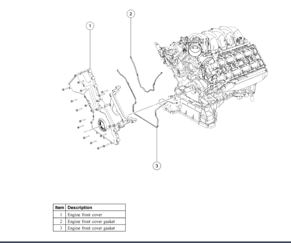
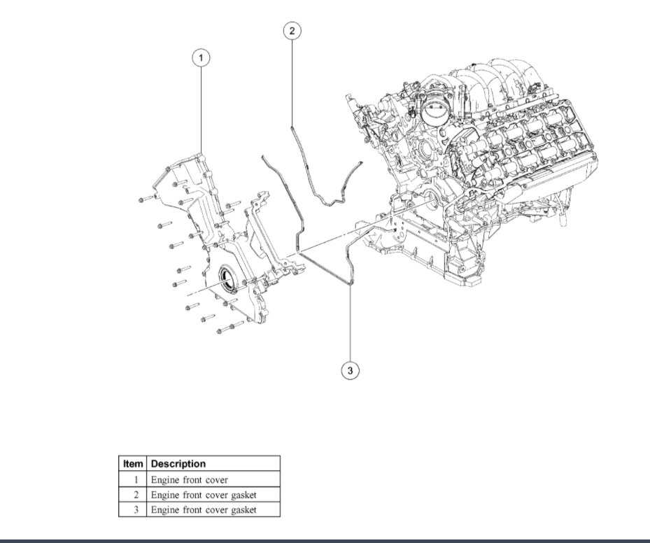
19. Remove the engine front cover bolts in the sequence shown.
^ Remove the engine front cover.
Mar 10, 2021 at 1:16 PM