There is a loud squealing sound when I start it and driving

2008 KIA RIO
100,000 MILES
Avatar
LOU20
  • MEMBER
  • 83 POSTS
I was told that the timing belt was too tight. Do you think that a new timing belt so be put on my car?
Feb 22, 2021 at 7:55 AM
Advertisement
Avatar
JACOBANDNICKOLAS
  • CERTIFIED EXPERT
  • 110,175 POSTS
Hi,

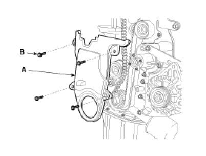
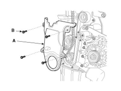
Absolutely not. A timing belt has clogs on it to prevent slipping. If you look at pic one, I highlighted the clogs so you can see them. If that belt slips, the timing will be off and the engine will not run. I'm not saying the belt doesn't need to be replaced based on mileage, but it isn't causing the noise.

What I think you have happening is one of the accessory drive belts is loose. If you look at pic 2, it shows two belts. These are on the front of the engine. With the engine off, see if they seem loose. If they do, then either the belt needs replaced, adjusted, or the automatic tensioner has failed.

Do me a favor. Inspect the two belts on your vehicle. If you find one loose, copy my second pic, circle the belt that is loose, and send it back to me. I can then direct you for replacement. If I had to guess, it will be the alternator belt, but let's check to be sure.

I hope this helps Let me know if you have other questions.

Take care and God Bless,

Joe



Feb 22, 2021 at 5:36 PM
Avatar
LOU20
  • MEMBER
  • 83 POSTS
What is the name of the two belts?
Feb 22, 2021 at 6:59 PM
Advertisement
Avatar
JACOBANDNICKOLAS
  • CERTIFIED EXPERT
  • 110,175 POSTS
Those are referred to as accessory drive belts. Some could call them by what they operate. For example, an alternator belt or an A/C belt.

If it is a squealing noise, it's not because the timing belt is slipping.

Let me know your findings.

Joe
Feb 22, 2021 at 8:03 PM
Avatar
LOU20
  • MEMBER
  • 83 POSTS
I checked the alternator and A/C belt they are fine. They were replaced in October by the dealership. When I brought it back for the noise I was told the timing belt needed to be adjust.
Feb 23, 2021 at 4:26 AM
Avatar
JACOBANDNICKOLAS
  • CERTIFIED EXPERT
  • 110,175 POSTS
Hi,

Interestingly, the timing belt can be adjusted, but I don't know why it would squeal unless the tensioner is seizing. Here are the directions for adjustment. The attached pics correlate with the directions. If you do this or have it done and the timing belt is original, replace it.

____________________________

2008 Kia Rio L4-1.6L
Adjustments
Vehicle Engine, Cooling and Exhaust Engine Timing Components Timing Belt Adjustments
ADJUSTMENTS
TIMING BELT TENSION ADJUSTMENT
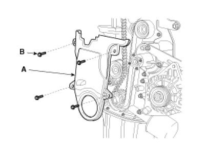
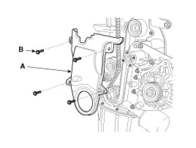
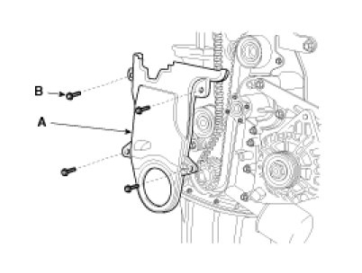
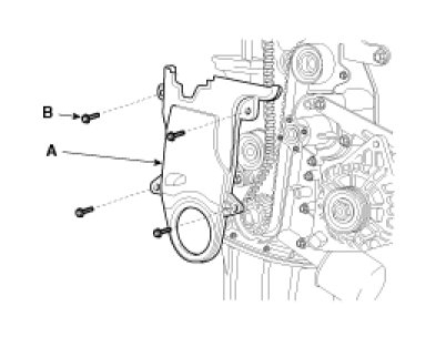
1. Remove the engine cover(A).


pic 1

2. Remove the RH front wheel.
3. Remove the bolts(B) and RH side cover(A).


pic 2

4. Loosen the water pump pulley bolts.

pic 3

5. Remove the alternator drive belt(A).


pic 4

6. Remove the air conditioner compressor drive belt(B).

7. Remove the power steering pump drive belt(C).

8. Remove the water pump pulley.
9. Remove the 4 bolts(B) and timing belt upper cover (A).


pic 5

10. Turn the crankshaft pulley, and align its groove with timing mark "T" of the timing belt cover. Check that the timing mark of camshaft sprocket(A) is aligned with the timing mark of cylinder head cover. (No.1 cylinder compression TDC position)


pic 6


pic 7

11. Remove the crankshaft pulley(A).


pic 8

12. Remove the 4 bolts(B) and timing belt lower cover(A).


pic 9

13. Move the tensioner pulley(C) in the direction of the arrow shown after loosen the mounting bolt (A, B).
And temporarily tighten mounting bolt (A, B).


pic 10

14. Adjust the timing belt tension.
(1)After inspecting the timing belt, replace it if necessary.
(2)Loosen the tensioner pulley mounting bolt and apply tension to the timing belt.


pic 11t

(3)After checking the alignment between each sprocket and each timing belt tooth, tighten the mounting bolt (A) and (B) one by one.

Tightening torque :
19.6 - 26.5N.m (2.0 - 2.7kgf.m, 14.5 - 19.5lb-ft)


(4)Then recheck the belt tension.
Verify that when the tensioner and the tension side of the timing belt are pushed in horizontally with a moderate force [approx. 49N (11lb)], the timing belt cog end is approx. 1/2 of the tensioner mounting bolt head radius (across flats) away from the bolt head center.


pic 12

(5)Timing belt tension measuring procedure (by a sonic tension gauge)
Rotate crankshaft in clockwise direction to set 1st piston on top dead center (TDC) and rotate crankshaft in counterclockwise to 90° then measure the belt tension in the middle of tension side span (in arrow direction of above illustration) by free vibration method.

CAUTION:
Avoid rotating the crankshaft in a counter clock wise direction.
Engine damage could occur.

Conversion equation of frequency into tension :
T = (4 / 9.8) x S2 x M x W x f2 / 100000000

S: Measured belt span (mm)
M: Unit weight of belt (kgf/cm2)
W: Belt width (mm)
f: Transverse natural frequency of belt (Hz)


Timing Belt Specifications


pic 13


15. Turn the crankshaft two turns in the operating direction (clockwise) and realign the crankshaft sprocket and camshaft sprocket timing mark.
16. Install the timing belt lower cover(A) with bolts(B).

Tightening torque :
7.8 - 9.8N.m (0.8 - 1.0kgf.m, 5.8 - 7.2lb-ft)



pic 14

17. Install the crankshaft pulley(A).

Tightening torque :
137.3 - 147.1N.m (14.0 - 15.0kgf.m, 101.3 - 108.5lb-ft)



pic 15

18. Install the timing belt upper cover(A) with bolts(B).

Tightening torque :
7.8 - 9.8N.m (0.8 - 1.0kgf.m, 5.8 - 7.2lb-ft)



pic 16

19. Install the water pump pulley.
20. Install the power steering pump drive belt(C).

pic 17

21. Install the air conditioner compressor drive belt(B).

22. Install the alternator drive belt(A).
23. Install the RH side cover(A) with bolts(B)


pic 18

24. Install the RH front wheel.

Tightening torque :
88.3 - 107.9N.m (9 - 11kgf.m, 65.1 - 79.6lb-ft)


25. Install the engine cover(A) with bolts.

Tightening torque :
3.9 - 5.9N.m ( 0.4 - 0.6kgf.m, 2.9 - 4.3lb-ft)




pic 19

__________________________________________

If possible, record the sound so I can hear it and send it to me.

Thanks,
Joe
Feb 23, 2021 at 2:31 PM
Avatar
LOU20
  • MEMBER
  • 83 POSTS
I'm still having the squealing noise coming from my car. I got two different diagnosis. I was the timing belt was too tight the other was the belt tensioner assembly pulley located under the A/C compressor. Which diagnose sounds likely. I don't think the timing belt because it was change last year around March and we now in June.
Jun 11, 2021 at 9:21 AM (Merged)
Avatar
JACOBANDNICKOLAS
  • CERTIFIED EXPERT
  • 110,175 POSTS
Hi:
The timing belt has teeth on it and can't slip. So, chances are it is one of the accessory drive belts. Looking at the manual, there could be up to three belts on this vehicle. See pic below. Let me know if that is what you have.

Also, let me know if there is anything that causes or stops the noise. For example, you hear it when the AC is turned on. Or, you hear it when making a sharp turn.

If it is possible, record it and upload it for me to hear.

Take care,

Joe

See pic below.
Jun 11, 2021 at 9:21 AM (Merged)
Avatar
LOU20
  • MEMBER
  • 83 POSTS
Are the accessory belts you referring to is the AC and Alternator belt? I will try to record the noise it only can be hard if accerlerating.
Jun 11, 2021 at 9:21 AM (Merged)
Avatar
LOU20
  • MEMBER
  • 83 POSTS
Whining or squealing begins at 00:00:50 to 00:01:16.
Jun 14, 2021 at 6:38 AM
Avatar
JACOBANDNICKOLAS
  • CERTIFIED EXPERT
  • 110,175 POSTS
Hi,

For some reason, the video didn't attach. Could you try again? Also, when it happens, do you have the A/C on? If so, turn it off to see if it goes away.

Let me know.

Joe
Jun 14, 2021 at 8:41 PM
Avatar
LOU20
  • MEMBER
  • 83 POSTS
I will try with A/C off. I also was told something about the belt tensioner assembly pulley located under the A/C compressor.
Jun 15, 2021 at 9:02 AM
Avatar
LOU20
  • MEMBER
  • 83 POSTS
I also noticed that when accelerating at a certain speed the car now begins to shake or vibrate.
Jun 15, 2021 at 12:37 PM
Avatar
JACOBANDNICKOLAS
  • CERTIFIED EXPERT
  • 110,175 POSTS
Hi,

I listened to the video and didn't hear a squeal. Was the A/C off in the video?

Also, there is a tensioner that can be weak causing the problem. Do me a favor. Record it again, but have all electrical components on such as headlamps, wipers, the A/C, the blower motor on high, and your foot on the brake. If the noise is there, turn the A/C off and see if it goes away. If it doesn't, turn the A/C back on, and then turn all electrical components back off to see if the noise stops.

Let me know.

Joe
Jun 15, 2021 at 9:40 PM
Avatar
LOU20
  • MEMBER
  • 83 POSTS
Will do. I wonder what is causing the vibration when I'm accelerating? I do noticed that when I turn on the A/C I get a vibration.
Jun 16, 2021 at 4:35 AM
Avatar
JACOBANDNICKOLAS
  • CERTIFIED EXPERT
  • 110,175 POSTS
Hi,

By any chance, is the check engine light staying on when the engine is running? Or, does it flash when you get the vibration? If it is, we need to have the computer scanned for codes. Here is a quick video showing how it's done:

https://youtu.be/YV3TRZwer8k

I realize most people don't own a scanner, but oftentimes a parts store will do it free of charge. If the light is on steady or flashing, have that done, and let me know what codes are found.

Also, just for curiosity, do you feel the vibration and hear the noise at the same time?

Let me know.

Joe

Jun 16, 2021 at 6:40 PM
Avatar
LOU20
  • MEMBER
  • 83 POSTS
No check engine light comes on at all. The vibration when i'm driving just started 3 weeks ago, I thought maybe bad gas but don't know. With the A/C on or off the noise still there. When I drive at a higher speed it gets louder. I been trying to figure this out for a year now. Do you think my car would still be running if the timing belt needed adjustment and this issue been a year?
Jun 17, 2021 at 6:27 AM
Avatar
JACOBANDNICKOLAS
  • CERTIFIED EXPERT
  • 110,175 POSTS
Hi,

If it was related to the timing belt, I feel something would have happened within a year. Were you able to record the noise?

Joe
Jun 17, 2021 at 8:55 PM