How to replace the timing belt information with diagrams?

2010 HYUNDAI I30
241,000 MILES • 1.8L • 4 CYL • 2WD • MANUAL
Avatar
TAINA
  • MEMBER
  • 12 POSTS
Replace timing belt information with diagrams.
Aug 9, 2024 at 11:52 PM
Advertisement
Avatar
STRAILER
  • CERTIFIED EXPERT
  • 53,854 POSTS
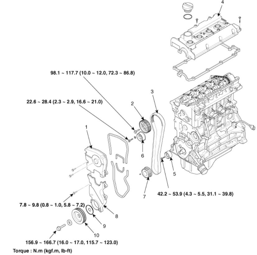
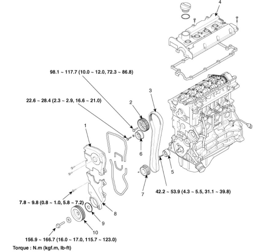
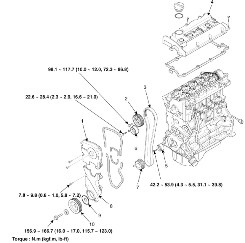
You will need to use a floor jack under the engine which will help hold the engine in place while you remove the front engine mount and timing cover, also the engine will need to be put on TDC before removing the timing belt. Use a block of wood to help not damage the engine oil pan. Use an impact wrench to help remove the harmonic balancer bolt. I included the timing belt marks as well. You should replace the tensioner pulley also. Check out the images (below). Let us know if you need anything else.
Aug 10, 2024 at 11:13 AM
Avatar
TAINA
  • MEMBER
  • 12 POSTS
Thank you.
Aug 11, 2024 at 9:59 AM
Advertisement
Avatar
STRAILER
  • CERTIFIED EXPERT
  • 53,854 POSTS
You are welcome, please use 2CarPros anytime we are here to help.
Aug 11, 2024 at 10:00 AM