How do I set the timing? I have it apart to put a new timing chain on?
2003 HONDA ELEMENT
240,000 MILES • 2.4L • 4 CYL • 2WD
BIGGERRICK
MEMBER
1 POST
FOLLOW
How do I set the timing ? I have it apart to put a new timing chain on. The crankshaft marks are lined up but the camshafts are not.
Aug 12, 2022 at 12:01 PM
Advertisement
STRAILER
CERTIFIED EXPERT
53,854 POSTS
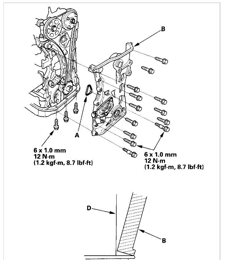
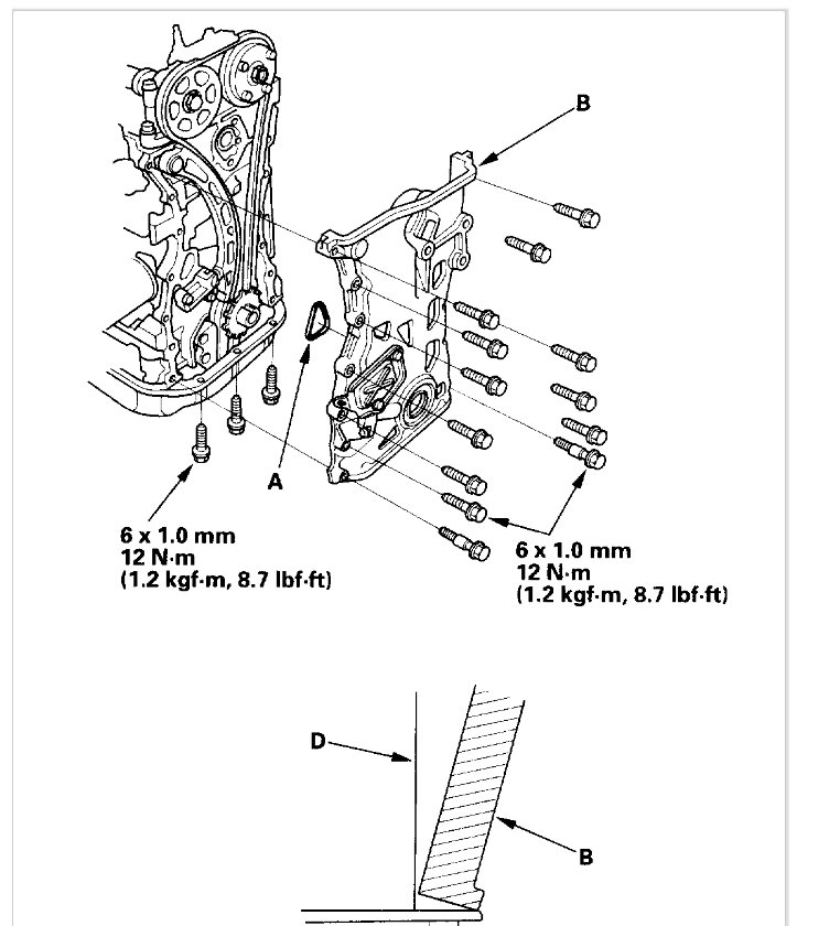
Yep, the timing chain is a big job but once you are done the engine will have another life. Here are the instructions to replace the chain and the timing marks for your Honda Element 2.4 liter you have requested. Check out the diagrams (below). Please let us know if you need anything else to get the problem fixed.