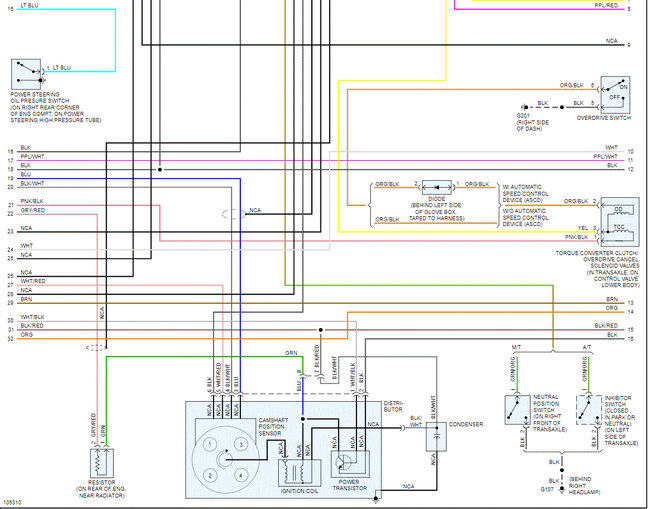
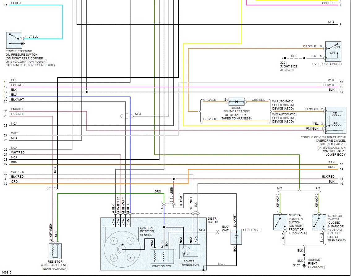
I got a new distributor. I am picking up from the mail. Hopefully it contains the solenoid can shaft adjuster. Never set timing before and don't have a timing light. Nor the funds to rent one. Need to know the procedure for setting the timing. Hopefully this will solve my vehicle not turning over issue. It cranks but wouldn't turn over. I just know the injectors are not pulsating. They have power just nor pulsating. Replaced crankshaft sensor. I noticed there was no seal around sensor for crankshaft.
Mar 13, 2021 at 9:29 AM


































