timing marks needed

2003 MAZDA PROTEGE
122,764 MILES
Avatar
NATE1975
  • MEMBER
  • 1 POST
Need timing mark.
Oct 1, 2016 at 12:47 AM
Advertisement
Avatar
AL514
  • CERTIFIED EXPERT
  • 5,462 POSTS
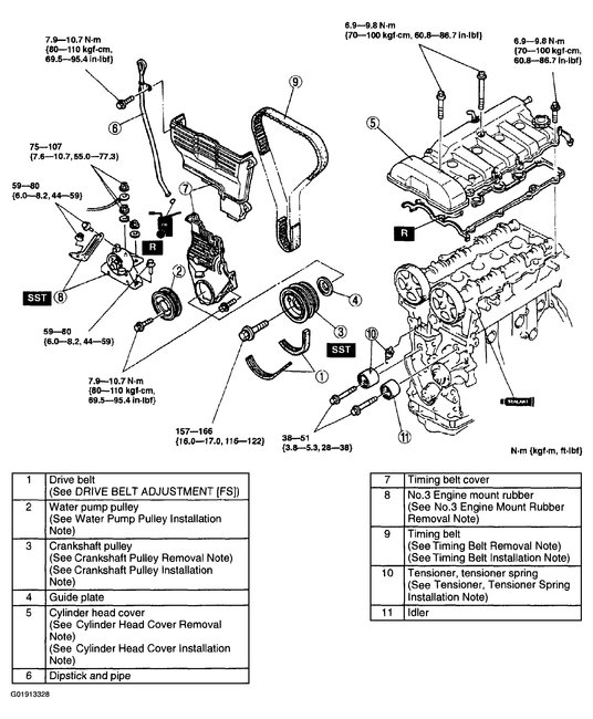
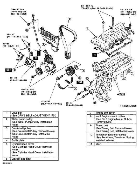
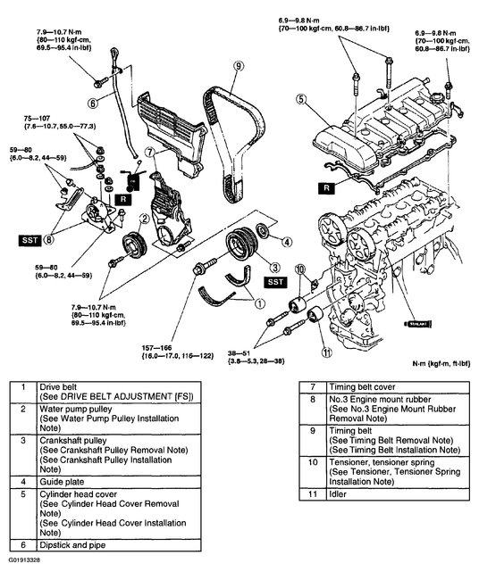
These are for the 2003 Mazda Protégé 2.0L DX Model. I threw in the torque specs just in case you needed them as well.
Oct 1, 2016 at 3:25 AM
Avatar
2CP-ARCHIVES
  • MEMBER
  • 4,540 POSTS
where are the timing marks for engine
Oct 27, 2018 at 5:09 PM (Merged)
Advertisement
Avatar
MHPAUTOS
  • CERTIFIED EXPERT
  • 31,937 POSTS
Hello,

Here is a guide and a diagrams below to show you the camshaft timing marks.

https://www.2carpros.com/diagrams/mazda/protege/2001

Check out the diagrams (Below). Please let us know if you need anything else to get the problem fixed.

Cheers
Oct 27, 2018 at 5:09 PM (Merged)
Avatar
JOBAJEE
  • MEMBER
  • 5 POSTS
hello... just purchased my 1st car a month ago. While driving my timing belt just broke. Should I fear the worst for my engine. My car is a mazda protege 323 year 2003 with a 16Valve Dohc 1.6 engine. pls help :(
Oct 27, 2018 at 5:10 PM (Merged)
Avatar
PAPAJOHNSLICE
  • MEMBER
  • 108 POSTS
its not as bad as you would think (although its pretty bad) if you have any type of background knowledge on how to replace a timing belt, then its not as bad, just know it will take a little bit of work to fix, not to mention making sure your crankshaft is in the proper position, but if you are like most americans and dont know much about fixing cars, then your best bet is to take it to a reputable repair shop and have them replace it, its not that bad of a fix if you know what your doing, and your engine should run fine once its fixed, hope my answer helps
Oct 27, 2018 at 5:10 PM (Merged)
Avatar
RASMATAZ
  • CERTIFIED EXPERT
  • 75,992 POSTS
Its not an interference engine go for the repair-
Oct 27, 2018 at 5:10 PM (Merged)
Avatar
JOBAJEE
  • MEMBER
  • 5 POSTS
Many thanks for the replies... so my engine is a non-interference thx god :)... Just towed my car to a repair shop 2day. Lets hope everything will go fine 4 me.. thx guys
Oct 27, 2018 at 5:10 PM (Merged)
Avatar
RASMATAZ
  • CERTIFIED EXPERT
  • 75,992 POSTS
Your welcome
Oct 27, 2018 at 5:10 PM (Merged)
Avatar
CARLOSHINOJOSA
  • MEMBER
  • 1 POST
the timing belt broke , is there damage to engine and what , and can it be repaired.
Oct 27, 2018 at 5:10 PM (Merged)
Avatar
MHPAUTOS
  • CERTIFIED EXPERT
  • 31,937 POSTS
Hi there,

Mitchell 1 indicates that there will be no internal damage done to the engine, replace the timing belt and re set the valve timing and all should be ok, i would be wise to do a compression test just to be safe.

mark (mhpautos)
Oct 27, 2018 at 5:10 PM (Merged)
Avatar
CAR PROBLEMS
  • MEMBER
  • 1 POST
waterpump replaced.ran roughly called mechanic said not from h20pump. took to a differrent shop told timing belt bad-was removed when h20pump replaced. is the 1st mechanic at fault?
Oct 27, 2018 at 5:10 PM (Merged)
Avatar
RASMATAZ
  • CERTIFIED EXPERT
  • 75,992 POSTS
Sounds like 1st fella didn't diagnose it right
Oct 27, 2018 at 5:10 PM (Merged)
Avatar
EBAYGALANT
  • MEMBER
  • 12 POSTS
i have a 2001 mazda protege 2.ol when i start it it idles rough and in order to keep it on i have to depress the gas pedal some and it wont go over 2000 rpm i have to keep pushing the pedal all the way to the floor then after 30 - 40 seconds then it finally goes up slowly until it hits 3000 rpm then it rev normally as long as i keep it over 3000 rpm if it goes under 3000 rpm it drops sharply down to 1500 rpm and runs rough and it wont idle by iteself at all ive already replaced the spark plugs, coil packs, egr, all fuel injectors, the fuel pressure regulator, and the intake manifold gasket and nothing has helped. also i dont know if these are suppose to move or not but the two gold colored round shaped items on the passenger side of the air intake that have little arms comming out of them and they are connected to vacumm lines dont move at all no matter how high the rpms are i can push them in and they will spring back open if this helps. i really really need help on this asap i dont know how much longer i will have a job due to arriving late or not at all considering i dont have too many people to call on for a ride.

one other thing this all started after i replace the motor in it with one from a 2001 626 since they have the same block all of the exterior parts were changed over intake,sensors, exhaust, etc.....

thanks in advance
Apr 14, 2020 at 6:55 PM (Merged)
Avatar
KHLOW2008
  • CERTIFIED EXPERT
  • 41,814 POSTS
Is the Check Engine Light indicating? Have you tested the compression? these guides will help

https://www.2carpros.com/diagrams/mazda/protege/2001

and

https://www.2carpros.com/articles/engine-has-low-power-output

Please run down these guides and report back.
Apr 14, 2020 at 6:55 PM (Merged)
Avatar
MERLIN2021
  • CERTIFIED EXPERT
  • 17,250 POSTS
Have the catalytic converter(s) checked, it sounds like a clogged converter.
Apr 14, 2020 at 6:55 PM (Merged)
Avatar
EBAYGALANT
  • MEMBER
  • 12 POSTS
Hi, The check engine light isnt coming at all no matter how long i run it and as far as the catalytic converter its clean and still entact on the inside and no i havent done a compression test since it will run fine once above 3000rpm also if i spray starting fluid in it i can get it to idle by itself for about 15- 20 minutes but it idles extremely rough jumping form 200rpm to 1500 sometimes higher but it wont stay steady al all
Apr 14, 2020 at 6:55 PM (Merged)
Avatar
EBAYGALANT
  • MEMBER
  • 12 POSTS
Hi, Also everything thats on this new engine came off the old engine that was running fine the only problem it had was the valve seals were leaking extremely badly had to put oil in it every three to four days.
Apr 14, 2020 at 6:55 PM (Merged)
Avatar
KHLOW2008
  • CERTIFIED EXPERT
  • 41,814 POSTS
Get a compression test done. A misfiring cylinder can run well at higher rpms but would not idle. If the valve seals are bad, it would definitely cause rough idling as the sprks plugs would be fouled quickly.
Apr 14, 2020 at 6:55 PM (Merged)
Avatar
EBAYGALANT
  • MEMBER
  • 12 POSTS
Hi, The bad valve seals were on the old engine not the new one but i will do a compression test on the new one and let you know the results.
Apr 14, 2020 at 6:55 PM (Merged)
Avatar
EBAYGALANT
  • MEMBER
  • 12 POSTS
Hi, Ok had a compression test done compression in all cylinders are good so i really dont know what else it could be.

Thanks In Advance
Apr 14, 2020 at 6:55 PM (Merged)
Avatar
MERLIN2021
  • CERTIFIED EXPERT
  • 17,250 POSTS
If you have a vacuum gauge, attach it to a manifold vac source, then raise the idle to 2000 rpm, watch the needle, if holds steady at 18-22 hg the exhaust is clear, if the gauge drops, the exhaust is clogged. Also test fuel pump pressure.
Apr 14, 2020 at 6:55 PM (Merged)
Avatar
EBAYGALANT
  • MEMBER
  • 12 POSTS
Hi, Ok to make sure it wasnt my exhaust i took one of the cats i have here and completly gutted it and put it on the car and its still no changed it will start and run rough up until 3000 rpm but i cant always get it to 3000 rpm it sometimes takes a few tries of starting it before i can achevie the 3000 rpm mark. And as far as fuel pressure i tested it the other day and got a normal reading on it. any other suggestions will be appreciated Thanks In Advance.
Apr 14, 2020 at 6:55 PM (Merged)
Avatar
MERLIN2021
  • CERTIFIED EXPERT
  • 17,250 POSTS
Possibly the timing is off Check this way: 1. Connect NGS scan tool to DLC-2 located under left side of instrument panel, right of steering
column. See Fig. 12. Connect a jumper wire between terminals TEN and GND at DLC-1 in
engine compartment. See Fig. 13.
2. Ensure idle speed is correct. See IDLE SPEED under IDLE SPEED & MIXTURE. On all
models except Millenia 2.3L, connect timing light to high-tension lead No. 1. On Millenia
2.3L, connect Inductive Timing Light (49-T018-002) lead to ignition timing checking harness
(Black/White wire) located next to engine compartment relay box. See Fig. 11. Start engine
and allow it to idle. Check timing. See IGNITION TIMING SPECIFICATIONS table. See
Fig. 14.
Fig. 11: Identifying Ignition Timing Checking Harness
Courtesy of MAZDA MOTORS CORP.
3. On all models except Millenia 2.5L, if ignition timing is not within specification, check CMP
sensor, CKP sensor, TP sensor, ECT sensor and transmission range switch. See appropriate
SYSTEM & COMPONENT TESTING article. If all sensors and switches are okay, replace
PCM.
4. On Millenia 2.5L, if ignition timing is not within specification, loosen distributor lock bolt.
Rotate distributor until timing marks align. Tighten lock bolt. Recheck timing.
NOTE: Standard inductive timing light may not work on ignition timing
checking harness. Recommend using manufacturers Inductive
Timing Light (49-T018-002) or equivalent.
Apr 14, 2020 at 6:55 PM (Merged)
Avatar
EBAYGALANT
  • MEMBER
  • 12 POSTS
Hi, How do i set the timming on this engine i know the harmonic balancer timming mark is to be lined up with the T on the timming cover but how are the two cams suppose to be lined up and which lines do i used the notches or the dots.
Thanks In Advance
Apr 14, 2020 at 6:55 PM (Merged)
Avatar
MERLIN2021
  • CERTIFIED EXPERT
  • 17,250 POSTS
well I was talking about setting the timing, not installing belts...but here it is
Put #1 cylinder at top dead center, then the marks should align this way. ALWAYS install a new tensioner the spring gets cut cover time and WILL FAIL, MAzd has an upgraded spring now.
1. Ensure all timing marks are aligned. See Fig. 10 .
2. Install timing belt around crankshaft sprocket, water pump sprocket, idler pulley, and camshaft
sprockets. Ensure slack does not exist on idler pulley side of timing belt.
3. Complete timing belt installation on slack (tensioner) side. With tensioner spring removed,
allow tensioner to ride against timing belt. Turn crankshaft 2 revolutions in normal direction of
rotation (clockwise). Ensure camshaft and crankshaft timing marks are still correctly aligned.
See Fig. 5 . If not correctly aligned, timing belt will have to be removed and repositioned.
4. If all timing marks are okay, turn tensioner clockwise using an Allen wrench. Connect
tensioner spring to pin on engine block. See Fig. 11 . Turn crankshaft 2 revolutions. Ensure
camshaft and crankshaft timing marks are still aligned. See Fig. 5 .
5. To install remaining components, reverse removal procedure. When installing valve cover
gasket, apply small amount of silicone sealer to 4 corners of gasket where the front of both
camshafts go through cylinder head. See Fig. 12 . Tighten valve cover bolts to specification in
correct sequence. See Fig. 13 . Adjust drive belts to proper tension.
6. Inspect crankshaft position sensor air gap. Air gap between outer edge of crankshaft pulley
rotor tooth and center of CKP sensor should be 0.029-0.059" (0.5-1.5 mm). See Fig. 14 . Air
gap is not adjustable. If gap is incorrect, check for damaged parts.
Apr 14, 2020 at 6:55 PM (Merged)
Avatar
MERLIN2021
  • CERTIFIED EXPERT
  • 17,250 POSTS
1. Ensure all timing marks are aligned. See Fig. 10 .
2. Install timing belt around crankshaft sprocket, water pump sprocket, idler pulley, and camshaft
sprockets. Ensure slack does not exist on idler pulley side of timing belt.
3. Complete timing belt installation on slack (tensioner) side. With tensioner spring removed,
allow tensioner to ride against timing belt. Turn crankshaft 2 revolutions in normal direction of
rotation (clockwise). Ensure camshaft and crankshaft timing marks are still correctly aligned.
See Fig. 5 . If not correctly aligned, timing belt will have to be removed and repositioned.
4. If all timing marks are okay, turn tensioner clockwise using an Allen wrench. Connect
tensioner spring to pin on engine block. See Fig. 11 . Turn crankshaft 2 revolutions. Ensure
camshaft and crankshaft timing marks are still aligned. See Fig. 5 .
5. To install remaining components, reverse removal procedure. When installing valve cover
gasket, apply small amount of silicone sealer to 4 corners of gasket where the front of both
camshafts go through cylinder head. See Fig. 12 . Tighten valve cover bolts to specification in
correct sequence. See Fig. 13 . Adjust drive belts to proper tension.
6. Inspect crankshaft position sensor air gap. Air gap between outer edge of crankshaft pulley
rotor tooth and center of CKP sensor should be 0.029-0.059" (0.5-1.5 mm). See Fig. 14 . Air
gap is not adjustable. If gap is incorrect, check for damaged parts.
Also CHANGE the tensioner or you will do the job again!
Put #1 piston at TOP DEAD CENTER.
Apr 14, 2020 at 6:55 PM (Merged)
Avatar
EBAYGALANT
  • MEMBER
  • 12 POSTS
Hi, I had asked about the timing belt installtion because i noticed that on the engine i installe the cam gears had only one lobe i guess you can call it on the gears themself where as the protege engine cam gears has three of them for the sensor to read so i went ahead and swapped them out and i have all the timming marks lined up i even doubled checked after trying to start the car with no sucess all its doing is turning over and will occasionally make a loud noise like its backfiring out of the throttle body and it smells kinda burnt when it does that i took the valve cover back off today to make sure the belt didnt slip and it has all marks are lining up on the cam gears and the crankshaft but it wont start now any suggestions.

Thank You In Advnace
Apr 14, 2020 at 6:55 PM (Merged)
Avatar
MERLIN2021
  • CERTIFIED EXPERT
  • 17,250 POSTS
Is the number one piston at TDC with marks lined up? if it's a bottom, timing is out by 180 degrees. Also if either sensor was damaged during the swap it will cause this.
Apr 14, 2020 at 6:55 PM (Merged)
Avatar
EBAYGALANT
  • MEMBER
  • 12 POSTS
Hi, I noticed something else about two minutes ago i pulle dmy spark plug back out only to find all four of them fuel soaked and fuel sitting on top of the pistons so im guess its not firing now.
Apr 14, 2020 at 6:55 PM (Merged)
Avatar
EBAYGALANT
  • MEMBER
  • 12 POSTS
Hi, Yes number one is at tdc i checked it again not too long ago and i just swapped both snesors out and its still having the same problem is there anyway i can post a picture of it so you can see it.
Apr 14, 2020 at 6:55 PM (Merged)
Avatar
MERLIN2021
  • CERTIFIED EXPERT
  • 17,250 POSTS
If the motor is fuel soaked so bad that gas is sitting on the pistons, a plug, oil and filter change is needed, then check for fuel in the pressure regulator vacuum line, if there is any, replace the regulator.
Apr 14, 2020 at 6:56 PM (Merged)
Avatar
EBAYGALANT
  • MEMBER
  • 12 POSTS
Hi, Ok heres the update what i needed to do was change the cam gears from the old protege engine to the new one i got from the 626 after doing that i had made a mistake and put the intake cam on wrong so thats why she wouldnt start but i corrected that and now shes running fine except for a leaking radiator hose that ill get tomorrow from oreillys so for anyone out there that reads this you can put a mazda 626 2.0l motor in a 2001-2003 protege 2.0l just change all exterior componets such as intake manifold, exhaust manifold, harmonic balancer, all electrical items ,and most of all the cam gears then you'll be setand i thank everyone for helping my figure out this problem especially you merlin2021 your timming belt diagram is what made me take a second look at the cam gears.

Thank You
Apr 14, 2020 at 6:56 PM (Merged)
Avatar
EBAYGALANT
  • MEMBER
  • 12 POSTS
Hi, Also Neede to add this the reason i had to change to cam gears were because the ones on the 626 engine have only one lobe on them for the cam sensor to read while the protege engine has three lobes on it for it to read.
Apr 14, 2020 at 6:56 PM (Merged)
Avatar
MERLIN2021
  • CERTIFIED EXPERT
  • 17,250 POSTS
good work!
Apr 14, 2020 at 6:56 PM (Merged)
Avatar
MECHANICGAM
  • MEMBER
  • 1 POST
Man I wish I had found this sooner! I did the exact same thing. I put a 626 motor into a Protege and had the exact same symptoms as EBAYGALANT. I checked the cam gears and sure as $h!t the 626 engine has only one lobe on them for the cam sensor to read while the Protege engine has three lobes. I owe you one EBAYGALANT lol! THIS SITE RULES!
Apr 14, 2020 at 6:56 PM (Merged)