Timing

1994 MAZDA B4000
130,000 MILES • 4.0L • 6 CYL • 4WD • MANUAL
Avatar
TONY KEITH
  • MEMBER
  • 4 POSTS
Hi, I did a upper engine replace heads new, timing chain, oil pump. All back together no compression. Did leak down all cylinder all at 25 to 30%.
TDC I have the timing mark on crank on top and cam mark at bottom. Should the cam mark be at top also, on TDC
As of now when I rotate the engine so the timing mark on crank is at top and the cam mark is at top the exhaust valve on number one starts to open.

I think I may have the timing 180 degrees out.

Please help. Thanks, Tony

PS. When I first finish this I started the engine it ran smooth let it warm up in shop checked all fluid levels all okay. So I drove the truck for about 1/4 mile that is when it stopped. Towed it back to shop that is when I checked the compression and had none. I was also thinking that maybe the heads are machine wrong where the rocker arm shaft mount. Thinking maybe the lifters build up with oil and now valves are opening to soon maybe I just beside myself with this.
I am sixty five years old started working on cars when I was old enough to hand my dad wrenches. I have a home shop and do a lot of car repairs.
Thanks again
Sep 26, 2018 at 4:07 PM
Advertisement
Avatar
JACOBANDNICKOLAS
  • CERTIFIED EXPERT
  • 110,175 POSTS
Hi and thanks for using 2CarPros.com

It sounds like you did it right. The cam mark is at 6 and crank at 12. If you have no compression, maybe the chain jumped. That is where I would start. The engine was running and now no compression. If you were 180 out ( and I don't think that is possible on this engine) it never would have run.
________________

I do not know if you need them, but here are the directions for chain replacement. It shows where the marks go. Also, make sure the tension-er is good.

_______________________

REMOVAL

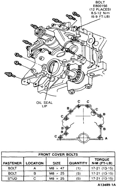
NOTE: It is necessary to replace the oil pan gasket when removing and installing engine front cover. It is necessary to remove the engine to remove the oil pan.

1. Remove engine front cover.
2. Push timing chain tension-er into the retracted position and install retaining clip.
3. Remove the camshaft sprocket retaining bolt and the crankshaft sprocket key.

Timing Chain And Gears
4. Remove the crankshaft sprocket and camshaft sprockets with the timing chain.
5. Remove the timing chain and timing chain guide as required.

INSTALLATION
1. Install the timing chain guide to the cylinder block with the pin of the guide inserted into the oil hole in the block. Install the two retaining bolts, and tighten to 10-12 Nm (7-9 ft lb).
2. Position the camshaft so the timing mark will align with the crankshaft. Position the crankshaft so the timing mark will align with the camshaft.
3. Install the crankshaft sprocket, camshaft and timing chain together.

NOTE: Make sure that the tension-er side of the timing chain is held inward, and that the guide side of the chain is straight and tight.

Timing Chain Alignment Marks
4. Install the crankshaft key and check the timing marks on the crankshaft sprocket and camshaft sprocket for correct alignment.
5. Install the camshaft sprocket retaining bolt, and tighten to 60-68 Nm (44-50 ft lb).
6. Remove the clip from the timing chain tension-er.
7. Check the camshaft end play.

CAUTION: Prying against the camshaft gear with the valve train load on the camshaft can break or damage the gear. Therefore, the rocker arm adjusting nuts must be backed off, or the rocker arm and shaft assembly must be loosened sufficiently to free the camshaft. After checking the camshaft end play, adjust the valve clearance.

Camshaft End Play
a. Push camshaft toward rear of engine. Install Dial Indicator TOOL-4201-C or equivalent so indicator point is on camshaft sprocket attaching screw.
b. Zero dial indicator. Pull camshaft forward and release it. Compare dial indicator reading with specifications. Camshaft end play specification is 0.0203-0.1016 mm (0.0008-0.004 in) and camshaft end play service limit is 0.2286 mm (0.009 in). If end play is excessive, replace camshaft thrust plate.
c. Remove dial indicator.
d. After replacing thrust plate, check end play again. If it is still out of specified range, inspect camshaft and cylinder head/cylinder block for excessive wear.

Engine Front Cover
8. Install the engine front cover tighten bolts to 17-21 Nm (13-15 ft lb).
9. Fill and bleed the cooling system.
10. Fill the crankcase with clean engine oil of the recommended grade and viscosity.
11. Start the engine and operate at fast idle. Check for coolant and oil leaks.

_____________________________

Let me know if this helps or if you have other questions.

Take care,
Joe
Sep 26, 2018 at 6:46 PM
Avatar
TONY KEITH
  • MEMBER
  • 4 POSTS
Thanks, all in the timing chain is new and I have checked and timing has not jumped. I have done timing jobs a lot, I will say most were GM, but as my family has grown over the years I have worked in depth of a lot others. This one has me baffled! Tomorrow I am going to shim the rocker arm rail up. I really think the issue is in the machine boss that the rail sits on. That it is machine to low making the valves opening and closing to soon. It is the only other thing I can think of, unless you can think of something else?
I am lost on this.
Sep 26, 2018 at 7:40 PM
Advertisement
Avatar
TONY KEITH
  • MEMBER
  • 4 POSTS
Update: after a lot of pulling apart I found the cam gear alignment pin was spot weld and came loose this was a new gear.
Sep 27, 2018 at 2:26 PM
Avatar
JACOBANDNICKOLAS
  • CERTIFIED EXPERT
  • 110,175 POSTS
Wow! That is the problem. I hope it did not damage anything else. One has to wonder where parts are made anymore. Chances are Ford (Mazda) did not make that one here.

Let me know if that takes care of all the problems.

Joe
Sep 27, 2018 at 5:56 PM
Avatar
TONY KEITH
  • MEMBER
  • 4 POSTS
Joe thanks for all the help you guys are great. This is the first time I have ever seen this. I am 65 been doing this all my life. here is a new picture:
Sep 29, 2018 at 9:57 AM
Avatar
JACOBANDNICKOLAS
  • CERTIFIED EXPERT
  • 110,175 POSTS
That is hard to believe. I miss the days more things were made here. They may have been a bit more expensive, but that wouldn't have happened.

Take care and let me know when you get it back together.
Sep 29, 2018 at 5:47 PM