tilt steering

2003 SATURN L200
140,000 MILES • 2.2L • 4 CYL • FWD • AUTOMATIC
Avatar
LASH
  • MEMBER
  • 1 POST
tilt steering has one to two inches up-down free-play.
Jun 2, 2017 at 8:03 AM
Advertisement
Avatar
STRAILER
  • CERTIFIED EXPERT
  • 53,854 POSTS
Hello,

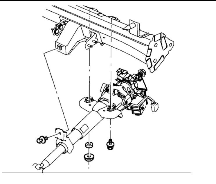
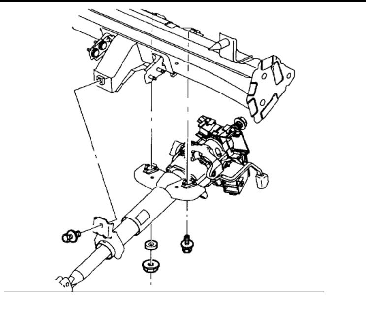
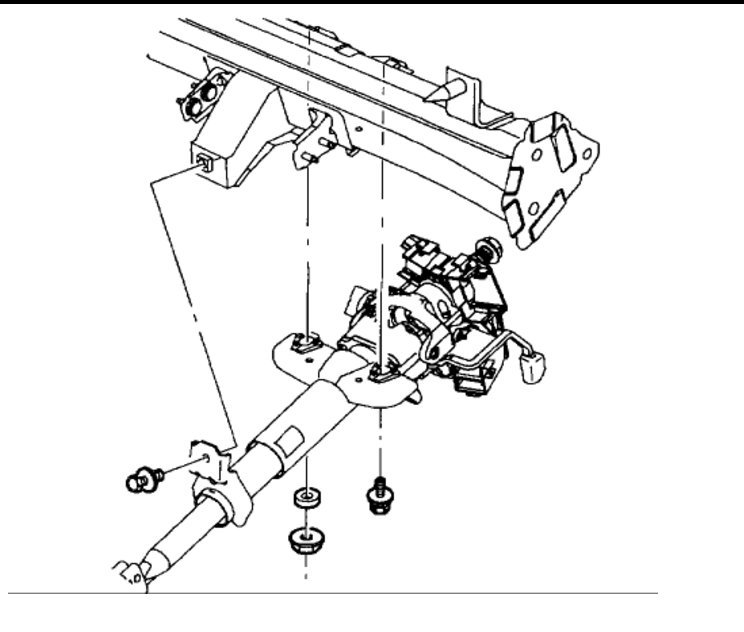
You have something loose in the column here is a group of expanded views and guide to help you take it apart and see what is going on.

https://www.2carpros.com/articles/steering-wheel-removal

Please let us know what you find.

Cheers, Ken

Jun 2, 2017 at 6:52 PM