How to remove and replace the Throttle Position Sensor?

2005 HONDA ACCORD
150,000 MILES • 3.0L • 6 CYL • 2WD • AUTOMATIC
Avatar
AZDANNO04
  • MEMBER
  • 343 POSTS
How to remove the old and replace it?
Jan 7, 2023 at 2:48 PM
Advertisement
Avatar
AL514
  • CERTIFIED EXPERT
  • 5,465 POSTS
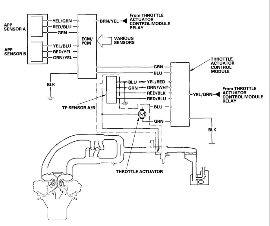
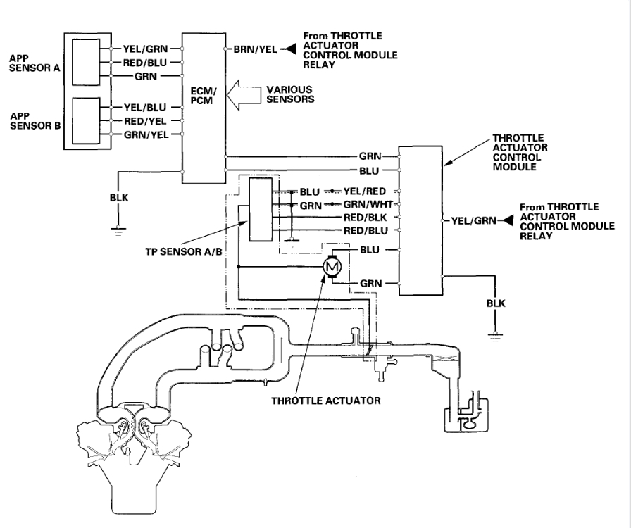
Hello, are you getting a code for the Throttle Position sensor or the Accelerator Pedal position sensor (APP sensor)? The picture you have is of the APP sensor. The throttle position sensor is on the Throttle Body that the air intake tube attaches to, Ill post a picture. This is known as a Drive by wire system. The throttle cable that is attached to your gas pedal goes to the APP sensor. The engine computer takes the data from that sensor and controls the throttle plates electronically by the throttle actuator. The Throttle Position sensor is part of the throttle actuator and only tells the engine computer what position the throttle plates are at. This model also has a Throttle Actuator control module, so there are multiple components that control the throttle body in this vehicle. So, depending on what code number you have, it will depend on which component is at fault.
It looks like from service information that the throttle position sensor and the throttle actuator are replaced as one unit. Shown in the 6th diagram

https://www.2carpros.com/articles/how-a-throttle-body-works
Jan 7, 2023 at 3:12 PM