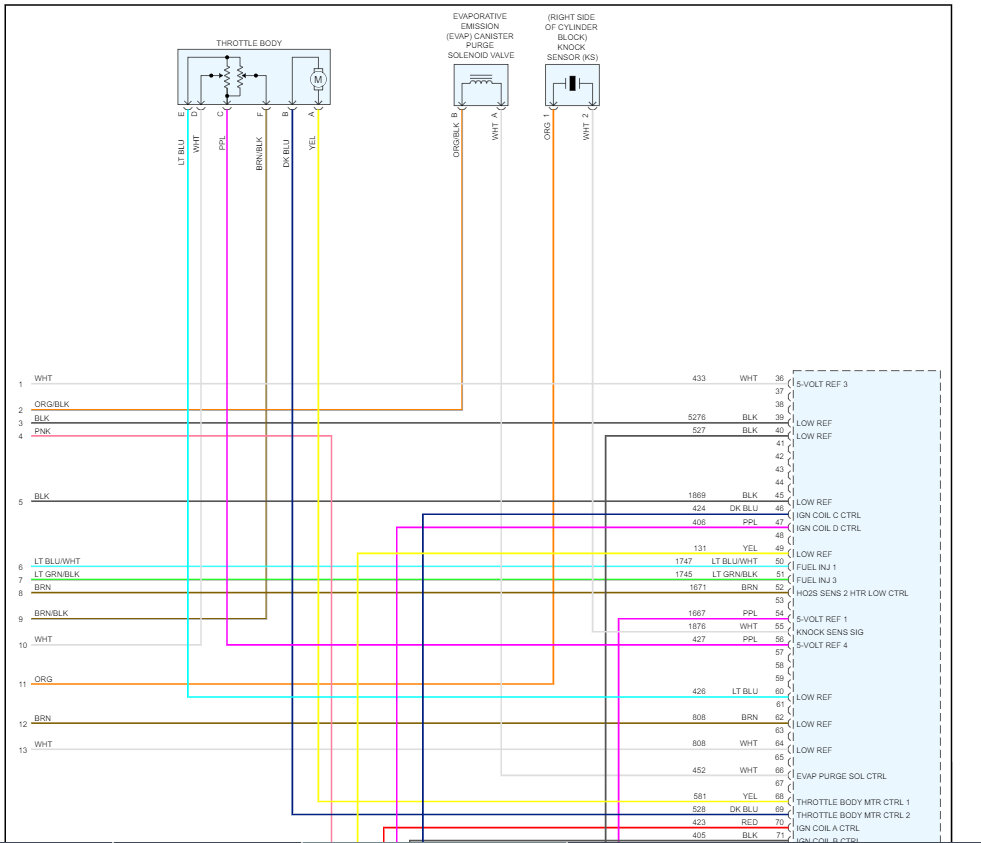
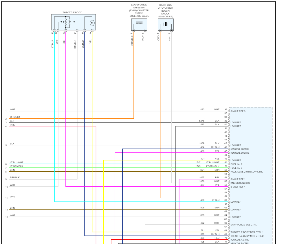
I have optra 2009 model and encounter problem of rough idling RPM are fluctuating b/w 500 to 1400. The scanner says ISC command -37%. There might be some broken wire. I need help to identify and fix the problem, I am in KSA.
Feb 12, 2023 at 11:22 PM



















