This vehicle does not crank from key and cannot communicate?

2006 MERCEDES BENZ ML500
216,547 MILES
Avatar
MALLYBOY
  • MEMBER
  • 327 POSTS
This vehicle cannot start from ignition switch. When you turn on the ignition switch, you will hear a click sound on the starter motor as if the starter wants to engage. When you turn and hold the key, the ignition light will be turned off and comes on again but cannot start, and also there was no power to dlc terminal 16. What's the cause of this no crank? And also, how do I locate circuit 15?
Oct 13, 2022 at 2:48 PM
Advertisement
Avatar
MALLYBOY
  • MEMBER
  • 327 POSTS
And also how do I locate CIRCUIT 15?
Oct 14, 2022 at 4:51 AM
Avatar
STRAILER
  • CERTIFIED EXPERT
  • 53,854 POSTS
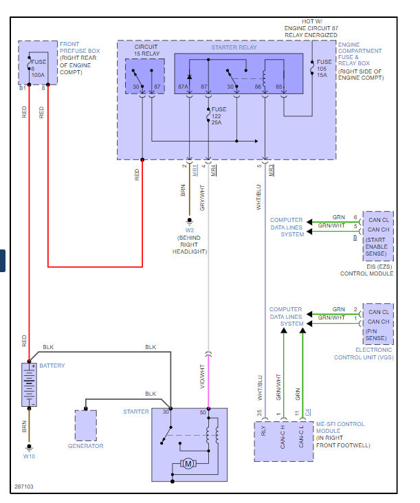
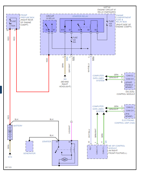
Is the battery in good shape? If so, it sounds like the starter or starter relay is not working. here is the starter wiring diagrams so you can see how the system works and a guide on how to test the relay and starter:

https://www.2carpros.com/articles/how-to-check-an-electrical-relay-and-wiring-control-circuit

and

https://www.2carpros.com/articles/starter-not-working-repair

The starter relay and relay circuit 15 are in the fuse panel under the hood. Check out the images (below). Please let us know what happens.
Oct 14, 2022 at 1:14 PM
Advertisement
Avatar
MALLYBOY
  • MEMBER
  • 327 POSTS
Is the battery in good shape?
Well, the battery is drained but I used jumper cable and battery well charged to power it up. Could it be that the jumper cable is where the contact is having weak connection by making that voltage leak sound.
I used test lamp and DMM to check battery voltage on terminal 30 of circuit 15 relay and there was power. I check terminal 85 of starter relay when ignition is turned on, there's power, I check terminal 86 the ground signal from ECM and it reads 3.7V, I check 87a to ground and there was ground. I checked 87 and 30 and noticed that it closed but the starter solenoid ignition output was not reaching to starter solenoid. Could it be faulty EIS control unit. And if so, how do I test EIS?
Oct 14, 2022 at 1:36 PM
Avatar
STRAILER
  • CERTIFIED EXPERT
  • 53,854 POSTS
It sounds like we need to do a CAN scan to check the EIS controller, you can get a CAN scanner (Controller Area Network) from Amazon for about $36.00.

Here is a video to show you how:

https://youtu.be/u-4syLc-ifQ

and

https://www.2carpros.com/articles/can-scan-controller-area-network-easy

Amazon CAN scanner link for about $35.00.

https://amzn.to/3R9lJ60
Oct 15, 2022 at 12:13 PM
Avatar
MALLYBOY
  • MEMBER
  • 327 POSTS
Okay, let me check and get back to you.
Oct 15, 2022 at 3:16 PM
Avatar
STRAILER
  • CERTIFIED EXPERT
  • 53,854 POSTS
Sounds good.
Oct 16, 2022 at 2:07 PM
Avatar
MALLYBOY
  • MEMBER
  • 327 POSTS
I have resolved the problem, I noticed communication problems from fuses 25, 39, 46, and 58 on load compartment fuse and relay box that all bridge their circuit together. I separated them and cranked, it cranked, but the transmitter is not working when you press key fob.
Oct 17, 2022 at 10:27 AM
Avatar
STRAILER
  • CERTIFIED EXPERT
  • 53,854 POSTS
Like the wiring harness is having issues or, I am not sure what you say when you separated the fuses? Can you upload a video or image?
Oct 18, 2022 at 10:12 AM
Avatar
MALLYBOY
  • MEMBER
  • 327 POSTS
The circuit under fuse box load compartment that powers fuse 25,39,46 and 56, the wires were bridged.
Oct 18, 2022 at 3:35 PM
Avatar
STRAILER
  • CERTIFIED EXPERT
  • 53,854 POSTS
nice work, thanks for getting back to me.
Oct 19, 2022 at 12:09 PM