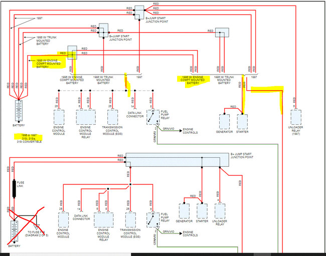
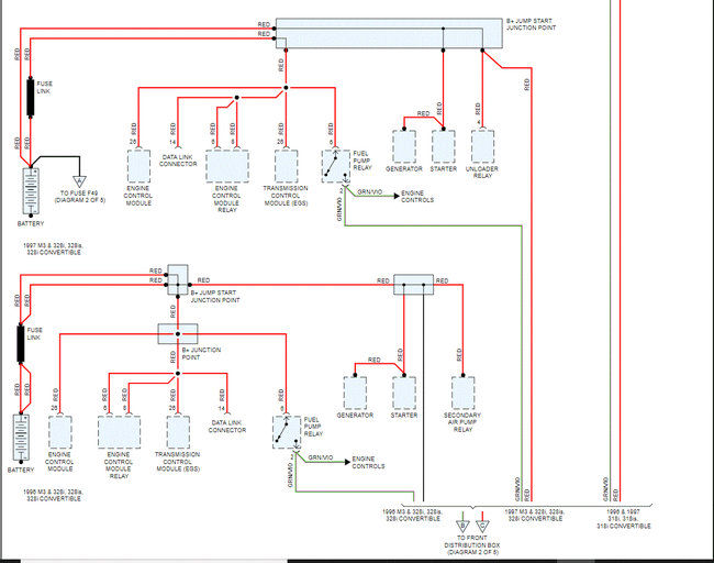
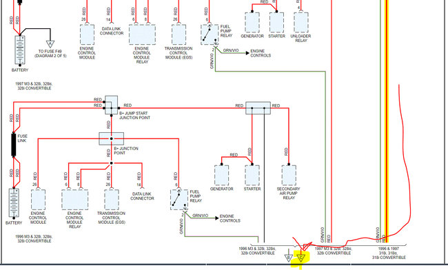
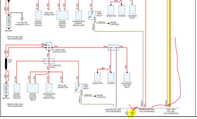
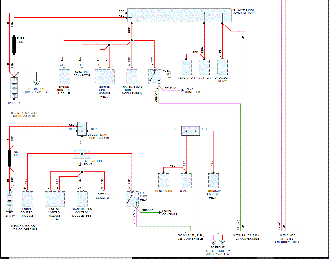
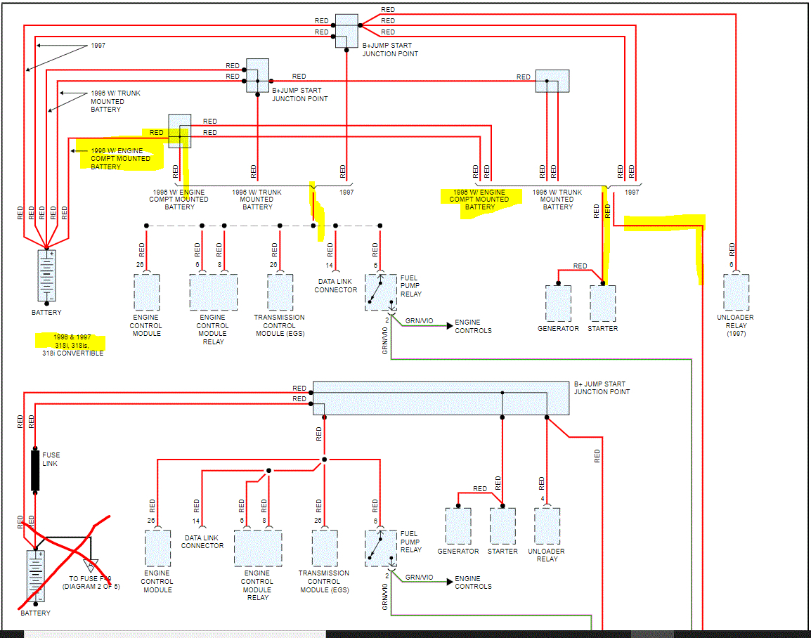
Car listed above is 318i E36. When i used to connect the battery on my car the central door locks would make clicking/resetting sound telling me that my battery was connected!Everything working fine up to then. So I recently decided to lay my car up for a few months by disconnecting the battery etc. when i came back to the car a few months later and reconnect the battery i didn't hear the normal clicking/reset sounds telling me that the battery had been connected nothing. Is this a faulty Engine Control Module relay/fuse causing the central door relay switches not to work? PS.Even though i have replaced the battery with a new new one,there is no power getting to car?
Jun 13, 2021 at 3:41 AM














