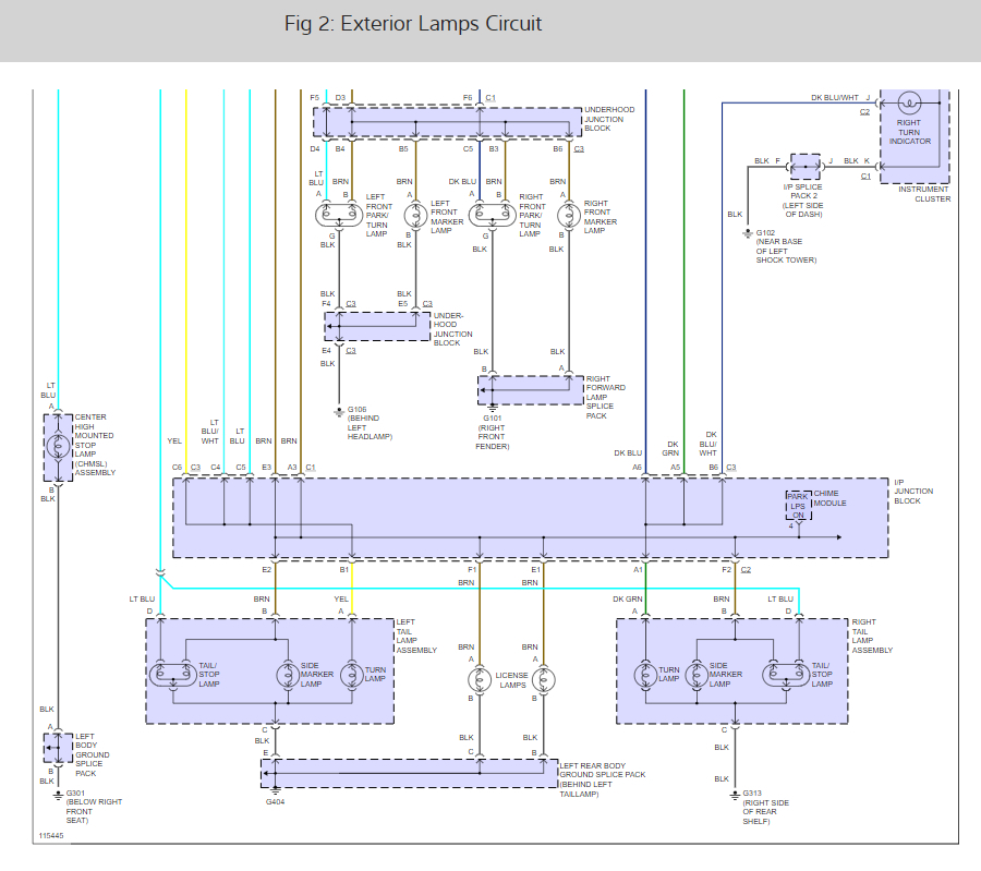
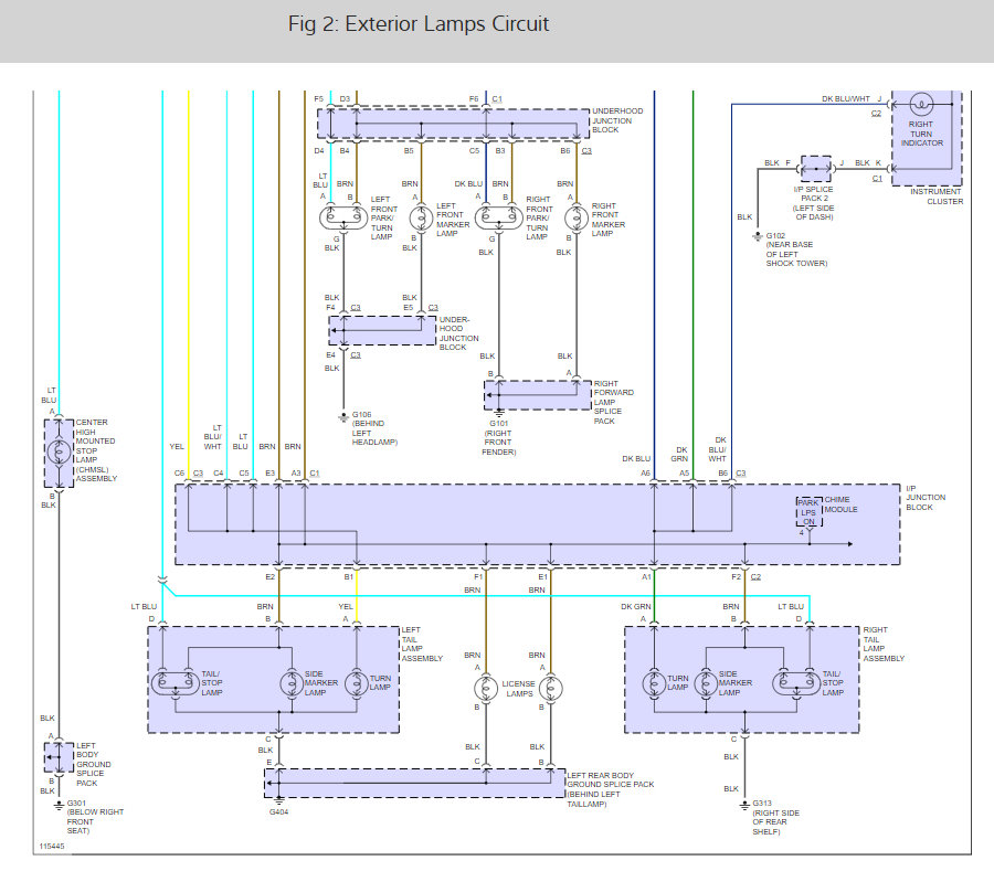
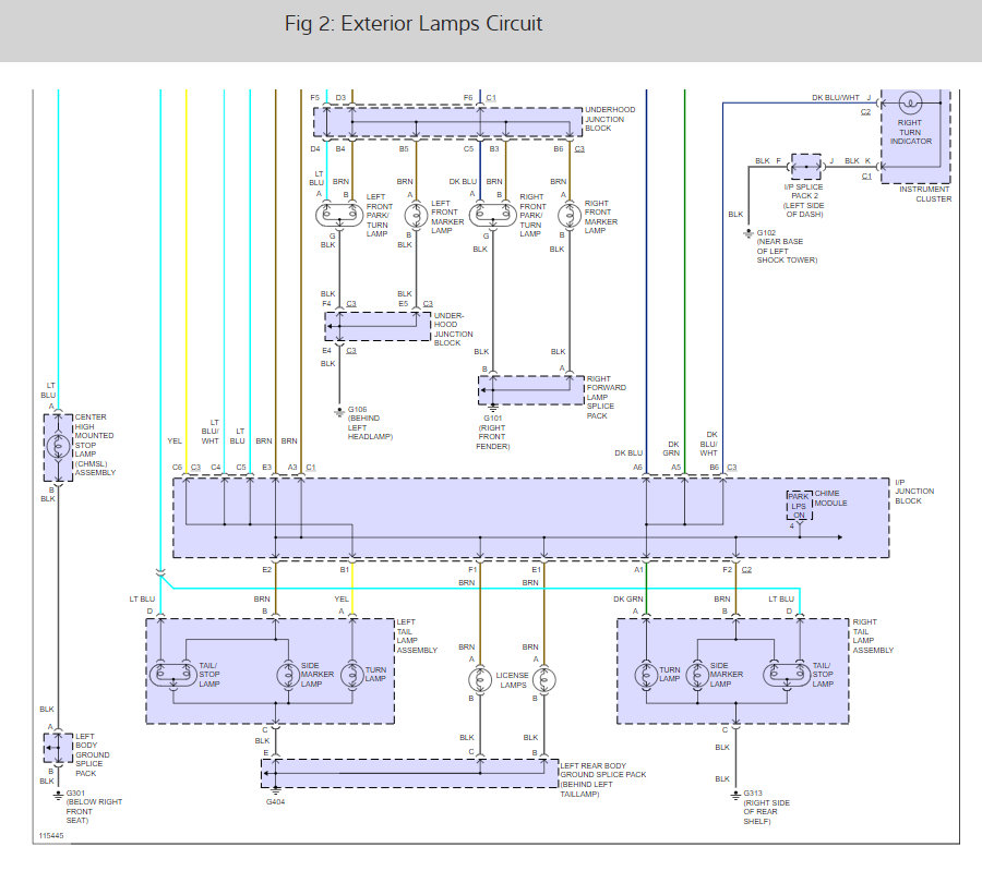
third brake light stays on when lights are on gets brighter when brake pedal is pressed it looks like one of the bulbs is burned on the third light had to reconnect the wiring to the trunk light and license plate lights last bulb changed was the front tail light noticed the problem with the third light after i had my front brakes changed checked the brake pedal switch.
Jan 24, 2014 at 5:34 PM

