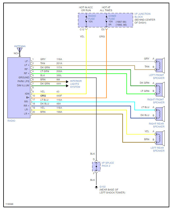
There's wiring hanging at my feet, wet outside, I didn't pay attention and pulled the already been yanked on loose cord wiring loose. I didn't wire the thing someone else did, so not sure where to hook it, it says another twelve volts but not sure what to do. I tried wiring to my radio it's on all time that's on the radio all time didn't work. The car was given to me two weeks ago and a lot of other wiring messed with. Neutral safety switch?
Dec 17, 2022 at 10:27 AM
