heater core plenum removal and replacement instructions please?

2012 CHEVROLET SILVERADO
50,000 MILES • 2WD • AUTOMATIC
Avatar
ROANN WEE
  • MEMBER
  • 1 POST
I am replacing my left blend door actuator and the door pivot will not move. How do remove the heater plenum to remove the obstruction, and where is it?
Jun 14, 2018 at 12:17 PM
Advertisement
Avatar
STRAILER
  • CERTIFIED EXPERT
  • 53,854 POSTS
Hello,

The heater plenum is under the dash. Here is a guide to help you see what you are in for when doing the job. You will need to vacuum down and recharge the A/C system.

https://www.2carpros.com/articles/re-charge-an-air-conditioner-system

Start by disconnecting the battery and draining the coolant from the engine.

https://youtu.be/Eqf-H3COtSo
and

https://www.2carpros.com/articles/replace-blend-door-motor

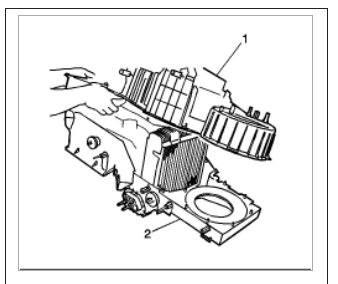
Check out the diagrams below on how the job is done on your truck and the locations of the blend door actuators drivers side is on the bottom passengers dye is on the top. Please let us know if you need anything else to get the problem fixed.

Cheers, Ken
Apr 28, 2021 at 4:12 PM
Avatar
C.COLLIER
  • MEMBER
  • 1 POST
Need a step by step procedure or diagram of bolts to be removed to remove heater core.
May 25, 2021 at 11:36 AM (Merged)
Advertisement
Avatar
ASEMASTER6371
  • CERTIFIED EXPERT
  • 52,796 POSTS
Good evening,

Below are the step by step instructions with the pictures.

Removal Procedure

1. Drain the engine coolant. Refer to Cooling System Draining and Filling (Vac-N-Fill) Cooling System Draining and Filling (Static Fill).

2. Using the J 43181 disconnect the inlet heater hose from the heater core.

1. Install the J 43181 to the heater core pipe.
2. Close the tool around the heater core pipe.
3. Firmly pull the tool into the quick connect end of the heater hose.
4. Firmly grasp the heater hose. Pull the heater hose forward in order to disengage the inlet hose from the heater core.

3. Using the J 43181 disconnect the surge tank outlet hose from the heater core.

1. Install the J 43181 to the heater core pipe.
2. Close the tool around the heater core pipe.
3. Firmly pull the tool into the quick connect end of the heater hose.
4. Firmly grasp the heater hose. Pull the heater hose forward in order to disengage the surge tank outlet hose from the heater core.

4. Remove the upper intake manifold sight shield.
5. Remove the battery.
6. Remove the accumulator.
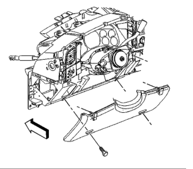
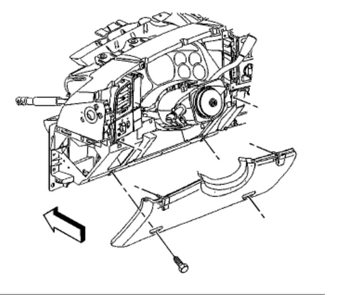
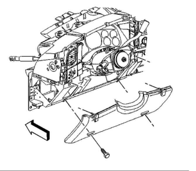
7. Remove the instrument panel to the service position.

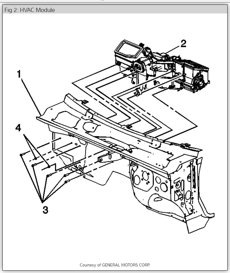
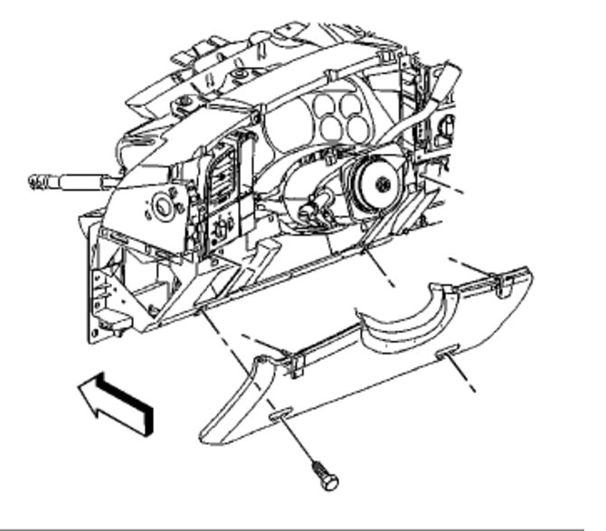
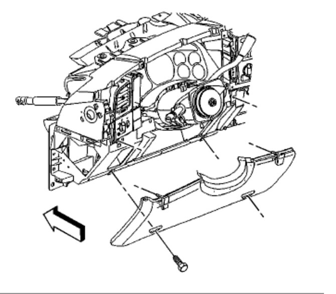
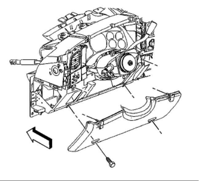
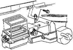
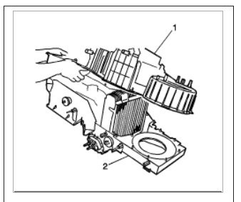
8. Remove the nuts (2) from the HVAC module (3).
9. Remove the bolts (1) from the HVAC module (3).
10. Remove the HVAC module (3).


May 25, 2021 at 11:36 AM (Merged)
Avatar
STRAILER
  • CERTIFIED EXPERT
  • 53,854 POSTS
Hello,

Here are the rest of the diagrams to help you get the job done plus you will need to vacuum down the air conditioner:

https://www.2carpros.com/articles/re-charge-an-air-conditioner-system

Check out the diagrams (below). Please let us know if you need anything else to get the problem fixed.

Cheers, Ken
May 25, 2021 at 11:36 AM (Merged)
Avatar
2CP-ARCHIVES
  • MEMBER
  • 4,540 POSTS
how do you take out the heater core on a 2005 Silverado 2500 HD
May 25, 2021 at 11:37 AM (Merged)
Avatar
STRAILER
  • CERTIFIED EXPERT
  • 53,854 POSTS
You will need to discharge and recharge the air conditioner as well, here is a link for that

https://www.2carpros.com/articles/re-charge-an-air-conditioner-system

Here are the core replacement instructions.

Heater core replacement replacement general guide.

https://www.2carpros.com/articles/replace-heater-core

Tools Required

J 43181 Quick Connect Connector Removal Tool

Removal Procedure

Drain the engine coolant. Refer to Draining and Filling Cooling System (w/RPO HP2) or Draining and Filling Cooling System (w/o RPO HP2) in Engine Cooling.
If equipped remove the auxiliary battery. Refer to Battery Replacement - Auxiliary in Engine Electrical.
Using the J 43181 disconnect the inlet heater hose from the heater core.
Install the J 43181 to the heater core pipe.
Close the tool around the heater core pipe.
Firmly pull the tool into the quick connect end of the heater hose.
Firmly grasp the heater hose. Pull the heater hose forward in order to disengage the inlet hose from the heater core.
Fig 1: Identifying Heater Hose To Heater Core Fittings
GM362171
Courtesy of GENERAL MOTORS CORP.
View Full-Screen
Using the J 43181 disconnect the surge tank outlet hose from the heater core.
Install the J 43181 to the heater core pipe.
Close the tool around the heater core pipe.
Firmly pull the tool into the quick connect end of the heater hose.
Firmly grasp the heater hose. Pull the heater hose forward in order to disengage the surge tank outlet hose from the heater core.
Remove the accumulator. Refer to Accumulator Replacement .
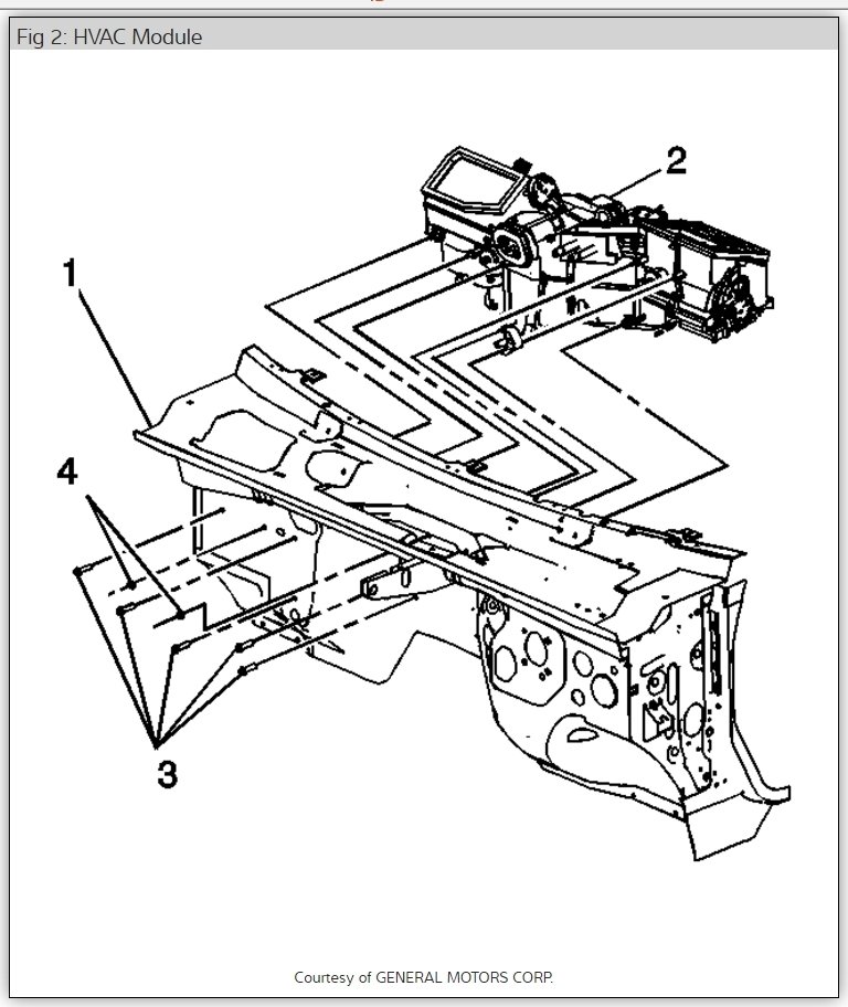
Remove the instrument panel carrier. Refer to Instrument Panel (I/P) Carrier Replacement in Instrument Panel, Gages and Console.
Remove the HVAC module drain hose.
Disconnect the electrical harnesses and the ground connections from the HVAC module.
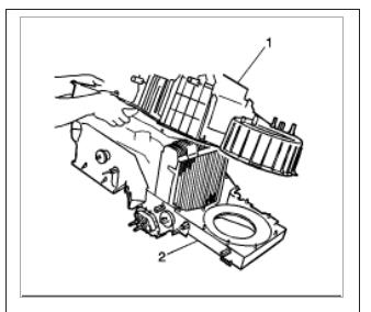
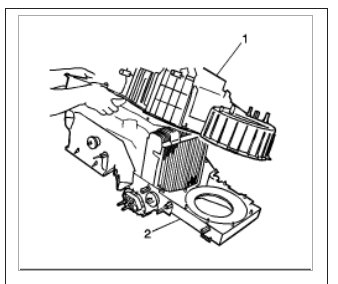
Remove the nuts (4) from the HVAC module (2).
Fig 2: HVAC Module
GM810832
Courtesy of GENERAL MOTORS CORP.
View Full-Screen
Remove the bolts (3) from the HVAC module (2).
Remove the HVAC module (2) from the vehicle (1).
Installation Procedure

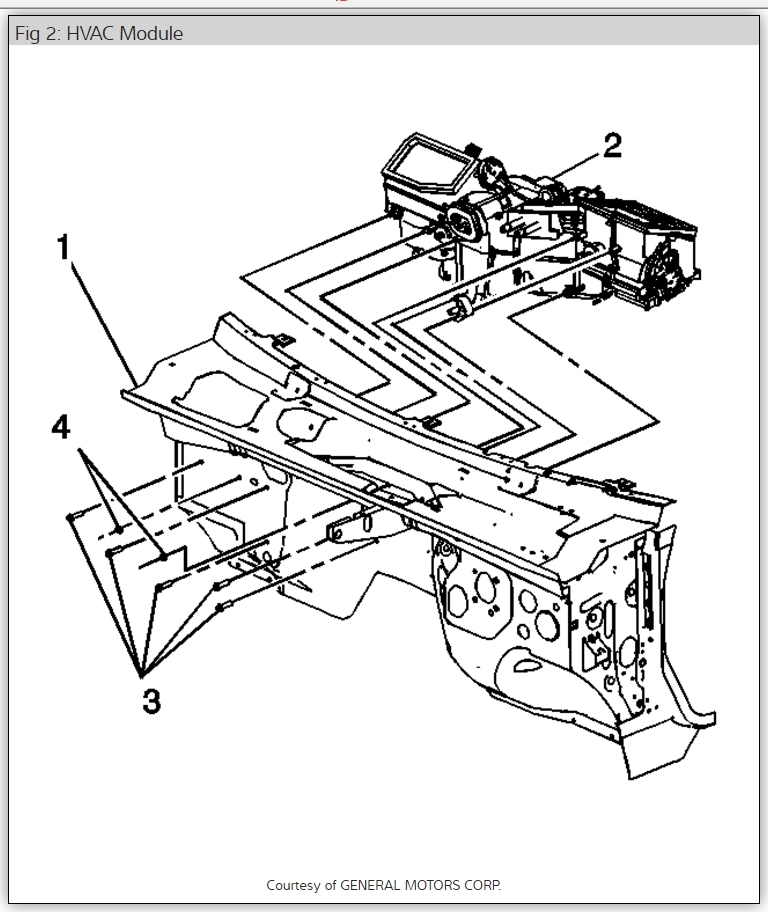
If replacing the HVAC module, transfer the components from the old HVAC module as necessary.
Fig 3: HVAC Module
GM810832
Courtesy of GENERAL MOTORS CORP.
View Full-Screen
Install the HVAC module (2) to the vehicle (1).
NOTE: Refer to Fastener Notice in Cautions and Notices.
Install the nuts (4) to the HVAC module (2).
Tighten: Tighten The Nuts To 9 N.M (80 Lb In).

Install the bolts (4) to the HVAC module (2).
Tighten: Tighten The Bolts To 4 N.M (35 Lb In).

Connect the electrical harnesses and the ground connections.
Install the HVAC module drain hose.
Install the instrument panel carrier. Refer to Instrument Panel (I/P) Carrier Replacement in Instrument Panel, Gages and Console.
Install the accumulator. Refer to Accumulator Replacement .
Install the surge tank outlet hose to the heater core.
Firmly Push The Quick Connect Onto The Heater Core Pipe Until You Hear An Audible Click.

Fig 4: Removing/Installing Heater Hose To Engine
GM363237
Courtesy of GENERAL MOTORS CORP.
View Full-Screen
Install the inlet heater hose to the heater core.
Firmly Push The Quick Connect Onto The Heater Core Pipe Until You Hear An Audible Click.

Fill the cooling system. Refer to Draining and Filling Cooling System (w/RPO HP2) or Draining and Filling Cooling System (w/o RPO HP2) in Engine Cooling.

Check out the diagrams (Below). Please let us know if you need anything else to get the problem fixed.

Cheers, Ken
May 25, 2021 at 11:37 AM (Merged)
Avatar
CDAMRON48
  • MEMBER
  • 2 POSTS
I am having issues with my heat. so I was advised to change my blend door actuator. When I removed the old actuator the pivot arm that it turns was broken. I am trying to figure out what that part is that needs to be replaced that has the door pivot on it. Is it a part that can just be replaced or is it something more complex with the whole system?
May 25, 2021 at 11:37 AM (Merged)
Avatar
STRAILER
  • CERTIFIED EXPERT
  • 53,854 POSTS
Hello,

If the bleed door pivot is broken you will need to remove the heater plenum to replace it. Here are the instruction on how to do so in the diagrams below. You will need to disconnect the battery first and drain the engine coolant and AC system. here is a guide to help with that:

https://www.2carpros.com/articles/re-charge-an-air-conditioner-system

Can you please shoot a quick video with your phone so we can see what's going on? that would be great. You can upload it here with your response. Check out the diagrams (below). Please let us know what happens.
May 25, 2021 at 11:37 AM (Merged)
Avatar
CDAMRON48
  • MEMBER
  • 2 POSTS
Thank you for your reply. Here is a picture of the broken part I was describing. I’m not sure how complex the replacement of the heater plenum is but from first glance it looks beyond what I would probably do on my own. I might be stuck just taking it somewhere at this point.
May 25, 2021 at 11:37 AM (Merged)
Avatar
STRAILER
  • CERTIFIED EXPERT
  • 53,854 POSTS
Oh man, yep that is broken. the heater plenum will need to be removed. At least you have an idea of what you will be paying for when getting it repaired. Please let us know what happens.
May 25, 2021 at 11:37 AM (Merged)
Avatar
MCNEILL
  • MEMBER
  • 1 POST
how much will it cost to replace a heater core in a 2001 Chevy Silverado 1500 V6 2 wheel drive?
May 25, 2021 at 11:37 AM (Merged)
Avatar
STRAILER
  • CERTIFIED EXPERT
  • 53,854 POSTS
The job will go for about $900.00 for a shop and about $1100.00 from a dealer parts and labor. This is a big job and requires the AC to be evacuated and recharged.

Here are some guides to give you an idea on what is involved.

https://www.2carpros.com/articles/replace-heater-core

and

https://www.2carpros.com/articles/re-charge-an-air-conditioner-system

Here are some diagrams for your car.

Disconnect the battery before you begin.

Please let us know if you need anything else to get the problem fixed.

Cheers, Ken
May 25, 2021 at 11:37 AM (Merged)
Avatar
JRIEGERT
  • MEMBER
  • 3 POSTS
I just got done replacing my water pump, thermostat and it's housing and both belts. Also had to have some else replace my freeze plugs, though I'm not 100% sure they replaced them all. I still have a small leak coming from what appears to be directly under the heater core, but not inside the truck, outside. It will leak out about 1 gallon of coolant every 4 miles. It won't leak cold and with the truck off, but as soon as I start driving it, it starts loosing coolant. I also have radiator vapors coming through my heater vents, whether the heater is off or on, or even set on A/C. Is it my heater core, like I think? Or could it be something else?
May 25, 2021 at 11:37 AM (Merged)
Avatar
ASEMASTER6371
  • CERTIFIED EXPERT
  • 52,796 POSTS
Good afternoon,

It sounds like the heater core is leaking. The coolant is coming from the AC drain hole in the evaporator. Common issue.

I would replace the heater core.

https://www.2carpros.com/articles/replace-heater-core

Roy
May 25, 2021 at 11:37 AM (Merged)
Avatar
ASEMASTER6371
  • CERTIFIED EXPERT
  • 52,796 POSTS
I attached a you tube video for you of the replacement.

Roy

https://www.youtube.com/watch?v=4OWbSgPCTkE
May 25, 2021 at 11:37 AM (Merged)
Avatar
JRIEGERT
  • MEMBER
  • 3 POSTS
Thank you, then it's what I was thinking. Just wasn't 100% sure because it wasn't leaking inside the cab, like it did when my heater core went out in my 1982 Firebird.
In your opinion, would linking those hoses together to bypass the heater core until I can get it fixed cause any issues, especially with everything I've replaced and had others replace?
May 25, 2021 at 11:37 AM (Merged)
Avatar
ASEMASTER6371
  • CERTIFIED EXPERT
  • 52,796 POSTS
No, that is a good temporary fix until you get it repaired.

Roy
May 25, 2021 at 11:37 AM (Merged)
Avatar
JRIEGERT
  • MEMBER
  • 3 POSTS
Thank you very much.
May 25, 2021 at 11:37 AM (Merged)
Avatar
ETCAR
  • MEMBER
  • 1 POST
does it matter if hoses are reversed going into the heater core.does it matter how water flows through the thermostat housing and the heater core.also i can"t find the heater control valve can you help THANKS ed
May 25, 2021 at 11:37 AM (Merged)
Avatar
JACOBANDNICKOLAS
  • CERTIFIED EXPERT
  • 110,175 POSTS
Yes, the direction of flow through the thermostat matters. However, if you have the upper radiator hose going to the t-stat housing, if will flow correctly. As far as the heater core, I wouldn't think that would affect anything. However, I've never been asked this question in 30 years on the job.

Now for the "heater control valve," it doesn't exist on this vehicle. You have what is called a blend air door that determines if you get heat in the vehicle. It is located near the heater core. In one position, it allows heat to enter the vehicle, and in the other, AC can enter the vehicle. If it is stuck in the wrong position, you won't get heat. Do this. Start the engine, turn the heat on high, and let the engine warm up. Feel both heater core hoses. Both should be hot. If they are, you have good flow through the heater core and the blend door is most likely the problem. If one is hot and the other is slightly warm, chances are the heater core is plugged. When the engine cools off, remove the heater core hoses and spray water through it in both directions to see if there is flow and to clean it out. That usually does the trick. Also, make sure there are no air pockets in the system after you do this. Allow the return line (to the intake) slightly loose for air to escape before fully tightening it. You will lose a little coolant, but that is what I recommend trying.
May 25, 2021 at 11:37 AM (Merged)
Avatar
SPNHRG
  • MEMBER
  • 2 POSTS
Does the whole dash need to come out and the refrigerant need to be drained from the a/c to remove and replace the heater core. I know all other coolants need to be drained, just never seen one where the a/c condenser had to be removed. Also if you have any pictures or diagrams on this I would really appreciate you sending them along with your answer.
May 25, 2021 at 11:37 AM (Merged)
Avatar
BLUELIGHTNIN6
  • CERTIFIED EXPERT
  • 16,542 POSTS


https://www.2carpros.com/forum/automotive_pictures/261618_Graphic_759.jpg


https://www.2carpros.com/forum/automotive_pictures/261618_Graphic2_107.jpg


https://www.2carpros.com/forum/automotive_pictures/261618_Graphic21_1.jpg

May 25, 2021 at 11:37 AM (Merged)
Avatar
AJKSSNOW
  • MEMBER
  • 2 POSTS
how do I remove the heater core? Step by step with photos if available I plan to get some hoses and try to back flush it to see if I can get anything out of it and if that helps but, I plan to keep this truck for a long time and do not want to be in a situation where I need heat and it goes out again. So I plan to replace the core and would like to know the proper sequence with any pics or diagrams that may help me.Thanks for your support, Allen
May 25, 2021 at 11:38 AM (Merged)
Avatar
IMPALASS
  • CERTIFIED EXPERT
  • 3,112 POSTS
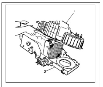
Hi Allen, You will need to discharge and recharge the air conditioner first here is a guide to help you do that. https://www.2carpros.com/articles/re-charge-an-air-conditioner-system Here is a guide to give you an idea of what you are in for when doing the job. https://www.2carpros.com/articles/replace-heater-core (There is a complete diagram set for replacing the heater core below) Just for info are you running Prestone, green coolant? Only reason I ask is if you were running the Dex-Cool.......it has a tendency to gum up in the heater/radiator cores..... REMOVAL PROCEDURE


https://www.2carpros.com/forum/automotive_pictures/248015_1_110.jpg

Drain the engine coolant. Refer to Draining and Filling Cooling System in Engine Cooling. Disconnect the heater hoses. Disconnect the temperature control cable from the heater/ventilation module. Disconnect the mode control cable from the heater/ventilation module. Remove the instrument panel (IP) carrier (2). Disconnect the electrical harnesses and the ground connections as necessary.


https://www.2carpros.com/forum/automotive_pictures/248015_2_59.gif

Remove the heater/ventilation module mounting nuts and the screws. Remove the heater/ventilation module assembly. Set the module assembly on a bench. Remove the heater core cover screws.


https://www.2carpros.com/forum/automotive_pictures/248015_3_39.gif

Remove the heater core cover.


https://www.2carpros.com/forum/automotive_pictures/248015_4_30.gif

Remove the heater core. INSTALLATION PROCEDURE


https://www.2carpros.com/forum/automotive_pictures/248015_5_22.gif

Install the heater core.


https://www.2carpros.com/forum/automotive_pictures/248015_6_18.gif

Install the heater core cover. NOTE: Refer to Fastener Notice in Service Precautions. Install heater core cover screws. Tighten Tighten the screws to 1.6 N.m (14 lb in) . Install the heater/ventilation module assembly to the vehicle. Install the heater/ventilation module mounting nuts and the screws. Tighten Tighten the screws to 4 N.m (35 lb in) . Tighten the nuts to 9 N.m (80 lb in) .


https://www.2carpros.com/forum/automotive_pictures/248015_7_8.gif

Connect the electrical harnesses and the ground connections as necessary. Install the instrument panel carrier (2). Connect the mode control cable to the heater/ventilation module. Connect the temperature control cable to the heater/ventilation module. Connect the heater hoses. Refill the engine coolant. Refer to Draining and Filling Cooling System in Engine Cooling. (Check out the heater core diagrams below) Please let us know if you need anything else to get the problem fixed. Cheers
May 25, 2021 at 11:38 AM (Merged)
Avatar
AJKSSNOW
  • MEMBER
  • 2 POSTS
My fluid is the orange type. Once done I will let you know the results.

I do have a couple of additional questions on the data you sent me.

1) Is there more information as to what the numbers mean on the schematic? I see the drawing is showing these but nothing to reference them to.

2) If i am understanding this correctly it appears that I need to take the entire heater/A/C module out. If so, this information is very vauge and if possible is there a manual I can get that gives much more details? Is there a manual with pictures of the objects being removed? If so where may I purchase it at? I guess I am looking for a specific book on my truck and not a range of years that show general information.

Thanks again,
Allen
May 25, 2021 at 11:38 AM (Merged)
Avatar
IMPALASS
  • CERTIFIED EXPERT
  • 3,112 POSTS
Allen We see tons of problems with the orange, Dex-cool..plugs radiators also The data .the numbers must be from another pic that the manual uses the only number the pic uses it #2 I have attached that for you......the module removal / installation More detailed well. there is a link I attach below and here Find a car repair manual for your car repair questions. That you can purchase a manual You might see if that is what you want If not detailed enough what you may be wanting is the actual service manual I have a 1995 Impala SS and purchased the entire service manuals for this price.but I have detail. HEATER/VENT MODULE REPLACEMENT REMOVAL PROCEDURE


https://www.2carpros.com/forum/automotive_pictures/248015_21_1.jpg

Drain the engine coolant. Refer to Draining and Filling Cooling System in Cooling System. If equipped remove the auxiliary battery. Disconnect the heater hoses. Remove the accumulator. Remove the instrument panel carrier. Remove the HVAC module drain hose. Disconnect the electrical harnesses and the ground connections as needed.


https://www.2carpros.com/forum/automotive_pictures/248015_22_1.jpg

Remove the mounting nuts and the screws from the HVAC module. Remove the HVAC module assembly from the vehicle. INSTALLATION PROCEDURE


https://www.2carpros.com/forum/automotive_pictures/248015_23_1.jpg

If you are replacing the HVAC module, transfer the components from the old HVAC module as necessary. Install the HVAC module assembly to the vehicle. NOTE: Refer to Fastener Notice in Service Precautions. Install the mounting nuts and the screws to the HVAC module. Tighten Tighten the mounting screws to 4 N.m (35 lb in) . Tighten the mounting nuts to 9 N.m (80 lb in)


https://www.2carpros.com/forum/automotive_pictures/248015_24_2.jpg

Connect the electrical harnesses and the ground connections. Install the HVAC module drain hose. Install the instrument panel carrier. Install the accumulator. Connect the heater hoses. Install the auxiliary battery. Fill the cooling system. Refer to Draining and Filling Cooling System.
May 25, 2021 at 11:38 AM (Merged)
Avatar
LAURENW
  • MEMBER
  • 1 POST
Which bolts remove the HVAC box from the firewall of the 1999(.5) truck listed above 2500?
May 25, 2021 at 11:39 AM (Merged)
Avatar
ASEMASTER6371
  • CERTIFIED EXPERT
  • 52,796 POSTS
Good afternoon,

There are 6 bolts securing the case to the firewall. Check out the diagrams (Below). Please let us know if you need anything else to get the problem fixed.

Roy
May 25, 2021 at 11:39 AM (Merged)
Avatar
2CP-ARCHIVES
  • MEMBER
  • 4,540 POSTS
instructions on how to replace the heater
May 25, 2021 at 11:39 AM (Merged)
Avatar
HMAC300
  • CERTIFIED EXPERT
  • 48,601 POSTS
you have to pull the dash first then the heater core, this is really involved as the a/c charge has to be blown then recharged.

Removal & Installation

NOTE: Heater core may be accessible without removing A/C heater assembly. Drain engine coolant. Remove passenger's side door sill plate and kick panel. Pull
passenger's side of carpet back enough to access bolt at rear of heater case cover plate. If all heater case cover plate screws are accessible, begin procedure
at step 6). If removing evaporator core, start at beginning of procedure.

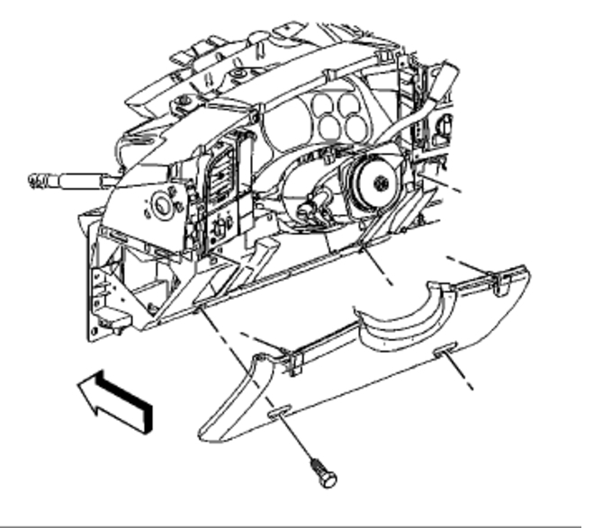
1. Disable air bag system. See AIR BAG SYSTEM SAFETY article in GENERAL INFORMATION. Remove glove box by squeezing sides together. Remove 2 instrument panel retaining bolts from glove box
opening. Remove center floor duct. Remove center support bolt.
2. On diesel models, remove Powertrain Control Module (PCM) and mounting tray. On all models, remove trim panels. Remove both kick panels. Remove blower motor cover and blower motor. See HEATER
SYSTEMS  RWD TRUCKS & VANS  EXCEPT TRACKER.
3. Remove driver's lower instrument panel cover and knee bolster. Lower steering column. Remove instrument panel left and right pivot bolts located at lower corners of instrument panel. Remove 3 screws from
defroster vent near windshield. Disconnect any connectors and tilt instrument panel back far enough to access heater case. Remove coolant recovery reservoir from engine compartment.
4. Drain engine coolant. Disconnect heater hoses at core. Disconnect inlet and outlet lines at evaporator core, and cap openings. Remove accumulator. Remove A/C heater assembly to firewall screws and bolts.
Remove A/C heater assembly from vehicle.
5. Remove 4 screws attaching evaporator case cover. Remove evaporator core from A/C heater assembly.
6. Remove 7 screws attaching heater case cover plate. Remove screws and bracket attaching heater core to A/C heater assembly. See Fig. 12. Remove heater core.
7. To install, reverse removal procedure. Torque fasteners to specification. See TORQUE SPECIFICATIONS. Replace any seals. Lubricate new "O" rings with clean refrigerant oil prior to installation. Add one
ounce of clean refrigerant oil to evaporator. Evacuate, charge, and leak test A/C system. Fill cooling system. Start engine and check for leaks.

May 25, 2021 at 11:39 AM (Merged)
Avatar
THAZ6969
  • MEMBER
  • 1 POST
How do I replace a heater core in a 1999 Chevrolet Silverado?
May 25, 2021 at 11:39 AM (Merged)
Avatar
JACOBANDNICKOLAS
  • CERTIFIED EXPERT
  • 110,175 POSTS
Here is what I could find.



Disconnect the negative battery cable.
Drain the engine cooling system into a clean container for reuse.
Disconnect the heater hoses from the heater core.
Remove the instrument panel storage compartment.
Disconnect the electrical connectors, as necessary, that may be in the way.
Remove the center floor air distribution duct.
Remove the hinge pillar trim kick panels.
Remove the blower motor cover screws and the cover.
Remove the blower motor screws and the blower motor.
Remove the steering wheel and the steering column (standard & tilt).
Remove the instrument panel fasteners and pull the instrument panel back far enough to gain access to the heater assembly.
While holding the heater assembly against the firewall, remove the screw located on the interior side near the evaporator pipe, if equipped.
In the engine compartment, remove the 4 heater assembly-to-chassis screws and the 2 heater assembly-to-chassis nuts.
NOTE
Removal of the heater assembly may require the help of an assistant.

Remove the 7 heater cover-to-heater assembly screws and the cover.
Remove the heater core from the heater assembly.

To install:

Install the heater core to the heater assembly.
Install the heater cover and the 7 heater cover-to-heater assembly screws.
NOTE
Installation of the heater assembly may require the help of an assistant.

In the engine compartment, install the 4 heater assembly-to-chassis screws and the 2 heater assembly-to-chassis nuts. Torque the screws to 17 inch lbs. (1.9 Nm) and the nuts to 25 inch lbs. (2.8 Nm).
While holding the heater assembly against the firewall, install the screw located on the interior side near the evaporator pipe, if equipped. Torque the screw to 97 inch lbs. (11 Nm).
Install the instrument panel and the instrument panel fasteners.
Install the steering column (standard & tilt) and the steering wheel.
Install the blower motor and the blower motor screws.
Install the blower motor the cover and the cover screws.
Install the hinge pillar trim kick panels.
Install the center floor air distribution duct.
Connect the electrical connectors that were disconnected.
Install the instrument panel storage compartment.
Disconnect the heater hoses to the heater core.
Refill the engine cooling system.
Connect the negative battery cable.
Run the engine to normal operating temperatures; then, check the climate control operation and check for leaks.



May 25, 2021 at 11:39 AM (Merged)
Avatar
LEO72
  • MEMBER
  • 1 POST
What steps do I need to follow in order to replace the heater core
May 25, 2021 at 11:39 AM (Merged)
Avatar
RASMATAZ
  • CERTIFIED EXPERT
  • 75,992 POSTS
Remove or Disconnect

Engine coolant.
Instrument panel storage compartment.
Electrical connectors, as necessary.
Center floor air distribution duct.
Hinge pillar trim panels.
Blower motor cover.
Blower motor.
Steering column.
Roll instrument panel back.
Coolant recovery reservoir.
Heater hoses. Refer to "Heater Hoses" in this section.
Screw on interior side of cowl, near the evaporator pipe (if equipped) while holding heater case to the cowl.
Four screws on the engine side of the cowl holding the heater case to the cowl.
Two nuts on the engine side of the cowl holding the heater case to the cowl.
Heater case.
It may be necessary to have an assistant when removing heater case.
Heater cover.
Remove seven screws that hold cover to the heater case.


Heater core from retainer.
May 25, 2021 at 11:39 AM (Merged)
Avatar
SKINNTA
  • MEMBER
  • 1 POST
how do you repair a heater core
May 25, 2021 at 11:40 AM (Merged)
Avatar
MERLIN2021
  • CERTIFIED EXPERT
  • 17,250 POSTS
Removal & Installation 1.Disconnect negative battery cable. Drain cooling system. Remove coolant recovery tank. Disconnect heater hoses at core. Disconnect cable from antenna mast. Remove glove box. 2.Disconnect wiring harness from ECM. Remove ECM and bracket. Remove right kick pad. Remove right lower dash panel bolt and nut. 3.Remove heater case mounting bolts. Remove heater case from vehicle, raising instrument panel for additional room. Remove heater core from heater case. To install, reverse removal procedure. See Fig. 2 . Fig. 2: Heater System Components


https://www.2carpros.com/forum/automotive_pictures/62217_heat_1.jpg

May 25, 2021 at 11:40 AM (Merged)