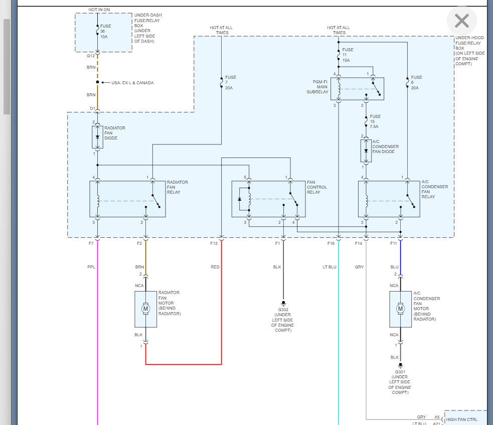
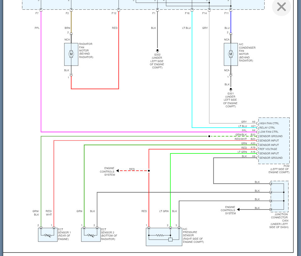
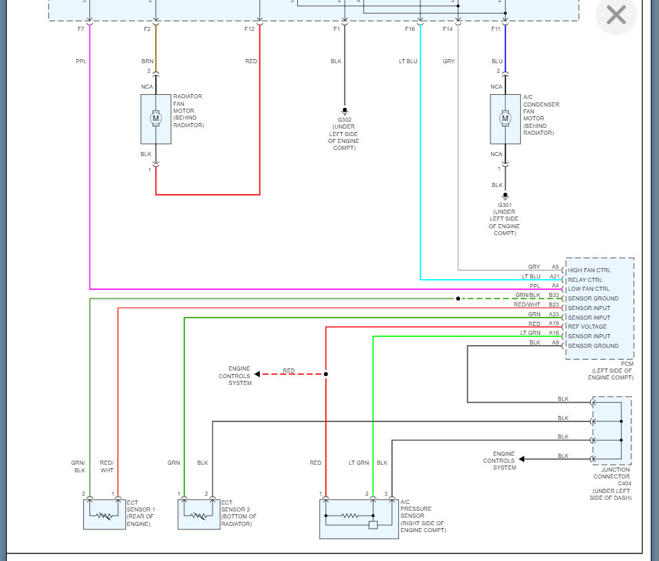
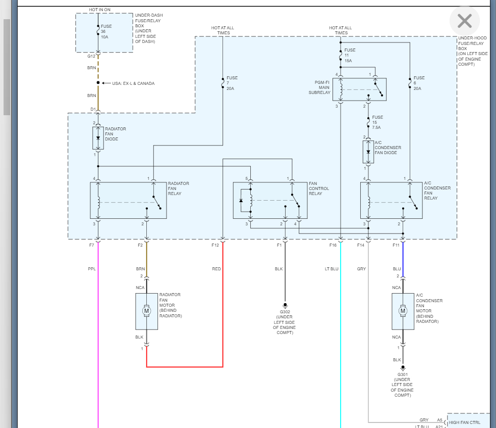
This vehicle had an ECM problem in that it did not start. Then I diagnose and pick P0685:PGM-FI relay control. Then I traced it and noticed that ECM control side was faulty. Then I replaced and programmed it and the fault code was gone. But the radiator fan cannot turn on except when you turn on AC the radiator fan comes on. Then I diagnosed it and pick P0128: thermostat. Then I replace the thermostat and start the vehicle. I monitored the coolant temperature until it reached 90°C but the fan did not turn on. At this point I am confused to say if the thermostat did not open to allow coolant to flow through the engine and engine coolant tells the ECM to trigger the cooling fan. Help please.
May 12, 2022 at 9:38 AM

