Radiator fans not working?

2004 HOLDEN CALAIS
250,000 MILES • 3.8L • V6 • 2WD • AUTOMATIC
Avatar
TONY CINI
  • MEMBER
  • 1 POST
I over-ride the thermo fans and they actually work. I changed the relays. They still don't come on and I tried putting the A/C on still don't come on. when I disconnected the temperature sensor, they come on until I switched the ignition off.
Aug 20, 2022 at 6:48 AM
Advertisement
Avatar
STRAILER
  • CERTIFIED EXPERT
  • 53,854 POSTS
It sounds like you have a bad PCM or BCM we need to do a CAN scan which is easy this will scan the entire car. You can get a CAN scanner from Amazon for about $30.00.

Here is a video to show you how:

https://youtu.be/u-4syLc-ifQ

Here is a scanner link:

https://amzn.to/3o41KcZ

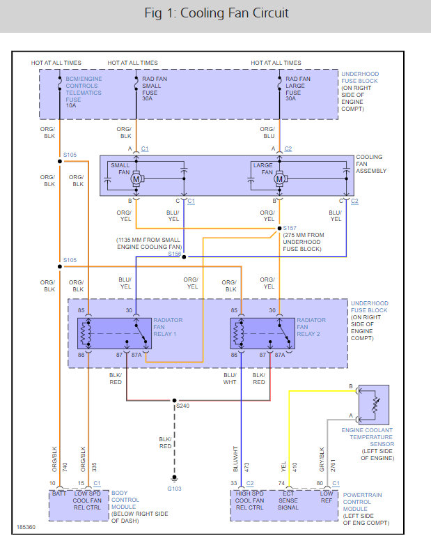
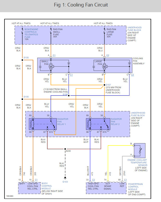
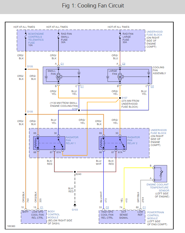
Here are the radiator cooling fan wiring diagrams so you can see how the system works. I think you have a bad PCM so here is how to change it out in the images below just in case you need it. Check out the diagrams (below). Please let us know what you find. We are interested to see what it is. You can get a rebuilt PCM from eBay. Have your VIN number ready. Also check for power at the fuses in the wiring diagrams.
Aug 20, 2022 at 3:34 PM