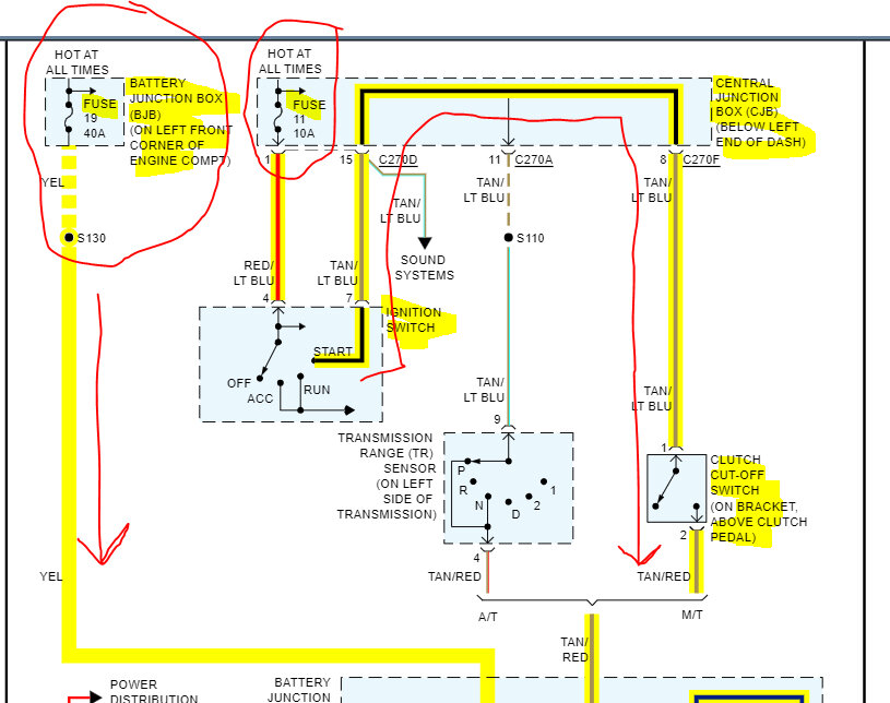
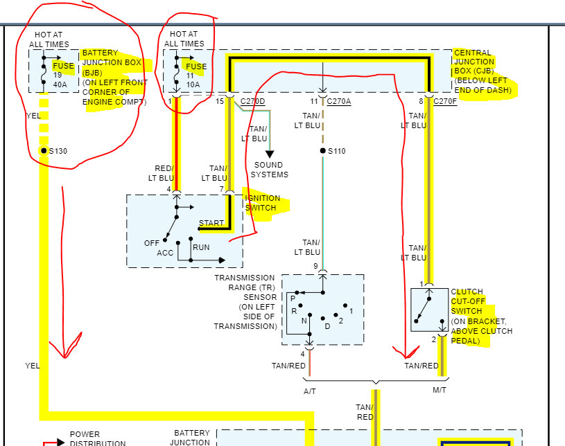
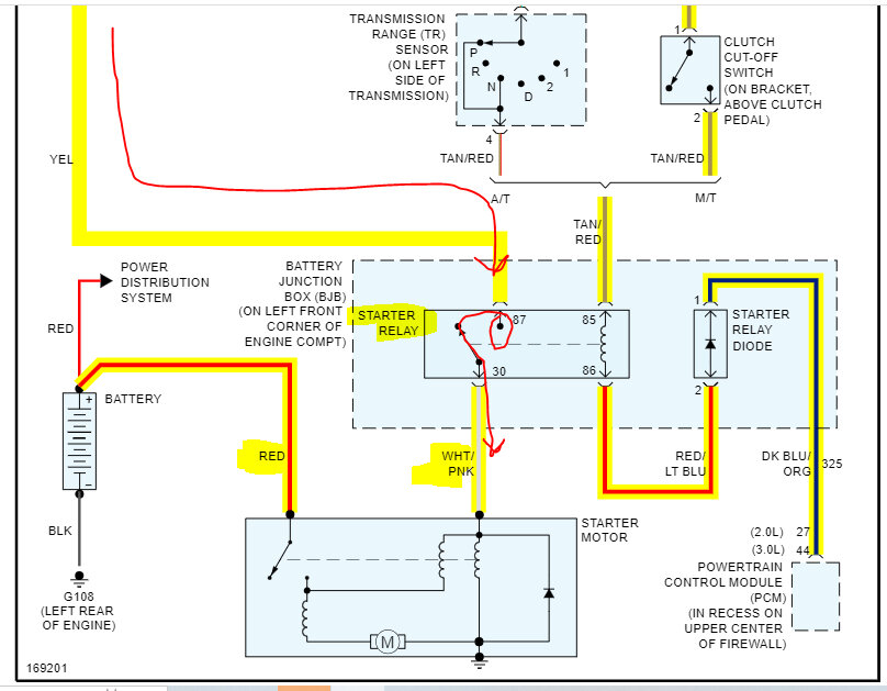
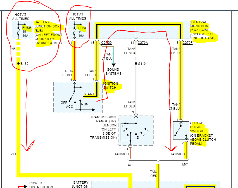
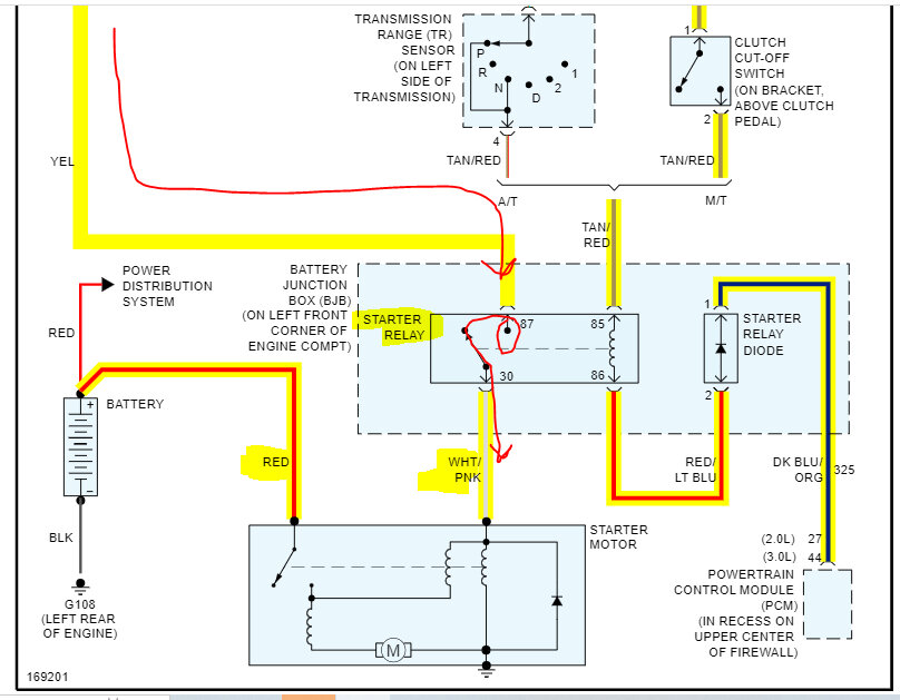
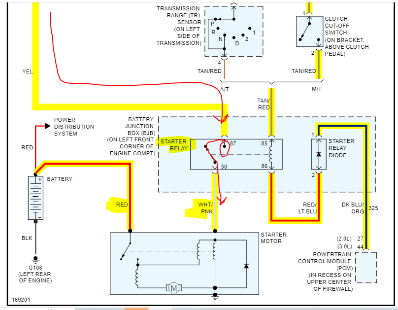
It gives instructions to crimp to existing lead. Which there is no existing lead present. The wires coming from the positive battery wires are on eye hooks(2 separate) attached to plastic that fits onto the solenoid. I've put it on and now taken it off, not sure if this lead is causing it not to start. It turns over/cranks it just doesn't have the ump to start. It sounds like it might but it doesn't. Before I parked it, I had to push start it to get it running (most of the time). Please, where am I to do with the lead wire.
Oct 16, 2023 at 12:58 PM

