The radiator fans are not turning on, car shuts off when it gets hot?

2000 INFINITI I30
82,210 MILES • V6 • AUTOMATIC
Avatar
ANA54
  • MEMBER
  • 2 POSTS
It gets hot when I put the A/C on. The fans are not turning on and my car's been turning off when it gets hot too.
Jun 22, 2023 at 11:32 AM
Advertisement
Avatar
STRAILER
  • CERTIFIED EXPERT
  • 53,854 POSTS
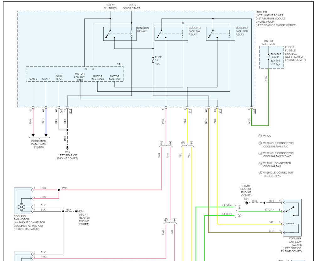
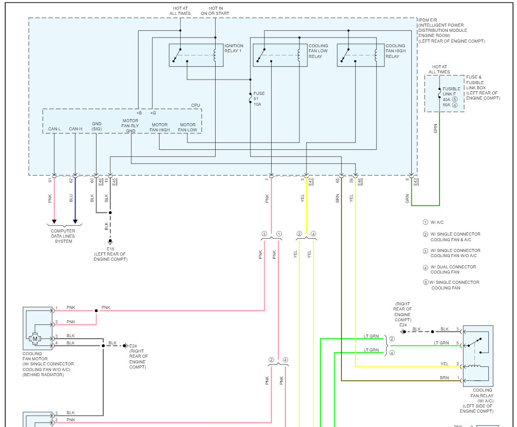
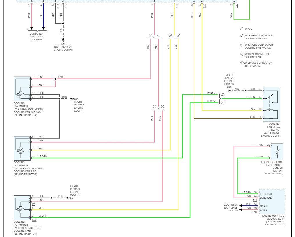
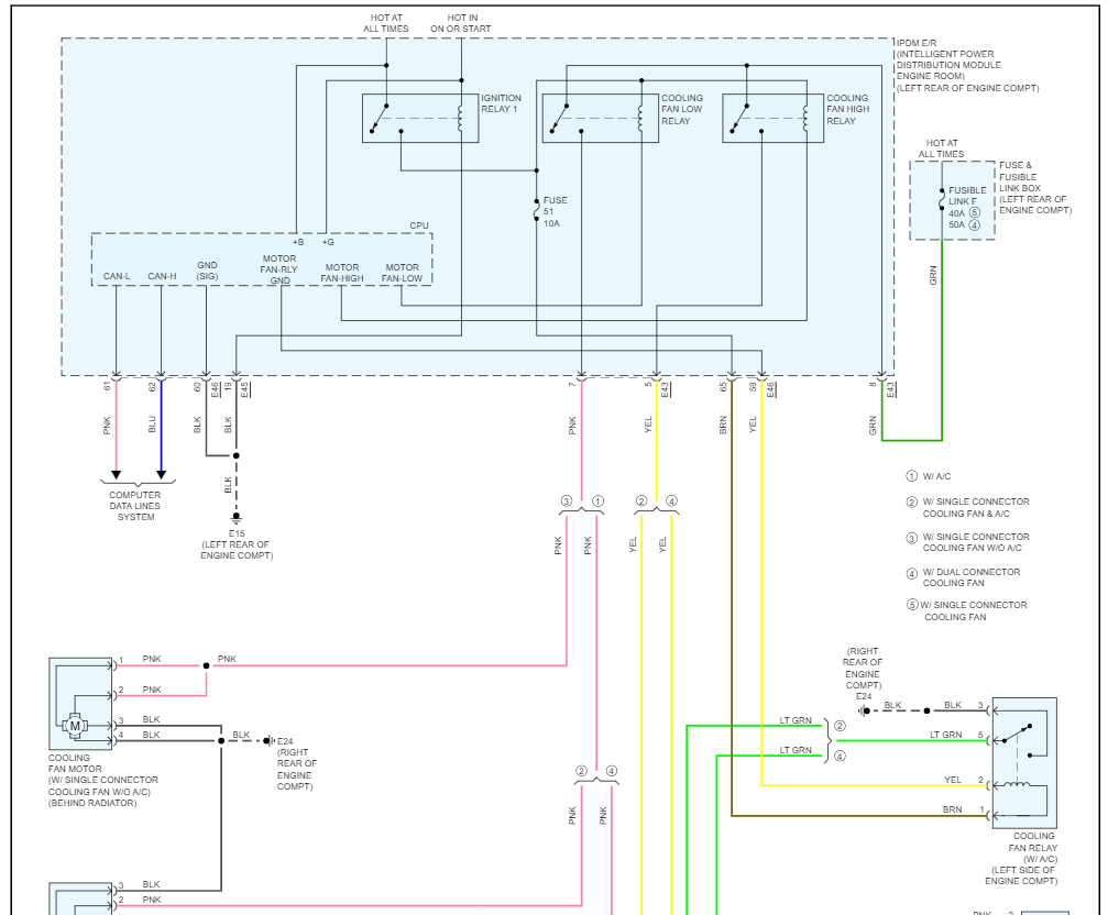
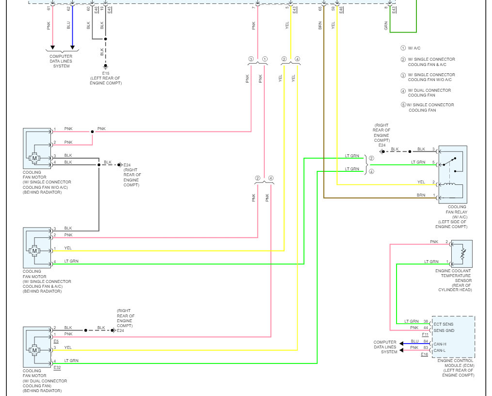
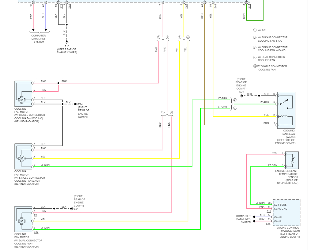
It could be the coolant temperature sensor, fuse, control relay or one of the fan motors is shorted out.

here is a guide to help go over the problem and how to fix them:

https://www.2carpros.com/articles/how-to-check-a-car-fuse

Also, I have included the cooling fan wiring diagrams so you can see how the system works and which fuses and relays to swap out. Check out the images (below). Please let us know how it goes.
Jun 23, 2023 at 11:32 AM
Avatar
ANA54
  • MEMBER
  • 2 POSTS
Okay, I found out fans don't work, bought new ones today it was driving smoothly but it turned off at the light. the temperature didn't rise. What else can I check? Why would it turn off?
Jun 23, 2023 at 12:44 PM
Advertisement
Avatar
STRAILER
  • CERTIFIED EXPERT
  • 53,854 POSTS
This sounds like a different issue which we need to start a new thread for, I am glad you got the fans fixed. Please post your new question here, you must be logged in.

https://www.2carpros.com/questions/new

Cheers, Ken
Jun 24, 2023 at 11:10 AM