The dashboard fan stopped working

2001 ISUZU RODEO
178,000 MILES
Avatar
MICHAELROTH
  • MEMBER
  • 1 POST
the dashboard fan stopped working. when you turn it on the fan does not come on. do I need a new fan put in? Or do I need a new fuse for the fan?
Jun 1, 2017 at 10:54 AM
Advertisement
Avatar
STRAILER
  • CERTIFIED EXPERT
  • 53,854 POSTS
Hello,

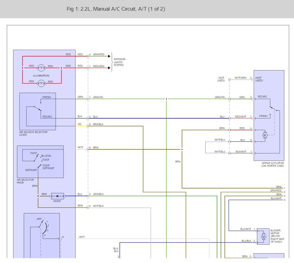
It sounds like you have a blower motor that has burned out. Here is some guides and a blower motor wiring diagram (BELOW) that should help you get the problem fixed.

https://www.2carpros.com/articles/blower-fan-motor-works-on-high-speed-only

and

https://www.2carpros.com/articles/how-to-use-a-test-light-circuit-tester

So you can do some testing

Please let us know what happens.

Cheers, Ken


Jun 3, 2017 at 1:03 PM