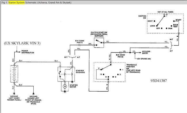
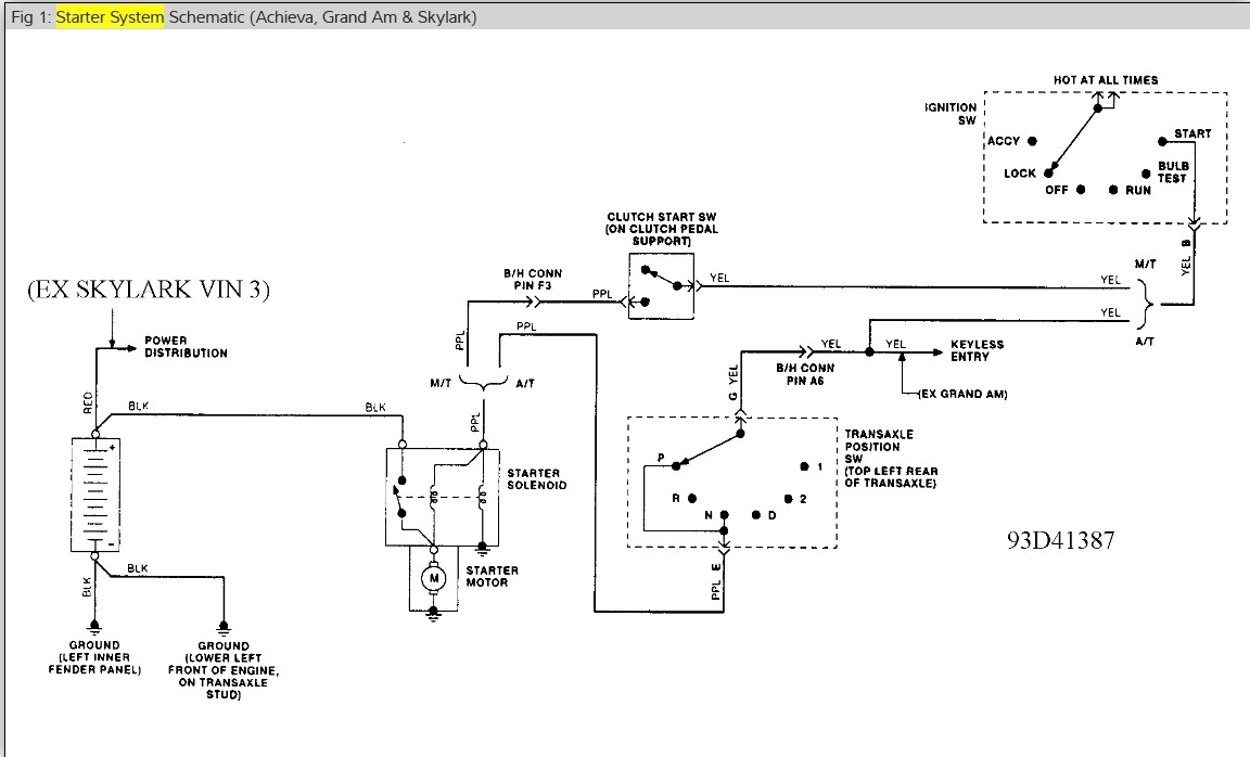
VIN 1G3NL5438PM025097. Sometimes the engine will not start. This happens when the engine is hot. When the ignition key is in the "start" position, the starter does not work, nor can you hear the clang of the starter coil solenoid, complete silence. After the car cooled, the engine starts, starter works.
I have checked the ignition key contacts on the steering column, they are serviceable. I could assume that the cause is a bad contact at the contact group of the transmission speed shifter. But I can't figure out why the contacts are good when the engine is cold, and vice versa, when the engine and transmission are hot, the contacts are bad. Maybe there is something I don't know? Maybe there are some contacts that are temperature dependent? Note: I am not in the USA, no auto electrician here.
I have checked the ignition key contacts on the steering column, they are serviceable. I could assume that the cause is a bad contact at the contact group of the transmission speed shifter. But I can't figure out why the contacts are good when the engine is cold, and vice versa, when the engine and transmission are hot, the contacts are bad. Maybe there is something I don't know? Maybe there are some contacts that are temperature dependent? Note: I am not in the USA, no auto electrician here.
Apr 6, 2023 at 4:05 AM




